1. PODSTAWY PLC I AUTOMATYKI
2. ARCHITEKTURA SIMATIC SAFETY INTEGRATED
3. MODUŁY F-DI / F-DO — OKABLOWANIE I PARAMETRY
4. STRUKTURY GŁOSOWANIA — 1oo1/1oo2/2oo2/2oo3
5. PASSIVATION, REINTEGRATION, ACK
6. SAFE STATE — BEZPIECZNY STAN
7. PROFISAFE — KOMUNIKACJA SAFETY
8. NAPĘDY SAFETY — SINAMICS Z WBUDOWANYM SAFETY
9. TIA PORTAL — SAFETY PRAKTYKA
10. ROBOT ABB IRC5 — INTEGRACJA Z PLC
11. COMMISSIONING I DIAGNOSTYKA
12. NAPĘDY SINAMICS
13. E-STOP — NORMY, IMPLEMENTACJA I OBLICZENIA BEZPIECZEŃSTWA
14. PROFINET — TOPOLOGIA, DIAGNOSTYKA I ZAAWANSOWANE FUNKCJE
15. KURTYNY BEZPIECZEŃSTWA I MUTING
16. MOTION CONTROL I SINAMICS — PRAKTYKA COMMISSIONING
17. REALNE SCENARIUSZE COMMISSIONING
18. TIA PORTAL — ZAAWANSOWANE FUNKCJE
19. COMMISSIONING — DODAWANIE STACJI I URZĄDZEŃ DO PROJEKTU
20. SCHEMATY ELEKTRYCZNE — CZYTANIE, ANALIZA I PRAKTYKA COMMISSIONING
21. SICAR@TIA — STANDARD AUTOMATYKI AUTOMOTIVE
175 pytań / 21 sekcji.
Dziennie: 5–8 pytań z Fazy 1 lub 2 zamiast czytania całego dokumentu.
PLC (Programmable Logic Controller) to przemysłowy komputer czasu rzeczywistego do sterowania maszynami. Kluczowe różnice:
[ZWERYFIKOWANE - SIMATIC S7-1500 System Manual; TIA Portal]
Scan cycle to jeden pełny cykl pracy CPU: odczyt wejść → wykonanie programu → zapis wyjść → komunikacja. Typowy czas: 1–20ms dla prostych programów. Przy dużych projektach lub Safety może wzrosnąć do 50–100ms. W S7-1500 monitorujesz czas cyklu online (Cycle time w diagnostyce CPU). Zbyt długi scan = wolna reakcja na sygnały.
[ZWERYFIKOWANE - SIMATIC S7-1500 System Manual — Cycle time monitoring]
Bloki organizacyjne (OB) to punkt wejścia do programu wywoływany przez system operacyjny CPU w ściśle określonych warunkach.
Podstawowe OB:
Diagnostyczne OB — ważne przy commissioning:
[ZWERYFIKOWANE - SIMATIC S7-1500 Function Manual: Program blocks — Organization blocks]
Typy zmiennych w blokach (ważne rozróżnienie):
VAR_TEMP — tymczasowe, przechowywane na stosie CPU. Tracą wartość po zakończeniu wywołania. Dostępne we wszystkich blokach (FB, FC, OB).VAR_STAT — statyczne, zachowują wartość między wywołaniami. Tylko w FB, przechowywane w instancji DB.VAR_INPUT / VAR_OUTPUT / VAR_IN_OUT — parametry interfejsu bloku.W TIA Portal: bloki z włączonym Optimized Block Access używają wyłącznie nazw symbolicznych — brak adresowania absolutnego (%.0, %DB1.DBX0.0). Standardowe ustawienie dla nowych projektów.
[ZWERYFIKOWANE - TIA Portal Help: Program blocks (FB/FC/DB), Optimized Block Access]
UDT (User Data Type) to własny złożony typ danych definiowany raz i wielokrotnie używany w całym projekcie. Przykład: typ Motor_t z polami Speed:REAL, Current:REAL, Fault:BOOL, Running:BOOL.
Kiedy używasz UDT:
VAR_IN_OUT: Motor_t, tworzysz 20 instancji. Zmiana struktury UDT → automatyczna propagacja do wszystkich instancji.VAR_IN_OUT.UDT vs STRUCT:
STRUCT to typ anonimowy (inline) — definiujesz go bezpośrednio w bloku, bez nazwy globalnej, nie możesz go reużyć w innych blokach.UDT ma nazwę globalną (np. "Motor_t") — reużywany w całym projekcie i w Project Library.Wersjonowanie: W TIA Portal można przypisać UDT do Project Library i wersjonować. Przy zmianie struktury UDT TIA Portal ostrzega o niespójnych instancjach — musisz je zaktualizować (Update instances). Ważne w dużych projektach — jedna zmiana UDT bez aktualizacji instancji = błąd kompilacji.
[ZWERYFIKOWANE - TIA Portal Help: PLC data types (UDT), Project Library management]
Kluczowe konstrukcje SCL w TIA Portal:
IF warunek THEN // instrukcja warunkowa
...
ELSIF warunek2 THEN // opcjonalne
...
ELSE
...
END_IF;
FOR i := 1 TO 10 DO // pętla zliczająca
array[i] := 0;
END_FOR;
WHILE warunek DO // pętla warunkowa
...
END_WHILE;
CASE zmienna OF // instrukcja wyboru
1: akcja1;
2: akcja2;
ELSE: domyslna;
END_CASE;
TIA Portal SCL vs klasyczny STEP 7 SCL:
[ZWERYFIKOWANE - IEC 61131-3 — languages (PLCopen); TIA Portal Help: Programming languages overview]
4-20mA to standardowy sygnał analogowy dla czujników przemysłowych (przetworniki ciśnienia, temperatury, przepływu). Zakres 4 mA (wartość minimalna procesu) do 20 mA (wartość maksymalna).
NORM_X normalizuje do 0.0–1.0, a SCALE_X skaluje na zakres inżynierski (np. 0.0–100.0 bar). Alternatywnie: bezpośrednia przeliczenie REAL w SCL: Ciśnienie := (REAL_AI - 4.0) / 16.0 * MaxRange;[ZWERYFIKOWANE - SIMATIC ET200SP Analog Input Module Manual; standard przemysłowy 4-20mA wg IEC 60381-1]
PROFINET: Ethernet-based, 100Mbit/s (gigabit w nowych instalacjach), elastyczna topologia (gwiazdka, linia, pierścień), plug-and-play z GSDML, obsługuje PROFIsafe i IRT (250µs, jitter <1µs). Nowy standard dla wszystkich nowych projektów. PROFIBUS: RS-485, max 12Mbit/s, liniowa topologia z terminatorami na obu końcach kabla, starszy standard. Nadal spotykany w modernizacjach i instalacjach sprzed 2010.
Role urządzeń PROFINET — kluczowe na rozmowie:
Jeden CPU może być jednocześnie IO-Controller swojej sieci i IO-Device w sieci nadrzędnej (np. S7-1500 jako slave do głównego systemu SCADA).
PROFIBUS analogicznie: DP-Master Class 1 (CPU) → DP-Slave (ET200M/S, napęd z CB DP) → DP-Master Class 2 (PG/PC diagnostyczny).
[ZWERYFIKOWANE - PROFINET — przegląd technologii Siemens; IEC 61158 (PROFINET), IEC 61784 (PROFIBUS)]
Siemens oferuje różne rodziny sterowników PLC, dostosowane do aplikacji o różnej skali i złożoności, od prostych zadań po najbardziej wymagające systemy.
Pamięć sterownika PLC jest podzielona na obszary o różnych właściwościach, co pozwala na efektywne zarządzanie programem i danymi, uwzględniając trwałość i szybkość dostępu.
Rodzina S7-1200 to kompaktowe sterowniki montowane na szynie DIN, programowane w TIA Portal. Wiedza o limitach rozbudowy jest ważna przy doborze do projektu.
Warianty CPU S7-1200:
| CPU | Wbudowane I/O | Max SM (prawo) | Max CM (lewo) | SB (front) | Uwagi |
|---|---|---|---|---|---|
| 1211C | 6DI/4DO/2AI | brak | 3 | 1 | Brak rozbudowy SM |
| 1212C | 8DI/6DO/2AI | 2 SM | 3 | 1 | |
| 1214C | 14DI/10DO/2AI | 8 SM | 3 | 1 | Najpopularniejszy |
| 1215C | 14DI/10DO/2AI | 8 SM | 3 | 1 | 2 porty PROFINET |
| 1217C | 14DI/10DO/2AI/2AO | 8 SM | 3 | 1 | PTO4 (4 osie krokowe), 2× PROFINET |
Typy modułów rozszerzeń:
Karta pamięci: Micro SD pre-formatowana przez Siemens (nie zwykły consumer SD). Rola: backup programu, aktualizacja firmware, “Transfer Card” (wgranie programu na nowy CPU bez laptopa — wystarczy karta).
Praktyczne limity: Przy wielu modułach analogowych sumuj pobór prądu 5V z szyny wewnętrznej — max ~1A. Przekroczenie = moduły niestabilnie działają lub nie startują.
Źródło: dane katalogowe Siemens S7-1200 System Manual
Enkoder (przetwornik obrotowo-impulsowy) to czujnik zamieniający ruch mechaniczny (kąt/pozycję) na sygnał elektryczny odczytywany przez napęd lub PLC.
| Cecha | Inkrementalny | Absolutny |
|---|---|---|
| Sygnał wyjściowy | Impulsy zliczane od punktu startowego | Unikalna wartość liczbowa = aktualna pozycja |
| Po zaniku zasilania | Traci pozycję — wymaga referencjonowania (homing) | Zachowuje pozycję (absolutny) |
| Homing (referencja) | Wymagany po każdym starcie | Nie wymagany (single-turn) lub nie wymagany (multi-turn) |
| Interfejsy | TTL (A/B/Z), HTL, sin/cos 1 Vpp | SSI, EnDat 2.1/2.2, HIPERFACE, HIPERFACE DSL |
| Rozdzielczość | 100 – 65 536 imp/obrót (PPR) | 12 – 25 bit/obrót |
| Koszt | Niższy | Wyższy |
| Zastosowanie | Przenośniki, wentylatory, proste osie | Roboty, osie pionowe, serwosystemy |
Single-turn vs Multi-turn (absolutne):
⚠️ Osie pionowe i roboty: zawsze absolutny enkoder multi-turn — po zaniku zasilania maszyna wie dokładnie gdzie jest ramię bez potrzeby homing. Inkrementalny = homing po każdym resecie = niebezpieczne przy obciążeniu.
💡 Na rozmowie: pytanie o enkodery często pojawia się razem z SLS/SDI — wspomnij że do tych funkcji Safety wymagane są enkodery certyfikowane (HIPERFACE Safety, EnDat Safety).
[ZWERYFIKOWANE - SINAMICS S120 Function Manual: Encoder types; HIPERFACE Safety (SICK/Stegmann), EnDat Safety (Heidenhain) — certyfikowane wg IEC 61508]
IO-Link (IEC 61131-9) to standardowy niskonapięciowy protokół komunikacji punkt-punkt między sterownikiem PLC (IO-Link Master) a inteligentnymi czujnikami/aktuatorami (IO-Link Device). Działa po standardowym 3-żyłowym kablu M12 — bez dodatkowego okablowania.
Architektura:
6ES7148-6JA00-0AB0). Jeden master obsługuje do 8 portów IO-Link.Korzyści vs analogowe 4–20 mA / 0–10 V:
| Cecha | Analogowe AI | IO-Link |
|---|---|---|
| Dane procesowe | 1 wartość (realna) | Wiele parametrów jednocześnie (pozycja, temp., błędy) |
| Konfiguracja czujnika | Fizycznie (trymer, DIP) | Zdalnie przez TIA Portal lub parametryzacja z DB |
| Diagnostyka | Brak | Pełna (kod błędu, temperatura, licznik cykli) |
| Okablowanie | 4 żyły + ekran | Standardowy kabel M12 3-żyłowy |
| Wymiana czujnika | Ręczna rekalibracja | Auto re-parametryzacja z DB (Data Storage mode) |
| Koszt na przekrój | Niższy | Wyższy dla mastera, niższy per czujnik |
Co oznacza każda żyła w kablu M12:
Kabel 3-żyłowy (IO-Link / czujniki cyfrowe):
Kabel 4-żyłowy (czujniki analogowe 4–20 mA / 0–10 V):
Złącze M12 to standard przemysłowy — kolory żył wg EN 60947-5-2. IO-Link celowo używa tego samego kabla co czujniki binarne (3-wire) — wymiana czujnika zwykłego na IO-Link nie wymaga przeokablowania.
Tryb Data Storage (automatyczna reparametryzacja):
Po wymianie uszkodzonego czujnika IO-Link Master automatycznie wgrywa zapisane parametry do nowego urządzenia — bez interwencji serwisanta. TIA Portal → właściwości portu IO-Link → Data Storage: On.
Typowe zastosowania w automotive:
💡 IO-Link ≠ Safety — standard IO-Link nie jest Safety-certified. Do zastosowań Safety wymagane są osobne kanały F-DI. IO-Link służy wyłącznie do danych procesowych i diagnostyki (standard world).
Źródło: Siemens ET200SP IO-Link Master product documentation
Przerzutniki bistabilne SR i RS to elementy PLC zapamiętujące stan (bit) po zaniku sygnału sterującego. Stosuje się je, bo operator wciska przycisk START na chwilę — a silnik musi pracować dalej (samopodtrzymanie). Różnią się zachowaniem gdy S i R są aktywne jednocześnie — wtedy priorytet decyduje o stanie wyjścia.
SR — priorytet Set (Set dominant):
Q ustawia sygnał S (Set), kasuje sygnał R1 (Reset)S=1 i R1=1 jednocześnie → Q = 1 (Set wygrywa)RS — priorytet Reset (Reset dominant):
Q ustawia sygnał S1 (Set), kasuje sygnał R (Reset)S1=1 i R=1 jednocześnie → Q = 0 (Reset wygrywa)Tabela prawdy — SR (Set-dominant):
| S | R1 | Q (wyjście) |
|---|---|---|
| 0 | 0 | Q_prev (stan zapamiętany) |
| 1 | 0 | 1 (Set) |
| 0 | 1 | 0 (Reset) |
| 1 | 1 | 1 ← Set wygrywa |
Tabela prawdy — RS (Reset-dominant):
| S1 | R | Q (wyjście) |
|---|---|---|
| 0 | 0 | Q_prev (stan zapamiętany) |
| 1 | 0 | 1 (Set) |
| 0 | 1 | 0 (Reset) |
| 1 | 1 | 0 ← Reset wygrywa |
Jedyna różnica → wiersz ostatni (oba aktywne). Reszta identyczna.
Równoważny kod SCL — implementacja ręczna:
// SR — priorytet Set (kolejność: najpierw Reset, potem Set nadpisuje)
"MotorRunSR" := "MotorRunSR" OR "StartBtn";
IF "StopBtn" THEN "MotorRunSR" := FALSE; END_IF;
IF "StartBtn" THEN "MotorRunSR" := TRUE; END_IF; // Set na końcu = priorytet
// RS — priorytet Reset (kolejność: najpierw Set, potem Reset nadpisuje)
"MotorRunRS" := "MotorRunRS" OR "StartBtn";
IF "StartBtn" THEN "MotorRunRS" := TRUE; END_IF;
IF "StopBtn" THEN "MotorRunRS" := FALSE; END_IF; // Reset na końcu = priorytet
Praktyczna zasada doboru:
| Sytuacja | Wybór |
|---|---|
| Stop ma wyższy priorytet (99% maszyn przemysłowych) | RS |
| Start/Set ważniejszy (np. latch alarmu do potwierdzenia) | SR |
| Fizyczny E-Stop / Guard | Zawsze RS — Reset (bezpieczeństwo) dominuje |
⚠️ W TIA Portal LAD bloki SR/RS są dostępne w Basic Instructions → Bistable operations. Parametr
Qto bit zapamiętany — musi być adres Memory (M) lub DB bit, nigdy wejścieI.
Źródło: TIA Portal Help — LAD Bistable Operations; IEC 61131-3 §3.2.3
Samopodtrzymanie (seal-in) to obwód LAD, w którym cewka wyjściowa podtrzymuje się sama — styk NO tego samego bitu jest podłączony równolegle do START. Dzięki temu operator wciska START na chwilę, a cewka pracuje dalej. Dominacja określa, który sygnał wygrywa gdy START i STOP są aktywne jednocześnie — zależy od struktury obwodu, czyli gdzie w drabince siedzi styk STOP.
Dominacja RESET — STOP wygrywa (bezpieczna):
| |
| START STOP(NC) ( Lampka ) |
+----] [-----+-----]/[---------( )----- +
| | |
| Lampka | |
+----] [-----+ |
| |
START → do węzła +Lampka (samopodtrzymanie) → do tego samego węzła +STOP(NC) szeregowo → cewka ( Lampka )START=1, STOP=1 → Lampka = 0 (RESET wygrywa)Dominacja SET — START wygrywa (niebezpieczna):
| |
| START ( Lampka ) |
+----] [-------------------+---( )----- +
| | |
| Lampka STOP(NC) | |
+----] [------]/[----------+ |
| |
START → bezpośrednio do cewki (omija STOP!)Lampka (samopodtrzymanie) → STOP(NC) → do cewkiSTART=1, STOP=1 → Lampka = 1 (SET wygrywa)Kluczowa różnica — pozycja STOP w obwodzie:
| Cecha | Dominacja RESET | Dominacja SET |
|---|---|---|
| STOP odcina | obie ścieżki (START + seal-in) | tylko seal-in |
| START=1, STOP=1 | Lampka = 0 | Lampka = 1 |
| Bezpieczeństwo | ✅ bezpieczna | ⚠️ niebezpieczna |
Dlaczego układ trzyma stan gdy START=0, STOP=0?
STOP jest stykiem NC ]/[ — gdy nikt go nie wciska (STOP=0), styk NC jest zamknięty (przepuszcza). Prąd płynie przez seal-in Lampka → przez zamknięty STOP(NC) → do cewki. Układ trzyma stan poprzedni — identycznie jak SR/RS z S=0, R=0.
Tabela prawdy:
| Stan | START | STOP | Dom. RESET | Dom. SET |
|---|---|---|---|---|
| Oba wciśnięte | 1 | 1 | 0 ← STOP | 1 ← START |
| Tylko START | 1 | 0 | 1 | 1 |
| Tylko STOP | 0 | 1 | 0 | 0 |
| Żaden | 0 | 0 | * (trzyma) | * (trzyma) |
*= stan podtrzymany przez seal-in (styk NC STOP jest zamknięty → cewka trzyma). Jedyna różnica → wierszSTART=1, STOP=1.
Powiązanie z blokami SR/RS i cewkami (S)/(R):
Układ seal-in z normalną cewką ( ), bloki SR/RS i cewki (S)/(R) to ta sama logika bistabilna — trzy różne notacje, identyczna tabela prawdy.
| Implementacja | Podtrzymanie | Dominację decyduje |
|---|---|---|
Seal-in + cewka ( ) |
Styk NO wyjścia równolegle do START (budujesz sam) | Pozycja STOP w obwodzie |
Cewki (S) / (R) |
Wbudowane w cewkę (nie trzeba styku) | Kolejność skanowania (ostatni network wygrywa) |
| Blok SR / RS | Wbudowane w blok | Typ bloku (SR → S wygrywa, RS → R wygrywa) |
| Obwód seal-in | Cewki LAD | Blok TIA Portal |
|---|---|---|
| Dominacja RESET | (S) → potem (R) (R ostatni) |
RS — Reset-Dominant |
| Dominacja SET | (R) → potem (S) (S ostatni) |
SR — Set-Dominant |
Zasada bezpieczeństwa: Zawsze stosuj Dominację RESET dla obwodów STOP i E-Stop. Operator musi mieć gwarancję, że STOP zatrzyma maszynę niezależnie od innych sygnałów (EN 60204-1 §9.2.2).
Źródło: Kurs ControlByte — Układy samopodtrzymania, Dominacja SET/RESET; EN 60204-1 §9.2.2
SIMATIC Safety Integrated to koncepcja Siemensa gdzie funkcje bezpieczeństwa (failsafe) i funkcje standardowe działają w jednym fizycznym CPU (F-CPU), jednym projekcie TIA Portal i przez jedną sieć PROFINET/PROFIsafe.
Korzyści:
SIMATIC Safety Integrated — jeden PLC, jeden inżyniering, jedna komunikacja:

[ZWERYFIKOWANE] — SIMATIC Safety Integrated — przegląd systemu; SIMATIC Safety — Konfiguracja i programowanie (A5E02714440-AK)
Dual-channel processing to architektura, w której ten sam fragment kodu Safety jest wykonywany przez dwa niezależne kanały obliczeniowe wewnątrz jednego CPU. W S7-1500F realizowane programowo (diversified redundant processing w jednym fizycznym procesorze — ten sam program Safety wykonywany dwukrotnie z dywersyfikowanym przetwarzaniem, wyniki porównywane). W starszych generacjach (S7-300F/400F) — sprzętowo (dwa oddzielne procesory). Oba kanały przetwarzają identyczne dane wejściowe i produkują wyniki. Na końcu każdego cyklu Safety specjalny komparator porównuje wyniki obu kanałów:
Co to oznacza w praktyce dla komisjonera/integratora:
Ciągły self-test: F-CPU w tle testuje pamięć RAM (CRC bloków), ALU, rejestry procesora. Program Safety działa w oddzielnym chronionym obszarze pamięci — standardowy program OB1 nie może go nadpisać ani odczytać bezpośrednio.
⚠️ DO WERYFIKACJI: Twierdzenie „F_MAIN wykonywany typowo 2× dłużej niż OB1” jest uproszczeniem. Rzeczywisty czas cyklu Safety zależy od rozmiaru programu F, konfiguracji sprzętu i komunikacji PROFIsafe — nie jest to prosta wielokrotność czasu OB1. Sprawdź w TIA Portal → CPU properties → Cycle time.
Certyfikacja (informacyjnie): F-CPU jest certyfikowany dla SIL 3 / PL e — ta informacja pochodzi z karty katalogowej napędu lub CPU; nie musisz jej znać na pamięć, ale warto wiedzieć że to TÜV zatwierdza architekturę, nie sam Siemens.
[ZWERYFIKOWANE] — SIMATIC Safety — Konfiguracja i programowanie (A5E02714440-AK), rozdział „Dual-channel processing / diversified redundant processing”; SIMATIC Safety Getting Started (A5E02714463)
S7-1500F: CPU 1511F, 1513F, 1515F, 1516F, 1517F, 1518F — Advanced controllers z wbudowanym Safety. S7-1200F: CPU 1212FC, 1214FC, 1215FC — Basic controllers z Safety, mniejsze aplikacje. ET 200SP CPU F: CPU 1510SP F, 1512SP F — zdalny sterownik z Safety, montaż przy maszynie. ET 200pro CPU F: CPU 1516pro F — IP67, bezpośrednio na maszynie. Wszystkie programowane w TIA Portal z STEP 7 Safety Advanced lub Safety Basic.
[ZWERYFIKOWANE] — SIMATIC S7-1500F — strona produktowa; SIMATIC S7-1200F — strona produktowa
F-DB (Fail-safe Data Block) generowany jest automatycznie przez TIA Portal dla każdego bloku Safety. Zawiera: CRC (checksum logiki), F-signature (podpis programu Safety), parametry czasowe. Ręczna edycja zniszczyłaby spójność podpisu → F-CPU odmówiłoby uruchomienia Safety. To celowe zabezpieczenie przed nieautoryzowaną modyfikacją.
[ZWERYFIKOWANE] — SIMATIC Safety — Konfiguracja i programowanie (A5E02714440-AK), rozdział Safety Administration Editor
F-signature to unikalny podpis (suma kontrolna CRC) jednego bloku Safety — zmienia się przy każdej modyfikacji kodu. Collective signature (podpis zbiorczy) to podpis CAŁEGO programu Safety złożony ze wszystkich bloków. Widoczny na wyświetlaczu CPU lub w TIA Portal jako ciąg znaków (np. ‘5CBE6409’). Przy wgraniu CPU porównuje collective signature — niezgodność → Safety nie uruchamia się.
W TIA Portal w Safety Administration Editor widoczne są:
[ZWERYFIKOWANE] — SIMATIC Safety — Konfiguracja i programowanie (A5E02714440-AK), str. 83–84 „F-signatures”; SIMATIC Safety Getting Started (A5E02714463), str. 32, 43
Safety mode activated — normalny tryb produktywny, program Safety działa, wyjścia sterowane przez logikę F. Safety mode deactivated — tryb commissioning/testowy, wejścia/wyjścia F modułów mogą być nadpisywane ręcznie bez ochrony Safety (używany np. podczas uruchamiania do testów okablowania). Przełączenie przez TIA Portal (Safety Administration Editor → „Disable safety mode”) lub dedykowany sygnał w logice. Po przełączeniu wymagane potwierdzenie (hasło Safety). Zmiana trybu jest logowana z datą i użytkownikiem. Uwaga: dezaktywacja trybu Safety jest widoczna w diagnostyce i na wyświetlaczu CPU — nie można jej ukryć.
⚠️ WARNING z dokumentacji Siemens: „Deactivation of safety mode is intended for test purposes, commissioning, etc. Whenever safety mode is deactivated, the safety of the system must be ensured by other organizational measures, such as monitored operation, manual safety shutdown, and access restrictions to certain areas.”
[ZWERYFIKOWANE] — SIMATIC Safety Getting Started (A5E02714463), str. 42–43; SIMATIC Safety — Konfiguracja i programowanie (A5E02714440-AK), Safety Administration Editor
Pilz PNOZmulti to programowalny sterownik bezpieczeństwa, który umożliwia łatwe i intuicyjne tworzenie logiki bezpieczeństwa dla maszyn, wykorzystując dedykowane bloki funkcyjne i graficzne środowisko programowania.
Kontekst na rozmowie: PNOZmulti to dedykowany sterownik bezpieczeństwa (nie F-CPU) — często spotykany przy modernizacjach maszyn i w małych izolowanych aplikacjach Safety (prasy, ogrodzenia). Integracja z Siemens PLC: PNOZmulti jako IO-Device PROFINET (Safe PNOZmulti) lub przez wyjścia przekaźnikowe Safety do F-DI Siemens. Różnica od SIMATIC Safety: PNOZmulti jest tańszy i prostszy dla <20 sygnałów Safety, ale nie łączy logiki Safety z programem PLC w jednym środowisku jak TIA Portal.
Porównanie dedykowanych sterowników Safety — Pilz vs SICK vs Siemens F-CPU:
| Cecha | Pilz PNOZmulti 2 | SICK Flexi Soft / FLX3-CPUC | Siemens F-CPU (S7-1500F) |
|---|---|---|---|
| Typ | Dedykowany Safety PLC | Dedykowany Safety PLC | Zintegrowany Safety w CPU standardowym |
| Programowanie | PNOZmulti Configurator (graficzne bloki) | SICK Safety Designer (FBD) | TIA Portal + STEP 7 Safety Advanced (LAD/FBD) |
| Max SIL / PL | SIL CL 3 / PL e | SIL CL 3 / PL e | SIL 3 / PL e |
| Skalowalność | Do ~20 F-I/O, rozszerzalny modułami | Do ~40 F-I/O, modułowe | Setki F-I/O przez ET200 + PROFIsafe |
| Koszt (orientacyjnie) | €800–1500 (jednostka + moduły) | €600–1200 (jednostka + moduły) | €3000–8000 (CPU F + licencja Safety) |
| Integracja z Siemens PLC | PROFINET IO-Device (opcja Safe) lub przekaźniki → F-DI | PROFINET IO-Device lub EtherNet/IP | Natywna — jeden projekt, jedna diagnostyka |
| Kiedy stosować | Mała maszyna standalone, modernizacja, <20 sygnałów Safety | Mała/średnia maszyna, ekosystem SICK (kurtyny, skanery) | Duża instalacja, wiele stref Safety, integracja z logiką standardową |
Kluczowe różnice w praktyce:
⚠️ DO WERYFIKACJI — ceny orientacyjne z 2024, mogą się różnić zależnie od konfiguracji i rabatów. Źródło: transkrypcje ControlByte + wiedza domenowa
S7-1500H (Highly Available / Hot Standby) to konfiguracja redundantna dwóch identycznych CPU S7-1500 pracujących równolegle — jeden aktywny (Primary), drugi gotowy do natychmiastowego przejęcia sterowania (Backup).
Zasada działania:
< 1 cykl PLC (bez STOP maszyny)Konfiguracja sprzętowa:
Kiedy stosujesz S7-1500H:
MTTR < 3s (Mean Time To Recovery)Różnica H vs F (Safety):
| Cecha | S7-1515F | S7-1517H | S7-1518HF |
|---|---|---|---|
| Safety (F-CPU) | ✅ | ❌ | ✅ |
| Hot Standby | ❌ | ✅ | ✅ |
| Redundancja CPU | ❌ | ✅ | ✅ |
⚠️ S7-1500H ≠ Safety redundancja — Hot Standby gwarantuje dostępność (availability), nie poziom Safety (SIL). Do SIL wymagany F-CPU niezależnie od H.
💡 Programowanie w TIA Portal: H-system wygląda jak jeden CPU — piszesz kod jeden raz, TIA Portal automatycznie synchronizuje między Primary i Backup. Zmiana konfiguracji H wymaga krótkiego trybu serwisowego.
Źródło: Siemens SIMATIC S7-1500H System Manual (6ES7518-4FX00-1AC2)
S7-1500H (Hot Standby) to system z dwoma CPU pracującymi równolegle — Primary i Backup. Redundancja dotyczy CPU (wysoka dostępność), nie automatycznie sieci PROFINET. Minimalna konfiguracja wymaga 6 komponentów.
Lista komponentów (minimum):
| # | Komponent | Ilość | Rola |
|---|---|---|---|
| 1 | CPU 1517H lub 1518H | 2 | Primary + Backup |
| 2 | PM 190W zasilacz | 2 | Osobne zasilanie per CPU (niezależność awaryjna) |
| 3 | Kabel Sync Link (X3↔X3, X4↔X4) | 2 | Synchronizacja danych — dedykowane, oddzielne od PROFINET |
| 4 | SCALANCE switch (np. XB208) lub bezpośrednie połączenie | 1+ | PROFINET — sieć I/O |
| 5 | ET200SP z IM 155-6 PN HF | 1 | Shared Device — 2 porty PN, widoczna przez oba CPU |
| 6 | Moduły I/O (DI/DQ/AI) | min. 1 | Wejścia/wyjścia procesowe |
Kluczowe zasady:
Czego NIE potrzebujesz w minimalnej konfiguracji:
┌──────────────────┐ Sync Link ×2 ┌──────────────────┐
│ Szafa 1 │ X3 ════════════════════ X3 │ Szafa 2 │
│ ┌────────────┐ │ X4 ════════════════════ X4 │ ┌────────────┐ │
│ │ CPU 1517H │ │ │ │ CPU 1517H │ │
│ │ PRIMARY │ │ │ │ BACKUP │ │
│ └─────┬──────┘ │ │ └─────┬──────┘ │
│ PM 190W │ │ PM 190W │
└────────┼─────────┘ └────────┼─────────┘
│ PROFINET X1 │ PROFINET X1
└──────────────┬───── SCALANCE XB208 ──────────────┘
│
┌───────┴───────┐
│ ET200SP │
│ IM 155-6 │
│ PN HF │ ← 2 porty PN (Shared Device / R1)
├───────────────┤
│ DI │ DQ │ AI │
└───────────────┘
[ZWERYFIKOWANE] — SIMATIC S7-1500H System Manual; S7-1500R/H strona produktowa
Redundancja CPU (H-system) nie oznacza automatycznie redundancji sieci PROFINET. Awaria kabla lub switcha może odciąć IO-Devices mimo działającego Backup CPU. Dobór topologii PROFINET decyduje o odporności sieci I/O na uszkodzenia fizyczne.
Porównanie topologii:
| Topologia | Redundancja kabla PN | Koszt sieci | Czas przełączenia (awaria kabla) | Uwagi |
|---|---|---|---|---|
| Daisy chain | ❌ | Brak | Utrata stacji za przerwą | Najprościej, bez switcha |
| Gwiazda — niezarządzalny switch (XB208) | ❌ | Niski | Utrata wszystkich stacji | Switch = SPOF |
| Gwiazda — zarządzalny switch (XC/XP) | ❌ | Średni | Utrata wszystkich stacji | Diagnostyka SNMP, ale wciąż SPOF |
| Ring bez switcha (porty CPU → devices → porty CPU) | ✅ | Brak | ≤ 200 ms (MRP) | Optymalne — redundancja bez kosztów |
| Ring z zarządzalnym switchem | ✅ | Wysoki | ≤ 200 ms / ≈ 0 ms (MRPD) | Wymagany dla IRT/S120 |
| Dual-homed (dwa niezależne trakty) | ✅ | Najwyższy | ≈ 0 ms | IM 155-6 MF HF (Multi-Fieldbus, nie zwykły PN HF!) |
Uwaga: IM 155-6 PN HF (2 porty w jednym pierścieniu) vs IM 155-6 MF HF (2 niezależne interfejsy PROFINET → dual-homed na dwóch osobnych traktach). Dual-homed wymaga droższego MF HF.
Schematy wszystkich topologii:
Sync Link (X3-X3, X4-X4) identyczny we wszystkich wariantach — pominięty na schematach. Legenda:
*= port użyty,o= port wolny. Każde urządzenie pokazuje WSZYSTKIE porty.
① Daisy chain — najprostsza, bez redundancji kabla:
+-------------------+
| CPU PRIMARY |
+--------+----------+
[P1] |
| kabel 1
[P1] |
+--------+----------+
| ET200SP_1 |
| IM155-6 HF |
+--------+----------+
[P2] |
| kabel 2
[P1] |
+--------+----------+
| ET200SP_2 |
| IM155-6 HF |
+--------+----------+
[P2] |
| kabel 3
[P1] |
+--------+----------+
| ET200SP_3 |
| IM155-6 HF |
+--------+----------+
[P2] |
| kabel 4
[P1] |
+--------+----------+
| CPU BACKUP |
+-------------------+
⚠️ Awaria kabla 2 → ET200SP_2, _3 i CPU BACKUP utracone. Kabel wchodzi do P1, wychodzi z P2. Oba CPU na koncach lancucha — brak redundancji kabla.
② Gwiazda z niezarządzalnym switchem (SCALANCE XB208):
+-----------+ +-----------+
| CPU PRI | | CPU BAK |
+-----+-----+ +-----+-----+
[P1] | [P1] |
| k1 | k2
[P1] | [P2] |
+-----+----------------------------+-----+
| SCALANCE XB208 |
| (niezarzadzalny, 8 portow) |
| oP6 oP7 oP8 |
+-----+------------+------------+--------+
[P3] | [P4] | [P5] |
| k3 | k4 | k5
[P1] | [P1] | [P1] |
+-----+----+ +-----+----+ +----+-----+
| ET200SP_1| | ET200SP_2| | ET200SP_3|
| IM155 HF | | IM155 HF | | IM155 HF |
| oP2 | | oP2 | | oP2 |
+----------+ +----------+ +----------+
⚠️ Switch = SPOF. Kable z CPU wchodza do P1/P2 switcha, ze switcha P3-P5 do P1 stacji. P2 stacji wolne. Awaria XB208 = utrata CALEJ sieci I/O.
③ Gwiazda z zarządzalnym switchem (SCALANCE XC208):
+-----------+ +-----------+
| CPU PRI | | CPU BAK |
+-----+-----+ +-----+-----+
[P1] | [P1] |
| k1 | k2
[P1] | [P2] |
+-----+----------------------------+-----+
| SCALANCE XC208 |
| (zarzadzalny, SNMP/LLDP, 8 portow) |
| oP6 oP7 oP8 |
+-----+------------+------------+--------+
[P3] | [P4] | [P5] |
| k3 | k4 | k5
[P1] | [P1] | [P1] |
+-----+----+ +-----+----+ +----+-----+
| ET200SP_1| | ET200SP_2| | ET200SP_3|
| IM155 HF | | IM155 HF | | IM155 HF |
| oP2 | | oP2 | | oP2 |
+----------+ +----------+ +----------+
⚠️ Wciąż SPOF jak ②, ale switch ma diagnostykę SNMP, LLDP, port mirroring. P2 stacji wolne.
④ Ring bez switcha — porty CPU tworzą pierścień (MRP, optymalne):
+--------- k6 (zamyka pierscien) ---------+
| |
[P2] | [P2] |
+---+-------------------+ |
| CPU PRIMARY (MRM) | |
+---+-------------------+ |
[P1] | |
| k1 |
[P1] | |
+---+-------------------+ |
| ET200SP_1 | |
| IM155-6 HF (MRC) | |
+---+-------------------+ |
[P2] | |
| k2 |
[P1] | |
+---+-------------------+ |
| ET200SP_2 | |
| IM155-6 HF (MRC) | |
+---+-------------------+ |
[P2] | |
| k3 |
[P1] | |
+---+-------------------+ |
| ET200SP_3 | |
| IM155-6 HF (MRC) | |
+---+-------------------+ |
[P2] | |
| k4 |
[P1] | |
+---+-------------------+ |
| ET200SP_4 | |
| IM155-6 HF (MRC) | |
+---+-------------------+ |
[P2] | |
| k5 |
[P1] | [P2] |
+---+-------------------+-----------------+---+
| CPU BACKUP (MRM standby) |
+---------------------------------------------+
Pierscien: PRI:P1 -> _1 -> _2 -> _3 -> _4 -> BAK:P1
Zamkniecie: BAK:P2 -(k6)-> PRI:P2
WSZYSTKIE porty uzyte na WSZYSTKICH urzadzeniach.
✅ Optymalne. CPU PRIMARY = MRM, CPU BACKUP = MRM standby. Oba CPU w pierścieniu — P1 i P2 użyte na każdym urządzeniu. Awaria kabla → MRP ≤ 200 ms. Zero switchy.
⑤ Ring z zarządzalnymi switchami (MRPD, dla IRT/S120):
+-----------+ +-----------+
| CPU PRI | | CPU BAK |
| oP2 | | oP2 |
+-----+-----+ +-----+-----+
[P1] | [P1] |
| k1 | k2
[P1] | [P1] |
+-----+-----------+ kabel ring +-------+---------+
| SCALANCE | | SCALANCE |
| XC216-A | | XC216-B |
| oP6..oP16 | | oP6..oP16 |
+--+------+---+---+ +--+------+---+---+
[P3] | [P4] |[P5]| [P3] | [P4] |[P5]|
| | | | | |
k3 | k4 | k5 | k6 | k7 | k8 |
| | | | | |
[P1] | [P1] |[P1]| [P1] | [P1] |[P1]|
+--+--+ +-+-+ +--+-+ +--+--+ +-+-+ +--+-+
| _1 | | _2| | _3 | | _4 | | _5| | _6 |
| oP2 | |oP2| | oP2| | oP2 | |oP2| | oP2|
+-----+ +---+ +----+ +-----+ +---+ +----+
ET200SP (IM155 HF) ET200SP (IM155 HF)
✅ Switche w pierścieniu MRP/MRPD. MRPD = ≈ 0 ms. Kable ze switch P3-P5 do stacji P1. P2 na CPU i stacjach wolne — redundancję zapewnia ring switchów. Wymagane dla IRT/S120.
⑥ Dual-homed — dwa niezależne trakty (systemy krytyczne):
TRAKT A TRAKT B
+-----------+ +-----------+
| CPU PRI | | CPU BAK |
| oP2 | | oP2 |
+-----+-----+ +-----+-----+
[P1] | [P1] |
| k1 | k2
[P1] | [P1] |
+-----+-------+ +-----+-------+
| SCALANCE | | SCALANCE |
| XC-A | | XC-B |
| oP2 oP5-P16 | | oP2 oP5-P16 |
+--+------+---+ +--+------+---+
[P3] | [P4]| [P3] | [P4]|
| | | |
k3 | k5 | k4 | k6 |
| | | |
[IF1]| [IF1]| [IF2]| [IF2]|
+--+------+-------+ +--+------+-------+
| ET200SP_1 | | (te same stacje)|
| IM 155-6 MF HF | | |
+-----+-----------+ +-----------+-----+
+--+------+-------+
| ET200SP_2 | k3: XC-A:P3 <-- IF1
| IM 155-6 MF HF | k4: XC-B:P3 <-- IF2
+-----------------+ k5: XC-A:P4 <-- IF1
k6: XC-B:P4 <-- IF2
UWAGA: IM 155-6 MF HF =/= PN HF!
MF HF: 2 NIEZALEZNE interfejsy (osobne MAC, osobne IP)
PN HF: 2 porty, ale 1 interfejs (wewnetrzny switch)
✅ Kable z IF1 do Trakt A (XC-A), z IF2 do Trakt B (XC-B). Awaria traktu A → Trakt B przejmuje ~0 ms. Wymaga IM 155-6 MF HF (Multi-Fieldbus).
Rekomendacja doboru topologii:
| Zastosowanie | Topologia | Uzasadnienie |
|---|---|---|
| Budżet niski, mała linia | ① Daisy chain lub ② Gwiazda XB208 | Redundancja tylko CPU, nie sieci PN |
| Standard automotive / H-system | ④ Ring bez switcha (MRP) | Redundancja CPU + kabel PN, zero kosztów dodatkowych |
| Systemy krytyczne / napędy S120 | ⑤ Ring MRPD z SCALANCE XC/XP lub ⑥ Dual-homed | Minimalny przestój, IRT, pełna redundancja traktów |
Kluczowe różnice między topologiami:
| Cecha | ① Daisy | ②③ Gwiazda | ④ Ring MRP | ⑤ Ring MRPD | ⑥ Dual-homed |
|---|---|---|---|---|---|
| Redundancja kabla PN | NIE | NIE | TAK | TAK | TAK |
| Czas przełączenia | — | — | ≤ 200 ms | ≈ 0 ms | ≈ 0 ms |
| Dodatkowy sprzęt | brak | switch | brak | 2x switch | 2x switch + MF HF |
| SPOF (single point of failure) | kabel | switch | brak | brak | brak |
| Obsługa IRT (isochronous) | NIE | NIE | NIE | TAK | TAK |
| Porty CPU użyte | P1 | P1 | P1 + P2 | P1 | P1 |
| Moduł IM stacji | PN HF | PN HF | PN HF | PN HF | MF HF |
| Protokół redundancji | — | — | MRP | MRP/MRPD | System R1 |
| Koszt względny | najniższy | niski | niski | średni | wysoki |
Najważniejsze zasady praktyczne:
[ZWERYFIKOWANE] — SIMATIC S7-1500H System Manual; S7-1500R/H strona produktowa; IEC 61158-6-10 (PROFINET MRP); PROFINET diagnostics Application Example (Entry ID: 109484728)]
F-DI (Fail-safe Digital Input) to moduł wejść bezpieczeństwa certyfikowany do SIL 3 / PL e. W porównaniu ze standardowym DI posiada trzy dodatkowe mechanizmy diagnostyczne, które standardowy DI nie ma:
1. VS* pulse testing — ciągły autotest okablowania (= „self-test kanałów w tle”)
VS* (Versorgung Sensor) to zasilanie czujnika z modułu F-DI, które zamiast stałego 24 V wysyła krótkie impulsy testowe. Moduł analizuje wzorzec impulsów powracających na wejście i wykrywa usterki:
Testowanie odbywa się w tle, cyklicznie, bez przerywania procesu — impulsy są tak krótkie, że czujnik (np. styk NC E-Stop) działa normalnie. To właśnie jest „self-test kanałów” — nie jest to osobna funkcja, lecz bezpośredni efekt działania VS* pulse testing.
2. Cross-circuit detection — wykrywanie zwarcia MIĘDZY kanałami 1oo2
Cross-circuit to zwarcie przewodu kanału A do przewodu kanału B tego samego czujnika dwukanałowego (1oo2). Przyczyna: kabel wielożyłowy przygnieciony lub przetarty → izolacja przebita → kanały A i B połączone elektrycznie.
Dlaczego to groźne: Zwarcie międzykanałowe sprawia, że oba kanały zawsze pokazują identyczną wartość — nawet jeśli jeden styk E-Stop jest uszkodzony (np. spawany). System „myśli”, że ma dwa niezależne kanały, a w rzeczywistości obwód jest zdegradowany do jednokanałowego (1oo1). Drugi błąd (uszkodzenie drugiego styku) nie zostanie wykryty → E-Stop nie zadziała. [ZWERYFIKOWANE — Siemens 21064024: „Without cross-circuit detection this would lead to, for example, a 2-channel emergency stop circuit not to trigger a shut-down even if only one normally-closed contact is faulty (second error)”]
Jak moduł F-DI to wykrywa: Dwa wyjścia sensor supply (VS0 i VS2) generują impulsy testowe z różnym przesunięciem czasowym (nie jednocześnie). Kanał A jest zasilany z VS0, kanał B z VS2:
Konfiguracja w TIA Portal: Właściwości modułu F-DI → „Short-circuit test” → Activate (osobno per sensor supply 0 i sensor supply 2). Domyślnie wyłączone — trzeba aktywować, aby uzyskać DC ≥ 99% wymagane dla Cat.4 / PL e / SIL 3. [ZWERYFIKOWANE — Siemens 21064024, str. 12: „The short circuit tests for the channels 0 and 8 are activated.”]
3. Obsługa 1oo2 z discrepancy time + komunikacja PROFIsafe
Podsumowanie: VS* pulse testing, cross-circuit detection i self-test to ten sam mechanizm sprzętowy widziany z różnych perspektyw — VS* to sposób działania (impulsy), cross-circuit to jedna z wykrywanych usterek, a self-test to fakt że dzieje się to ciągle w tle. Aktywacja parametru „Short-circuit test” w TIA Portal włącza zarówno cross-circuit detection jak i detekcję zwarć do L+/M.
Moduły: ET 200SP F-DI, ET 200MP F-DI, S7-1200 SM 1226 F-DI.
📚 Źródła:
sources/pdfs/extracted/21064024_E-Stop_SIL3_1500F_DOC_V7_0_1_en_extracted.txt (str. 12, 17) — konfiguracja short-circuit test, definicja cross-circuitsources/pdfs/extracted/SIMATIC Safety Integrated – wszystko w jednym sterowniku PLC_extracted.txt — broszura: testy failsafe zwarć, przerw, cross-circuitVS* (Versorgung Sensor / Sensor Supply) to wyjście zasilające na module F-DI, które wysyła krótkie impulsy testowe zamiast stałego 24 V. Czujnik zasilany jest tymi impulsami, a sygnał wraca na wejście z tą samą charakterystyką pulsacji. To jest ten sam mechanizm, który stoi za „self-testem kanałów” i „cross-circuit detection” opisanymi w pytaniu 3.1.
Moduł analizuje wzorzec impulsów i rozróżnia 4 stany usterek:
| Usterka | Co widzi moduł | Mechanizm |
|---|---|---|
| Przerwa przewodu (wire break) | Brak jakiegokolwiek sygnału zwrotnego | Obwód otwarty → impulsy nie wracają |
| Zwarcie do M (0 V / masa) | Stały sygnał niski (0 V) | Przewód ściągnięty do masy → impulsy zanikają |
| Zwarcie do L+ (24 V) | Stały sygnał wysoki bez pulsacji | Przewód podciągnięty do zasilania → brak przerw między impulsami |
| Cross-circuit (zwarcie międzykanałowe) | Impuls z VS0 pojawia się na wejściu kanału B w złym oknie czasowym | Kanał A i B spięte elektrycznie → utrata niezależności kanałów 1oo2 |
Mechanizm cross-circuit detection w szczegółach: Moduł F-DI ma dwa niezależne wyjścia sensor supply: VS0 (dla kanałów 0–3) i VS2 (dla kanałów 4–7 / 8–11 zależnie od modelu). VS0 i VS2 generują impulsy w różnych oknach czasowych — nigdy jednocześnie:
Kluczowe: VS* pulse testing zapewnia DC ≥ 99% (Diagnostic Coverage) — warunek konieczny do Cat.4 / PL e (ISO 13849-1) lub SIL 3 (IEC 62061 / IEC 61508). [ZWERYFIKOWANE — Siemens 39198632, normy ISO 13849-1 i IEC 62061]
Konfiguracja w TIA Portal: Właściwości modułu F-DI → „Short-circuit test” → Activate (osobno per sensor supply 0 i sensor supply 2). Domyślnie wyłączone — trzeba aktywować! [ZWERYFIKOWANE — Siemens 21064024, str. 12]
⚠️ Wyjątek — kurtyny (OSSD): Kurtyny bezpieczeństwa mają własne impulsy testowe na wyjściach OSSD1/OSSD2. Nie podłączaj VS* do OSSD — w TIA Portal ustaw „Sensor supply” kanału na „None/Disabled”, inaczej impulsy F-DI zablokują sygnał z kurtyny.

[ZWERYFIKOWANE - Siemens Wiring Examples for F-I/O (Entry ID: 39198632); E-Stop SIL3 Application (Entry ID: 21064024, str. 10-12)]
Zasada bezpieczna (fail-safe): zerwanie kabla, przepalenie bezpiecznika, uszkodzenie czujnika → obwód otwarty → sygnał 0 → system Safety traktuje to jako zadziałanie i zatrzymuje maszynę. Przy NO (normalnie otwartym): zerwanie kabla = brak sygnału = maszyna nie wie o zagrożeniu → niebezpieczeństwo. NC to zasada ‘fail-safe by design’ wymagana przez normy bezpieczeństwa.
[ZWERYFIKOWANE - SIMATIC Safety - Konfiguracja i programowanie (Entry ID: 109751404); EN ISO 13849-1 §6.2.5 (wymogi dla sygnalizacji NC w obwodach bezpiecznych)]
Discrepancy time to maksymalny czas w którym dwa kanały czujnika 1oo2 mogą pokazywać różne wartości bez generowania błędu. Przykład: przy otwieraniu osłony mechanicznej jeden styk reaguje 15ms wcześniej niż drugi — to normalne i fizyczne. Konfigurujesz w TIA Portal: właściwości modułu F-DI → parametry kanału → Discrepancy time (typowo 10–200ms w zależności od czujnika). Zbyt krótki → fałszywe błędy. Zbyt długi → późne wykrycie uszkodzenia.
[ZWERYFIKOWANE - SIMATIC Safety - Konfiguracja i programowanie (Entry ID: 109751404), rozdz. parametry F-DI]
Substitute value to wartość którą przyjmuje wyjście F-DO po przejściu modułu w passivation (stan błędu). Konfigurujesz w TIA Portal we właściwościach kanału F-DO: wartość 0 lub 1. Decyduje inżynier projektu na podstawie analizy bezpieczeństwa — nie Siemens. Przykłady: napęd → 0 (stop), zawór bezpieczeństwa → może być 1 (pozostaje otwarty), pompa chłodząca → może być 1 (chłodzi nadal).
[ZWERYFIKOWANE - SIMATIC Safety - Konfiguracja i programowanie (Entry ID: 109751404), rozdz. F-DO substitute values]
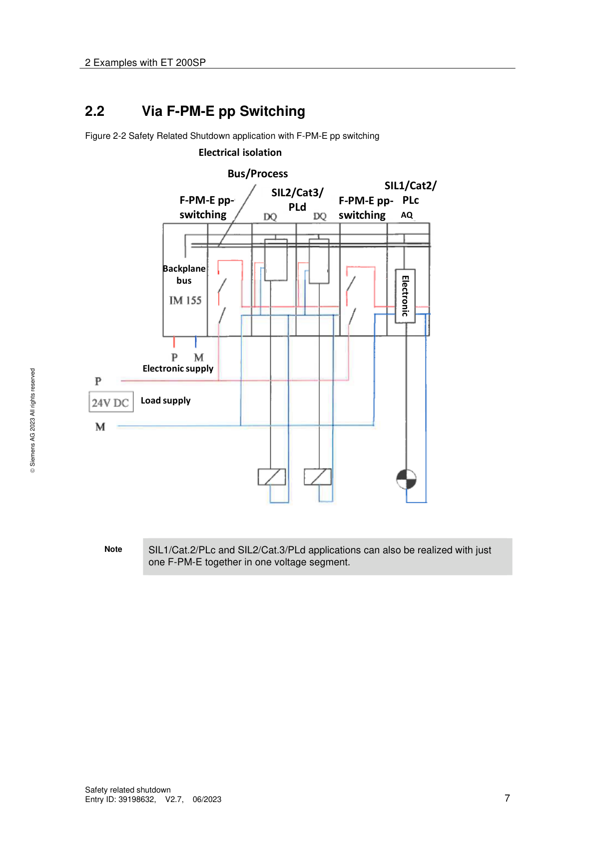
Pm switching i pp switching to dwa sposoby okablowania bezpiecznego odcięcia zasilania grupy standardowych modułów wyjściowych (DQ/AQ) przez moduł F-PM-E w stacji ET 200SP. Różnica dotyczy tego, które linie zasilania obciążenia (Load supply) są przełączane przez F-PM-E.
Problem, który rozwiązują: Na linii produkcyjnej masz dziesiątki standardowych modułów DQ sterujących zaworami, silnikami, lampkami. Przy E-Stop lub innej funkcji Safety musisz bezpiecznie odciąć zasilanie tym wyjściom. Wymiana wszystkich DQ na moduły F-DQ jest droga. Zamiast tego F-PM-E odcina zasilanie obciążenia (Load supply) całej grupy standardowych modułów — wszystkie wyjścia w grupie natychmiast tracą napięcie i przechodzą w stan bezpieczny (0 V).
pm switching (plus-minus) — odcięcie obu linii:
pp switching (plus-plus) — odcięcie dwóch kanałów P:
| Cecha | pm switching | pp switching |
|---|---|---|
| Co przełącza F-PM-E | P i M (obie linie) | Dwa kanały P (tylko plus) |
| Linia M | Odcięta przez F-PM-E | Wspólna, nie odcinana |
| Izolacja galwaniczna Load/Electronic | Wymagana | Nie wymagana |
| Ochrona przed zwarciami do obcych potencjałów | Wbudowana (M odcięte) | Wymaga dodatkowych środków (EN 60204-1) |
| Złożoność okablowania | Wyższa (osobny zasilacz) | Niższa |
| Typowe zastosowanie | Linie z wyższym napięciem w pobliżu | Proste aplikacje, krótkie trasy kablowe |
pm-switching — schemat ET 200SP:

pp-switching — schemat ET 200SP:

📚 Źródła:
sources/pdfs/extracted/39198632_Wiring_Example_en_extracted.txt (str. 5–7) — Fig. 2-1 pm switching, Fig. 2-2 pp switching, wymogi PP Switch OffF-PM-E (Fail-safe Power Module E) to moduł Safety w systemie ET 200SP, który umożliwia bezpieczne odcięcie zasilania obciążenia (Load supply) grupy standardowych modułów wyjściowych (DQ, AQ) — bez konieczności wymiany tych modułów na drogie moduły F-DQ.
Problem, który rozwiązuje: Standardowe moduły DQ nie mają certyfikatu Safety — nie mogą samodzielnie realizować funkcji bezpieczeństwa. Ale na jednej stacji ET 200SP możesz mieć 10–20 modułów DQ sterujących zaworami i napędami. Wymiana ich wszystkich na F-DQ to ogromny koszt. F-PM-E rozwiązuje to inaczej: odcina zasilanie na poziomie grupy — jeden moduł F-PM-E obsługuje wszystkie standardowe DQ w swoim segmencie napięciowym (voltage segment).
Jak to działa krok po kroku:
Osiągalny poziom bezpieczeństwa:
Ograniczenia i wymagania:
Praktyka commissioning: W TIA Portal F-PM-E konfiguruje się w hardware config jako moduł Safety w stacji ET 200SP. Przypisujesz mu F-address, ustawiasz tryb (pm/pp), a w programie Safety F-CPU sterujesz wyjściem F-PM-E tak jak zwykłym F-DO (TRUE = zasilanie włączone, FALSE = odcięte).
📚 Źródła:
sources/pdfs/extracted/39198632_Wiring_Example_en_extracted.txt (str. 4–7) — wymagania, schematy pm/pp switchingdocs/chapters/03_moduly_fdi_fdo.md — pytanie 3.6 (pm vs pp switching), 3.8 (alternatywy: Safety Relay, F-DO+przekaźnik)
Trzy główne metody (wg dokumentu Siemens 39198632):
Schematy okablowania — Safety Relay i ET200MP/S7-1500:

[ZWERYFIKOWANE - Siemens Wiring Examples for F-I/O (Entry ID: 39198632), Fig. 3-1 (Safety Relay PM-switching), Fig. 3-2 (F-PM-E), Fig. 3-3 (F-DO + przekaźnik)]
Moduł F-DI, skonfigurowany do oceny dwukanałowej (1oo2), monitoruje sygnały z dwóch niezależnych kanałów i reaguje na różne typy awarii. Wszystkie trzy poniższe awarie powodują passivation — różnica polega na zakresie (kanał vs cały moduł), co zależy od parametru „Behavior after channel fault” w TIA Portal:
Passivate channel — passivation tylko dotkniętego kanału (pozostałe kanały działają dalej)Passivate the entire module — passivation całego F-I/O (domyślne dla ET 200SP)1. Zwarcie do potencjału 0 V (M):
2. Zwarcie międzykanałowe (cross-circuit):
3. Rozbieżność sygnału (Discrepancy failure):
Automatic — reintegracja natychmiast po zgodności kanałówTest zero signal necessary — operator musi najpierw wymusić stan 0 na obu kanałach (np. wcisnąć E-STOP), dopiero potem reset| Awaria | Passivation? | Zakres | LED |
|---|---|---|---|
| Zwarcie do M (0V) | ✅ Tak | Kanał lub moduł (parametr) | Kanał: czerwona |
| Cross-circuit | ✅ Tak | Zawsze cały moduł | Moduł: czerwona |
| Discrepancy | ✅ Tak | Kanał lub moduł (parametr) | Miganie czerwona/zielona (po usunięciu) |
Praktyczne wskazówki:
Passivate channel vs Passivate the entire module) ma krytyczne znaczenie: passivation kanału pozwala utrzymać pozostałe kanały modułu aktywne, ale zwiększa czas pracy F-runtime group. [ZWERYFIKOWANE — SIMATIC Safety Konfiguracja, str. 54-55]📚 Źródła:
sources/pdfs/extracted/SIMATIC Safety - Konfiguracja i programowanie (2)_extracted.txt (str. 54–55) — passivation kanału vs modułu, parametr „Behavior after channel fault”sources/pdfs/extracted/21064024_E-Stop_SIL3_1500F_DOC_V7_0_1_en_extracted.txt (str. 22) — examples of events that cause passivation, ACK_GLdocs/kb/kb_S03_moduly_fdi_fdo.md — knowledge base sekcjiPrawidłowa konfiguracja parametrów wejść dwukanałowych (1oo2) w module F-DI jest niezbędna do niezawodnego działania systemu Safety i uniknięcia fałszywych passivation. W TIA Portal kluczowe parametry ustawia się we właściwościach kanału F-DI (Hardware Configuration → moduł F-DI → Properties).
1. Evaluation mode (tryb oceny)
2. Discrepancy time (czas rozbieżności)
3. Reintegration after discrepancy error (reintegracja po błędzie rozbieżności)
Procedura diagnostyczna przy discrepancy fault:
📚 Źródła:
sources/pdfs/extracted/SIMATIC Safety - Konfiguracja i programowanie (2)_extracted.txt (str. 54–55) — parametry Discrepancy behavior, Reintegration after discrepancy errorsources/pdfs/extracted/21064024_E-Stop_SIL3_1500F_DOC_V7_0_1_en_extracted.txt (str. 22) — discrepancy time, cross-circuit monitoringtranscripts/controlbyte/NA_Jak działa PLC Safety - Wykrywanie zwarć do 0V, rozbieżności w ocenie 1oo2.txt — demonstracja parametrów 1oo2, discrepancy time, test zero signalXooY = X z Y: ile (X) z dostępnych (Y) kanałów musi zadziałać aby system zareagował.
| Architektura | Definicja | Dostępność | Bezpieczeństwo | Typowe zastosowanie |
|---|---|---|---|---|
| 1oo1 | 1 czujnik — wystarczy | Wysoka | Podstawowe | SIL1, proste maszyny |
| 1oo2 | 2 czujniki — wystarczy JEDEN | Niska (fałszywe stopy) | Wysokie | E-stopy, osłony — SIL2/3 |
| 2oo2 | 2 czujniki — wymagane OBA | Wysoka | Niższe (cichy błąd!) | Procesy ciągłe, kosztowne stopy |
| 2oo3 | 3 czujniki — wymagane 2 z 3 | Balans | Balans | Przemysł procesowy, ciśnienie/temp. |
⚠️ 2oo2 pułapka: uszkodzenie jednego czujnika (sygnalizuje ciągle OK) → system może nie zadziałać gdy potrzeba. Wymagany monitoring DC!
[ZWERYFIKOWANE - SIMATIC Safety - Konfiguracja i programowanie (Entry ID: 109751404); IEC 61508-2 §7.4.4 (struktury redundancji); EN ISO 13849-1 Aneks K (architektury 1oo1, 1oo2, 2oo2)]
1oo2 gdy priorytet to bezpieczeństwo (zatrzymanie przy pierwszym sygnale):
2oo2 gdy priorytet to dostępność (unikanie fałszywych stopów):
⚠️ Przy 2oo2: uszkodzenie jednego kanału (zepsuty, ale nie zgłaszający błędu) może spowodować że system nie zadziała gdy będzie potrzeba.
[ZWERYFIKOWANE - SIMATIC Safety - Konfiguracja i programowanie (Entry ID: 109751404); EN ISO 13849-1 §6.2.9 (common cause failure — 2oo2); IEC 62061 §6.7.6]
Dwa sygnały z dwóch czujników podłączone na dwa kanały tego samego modułu F-DI (lub dwóch osobnych modułów). Moduł F-DI porównuje oba sygnały:
discrepancy time → błąd → passivation lub alarm💡 Ewaluację 1oo2 wykonuje sam moduł F-DI sprzętowo — odciążając F-CPU. Wynik trafia do programu Safety jako jeden bezpieczny sygnał BOOL.
[ZWERYFIKOWANE - SIMATIC Safety - Konfiguracja i programowanie (Entry ID: 109751404), rozdz. F-DI channel evaluation 1oo2]
Monitoring rozbieżności (discrepancy monitoring) to kluczowy mechanizm diagnostyczny struktury głosowania 1oo2 — porównuje sygnały z dwóch niezależnych kanałów i wykrywa, gdy przestają się zgadzać. Jest to podstawa bezpieczeństwa dla urządzeń elektromechanicznych (E-STOP, wyłączniki krańcowe, osłony) i czujników tranzystorowych.
Discrepancy time i mechanizm wykrywania:
Trzy scenariusze awarii wykrywane w 1oo2:
| Awaria | Komunikat diagnostyczny | Zakres passivation | LED na module |
|---|---|---|---|
| Zwarcie do M (0V) | „Overload or internal sensor supply short circuit to ground” | Kanał lub moduł (parametr) | Kanał: czerwona |
| Zwarcie międzykanałowe (cross-circuit) | „Internal sensor supply short circuit to P” / „Short-circuit of two encoder supplies” | Zawsze cały moduł | Moduł: czerwona |
| Rozbieżność sygnału (discrepancy) | „Discrepancy failure” | Kanał lub moduł (parametr) | Miganie czerwona/zielona (po usunięciu przyczyny) |
Reintegracja po discrepancy — parametr „Reintegration after discrepancy error”:
⚠️ Uwaga: Reset reintegracji kanałów F-DI (ACK_GL / operator acknowledge) to nie to samo co reset funkcji bezpieczeństwa (np. E-STOP reset w programie Safety). To dwa odrębne mechanizmy z różną logiką programowania.
📚 Źródła:
sources/pdfs/extracted/SIMATIC Safety - Konfiguracja i programowanie (2)_extracted.txt (str. 54–55) — parametry Discrepancy behavior, Reintegration after discrepancy error, Behavior after channel faultsources/pdfs/extracted/21064024_E-Stop_SIL3_1500F_DOC_V7_0_1_en_extracted.txt (str. 22) — discrepancy time, passivation eventstranscripts/controlbyte/NA_Jak działa PLC Safety - Wykrywanie zwarć do 0V, rozbieżności w ocenie 1oo2.txt — demonstracja scenariuszy awarii 1oo2, konfiguracja discrepancy time i reintegracjiCross-circuit detection wykrywa zwarcie przewodu kanału A do kanału B w parze 1oo2 — awarię groźną, bo degrada dwukanałowy obwód do jednokanałowego (1oo1) bez widocznych objawów.
Mechanizm — impulsy VS* z przesunięciem czasowym:
Konfiguracja w TIA Portal:
💡 Szczegółowy opis VS* pulse testing, wykrywania zwarć do L+/M i schematy okablowania → patrz pytanie 3.1 i 3.2.
📚 Źródła:
sources/pdfs/extracted/21064024_E-Stop_SIL3_1500F_DOC_V7_0_1_en_extracted.txt (str. 11–12) — aktywacja short-circuit test dla sensor supply 0 i 2, konfiguracja kanałów E-STOPsources/pdfs/extracted/39198632_Wiring_Example_en_extracted.txt — schematy okablowania F-DI z VS0/VS2Passivation to stan błędu modułu F — wszystkie wyjścia przyjmują substitute value (zwykle 0),
a wejścia raportowane są do F-CPU jako wartość bezpieczna (0).
Przyczyny passivation:
discrepancy time (ocena 1oo2)F-monitoring time)W danych procesowych: PASS_OUT = TRUE w F-DB modułu → widoczny w Watch Table
Sekwencja sygnałów — passivation i reintegracja F-I/O:

[ZWERYFIKOWANE - SIMATIC Safety - Konfiguracja i programowanie (Entry ID: 109751404), str. 189 — schemat passivation/reintegration]
Celowo — zasada “no silent recovery” w systemach Safety. Operator musi potwierdzić że sytuacja jest bezpieczna zanim maszyna wznowi pracę.
Mechanizm reintegracji:
ACK_REQ = TRUE → widoczny w Watch TableACK_REI (zbocze narastające, 1 cykl PLC) — zmienna reintegracji F-I/OPASS_OUT = FALSE[ZWERYFIKOWANE - SIMATIC Safety - Konfiguracja i programowanie (Entry ID: 109751404), rozdz. Reintegracja F-I/O — ACK_REQ/ACK_REI; SIMATIC Safety Getting Started (Entry ID: pochodna A5E02714463, str. 42-43)]
Checklista:
ACK_REI (reintegracja F-I/O) podany jako impuls (zbocze), nie poziom stały?F-monitoring time nie przekroczony (przeciążona sieć PROFINET)?⚠️ S7-1200/S7-1500: tradycyjny bit
QBADzastąpiony przez value status — logika odwrócona:FALSE= aktywne wartości zastępcze |TRUE= dane prawidłowe
[ZWERYFIKOWANE - SIMATIC Safety - Konfiguracja i programowanie (Entry ID: 109751404), rozdz. QBAD/value status]
W systemie Safety Siemens istnieją dwa niezależne mechanizmy resetu, które łatwo pomylić. Każdy ma swoją zmienną i swój kontekst. Najprościej zrozumieć je na konkretnym scenariuszu.
Scenariusz: operator zrywa kabel E-STOP → naprawa → powrót do pracy
Krok 1 — Awaria: Kabel do kanału E-STOP się zrywa. Moduł F-DI wykrywa wire break → passivation modułu → wyjścia F-DO = 0 → maszyna stoi.
Krok 2 — Moduł mówi „potrzebuję resetu”: W F-I/O DB modułu pojawia się ACK_REQ = TRUE. To wyjście informacyjne (read-only) — moduł sam je ustawia, programista go nie steruje. Widoczne w Watch Table TIA Portal. Oznacza: „błąd usunięty, ale czekam na potwierdzenie operatora”.
Krok 3 — Reintegracja modułu F-I/O (ACK_REI): Operator naciska przycisk „Reset” na kasecie → program Safety generuje impuls (zbocze narastające, 1 cykl PLC) na zmiennej ACK_REI w F-I/O DB tego modułu → moduł F-DI reintegruje się → PASS_OUT = FALSE → moduł znów przekazuje dane procesowe zamiast substitute values.
Krok 4 — Reset funkcji Safety (ACK_NEC): Moduł już działa, ale blok ESTOP1 w programie Safety nadal blokuje wyjścia (bo E-STOP był aktywny). Blok ESTOP1 ma wejście ACK_NEC — operator musi nacisnąć przycisk „Reset Safety” → program generuje impuls na ACK_NEC → blok ESTOP1 zwalnia wyjście Q → maszyna może ruszyć.
Podsumowanie — 3 zmienne, 3 różne role:
| Zmienna | Co robi | Kto ją ustawia | Gdzie żyje | Kiedy potrzebna |
|---|---|---|---|---|
ACK_REQ |
Informuje: „moduł/blok czeka na reset” | Moduł F-I/O lub blok F automatycznie | F-I/O DB / wyjście bloku F | Zawsze po passivation — sprawdzaj w Watch Table |
ACK_REI |
Reintegruje moduł F-I/O po passivation | Programista (impuls z przycisku Reset) | F-I/O DB modułu (np. "F-DI_1".ACK_REI) |
Po każdym błędzie sprzętowym (wire break, zwarcie, utrata PROFIsafe) |
ACK_NEC |
Resetuje funkcję Safety w bloku F | Programista (impuls z przycisku Reset Safety) | Wejście bloku ESTOP1 / SF_GuardMonitoring / SF_TwoHandControl | Po zadziałaniu funkcji Safety (E-STOP, osłona, kurtyna) |
Kluczowa różnica:
ACK_REI = „naprawiłem kabel, moduł może wrócić do pracy” (warstwa sprzętowa)ACK_NEC = „sytuacja jest bezpieczna, maszyna może ruszyć” (warstwa logiki Safety)ACK_REI (reintegracja modułu), potem ACK_NEC (reset funkcji)Zbiorcza reintegracja — ACK_GL:
Zamiast ustawiać ACK_REI osobno dla każdego modułu F-I/O, możesz użyć bloku ACK_GL — generuje zbiorczy impuls reintegracji dla wszystkich modułów F-I/O w grupie F-runtime jednocześnie. Stosuj po awarii sieci PROFINET lub wymianie modułu, gdy wiele F-I/O wymaga reintegracji naraz.
// LAD — typowa logika resetu:
"Reset_Button": --|P|-- "ACK_GL_DB".ACK_GLOB ← reintegracja WSZYSTKICH F-I/O
"Reset_Button": --|P|-- "ESTOP1_DB".ACK_NEC ← reset funkcji E-STOP
⚠️ KRYTYCZNE: Zarówno
ACK_REIjak iACK_NECmuszą być impulsami (zbocze narastające, 1 cykl PLC). Sygnał stałyTRUE= błąd programu Safety → F-CPU może odrzucić kompilację lub zgłosić Runtime Error.
📚 Źródła:
sources/pdfs/extracted/safety_getting_started_en-US_extracted.txt (str. 30–31) — Step 11: Programming ACK_GL for reintegration, parametr ACK_GLOBsources/pdfs/extracted/21064024_E-Stop_SIL3_1500F_DOC_V7_0_1_en_extracted.txt (str. 8) — ACK_GL instruction, events causing passivationsources/pdfs/extracted/safety_getting_started_en-US_extracted.txt (str. 25) — SF_GuardMonitoring: ACK_NEC, ACK_REQ, ACK inputSafe State to stan systemu po wykryciu zagrożenia lub błędu Safety. Definiuje go inżynier projektu na podstawie analizy ryzyka maszyny — Siemens dostarcza tylko narzędzia.
| Urządzenie | Safe State | Uzasadnienie |
|---|---|---|
| Prasa | Stop silnika | Brak ruchu = bezpieczny |
| Pompa cyrkulacyjna reaktora | Pozostaje WŁĄCZONA | Stop = przegrzanie = niekontrolowana reakcja |
| Wentylator chłodzący | Pozostaje WŁĄCZONY | Stop = pożar urządzenia |
| Zawór odcinający | NO lub NC — zależy od procesu | Analiza ryzyka musi to określić jednoznacznie |
⚠️ Safe State definiuje inżynier, nie Siemens. Siemens mówi: “narzędzia są tu — użyj ich zgodnie z analizą ryzyka”.
[ZWERYFIKOWANE - SIMATIC Safety - Konfiguracja i programowanie (Entry ID: 109751404); EN ISO 12100 §5.5 (definiowanie bezpiecznego stanu — obowiązek integratora)]
Bo wyłączenie może być bardziej niebezpieczne niż kontynuacja działania:
⚠️
substitute valueF-DO może być1(wyjście aktywne przy passivation) — to decyzja inżyniera, nie ustawienie domyślne Siemensa.
[ZWERYFIKOWANE - SIMATIC Safety - Konfiguracja i programowanie (Entry ID: 109751404), rozdz. substitute value F-DO]
Parametr substitute value w TIA Portal (właściwości kanału F-DO) określa co wyjście robi przy passivation:
substitute value |
Zachowanie wyjścia | Kiedy używasz |
|---|---|---|
0 (domyślne) |
Wyjście wyłączone | Napęd stop, zawór zamknięty — brak ruchu = bezpieczny |
1 |
Wyjście aktywne | Pompa nadal działa, zawór otwarty — stop = większe ryzyko |
💡 To jest implementacja Safe State na poziomie sprzętowym — zadziała nawet przy awarii sieci komunikacyjnej, bez udziału logiki CPU.
[ZWERYFIKOWANE - SIMATIC Safety - Konfiguracja i programowanie (Entry ID: 109751404), rozdz. F-DO substitute value configuration]
STO (Safe Torque Off) jako Safe State napędu oznacza zablokowanie impulsów bramkowania tranzystorów — napęd nie może generować momentu obrotowego, nawet przy zasilaniu energetycznym. Zatrzymanie OFF1/OFF2 to kontrolowane wyhamowanie przez falownik z możliwością ponownego załączenia bez potwierdzenia.
[ZWERYFIKOWANE - IEC 61800-5-2 §6.2 (STO/SS1/SBC — Safe Torque Off jako Safe State); SINAMICS Safety Integrated product page]
Substitute value to wartość logiczna wyjścia F-DO nadawana automatycznie podczas passivacji lub gdy F-CPU akceptuje błąd bezpieczeństwa. Konfigurowana w TIA Portal → właściwości modułu F-DO → „Substitute value for outputs”.
[ZWERYFIKOWANE - SIMATIC Safety - Konfiguracja i programowanie (Entry ID: 109751404), rozdz. substitute value F-DO]
PROFIsafe to protokół Safety działający na warstwie aplikacji ponad standardowym PROFINET lub PROFIBUS — bez osobnego okablowania bezpieczeństwa.
Struktura ramki PROFIsafe (dodatkowe dane ponad normalne dane procesowe):
| Element | Rozmiar | Cel |
|---|---|---|
| F-Data (dane procesowe Safety) | zmienny | Bezpieczne dane wejść/wyjść |
| Status/Control byte | 1 bajt | Toggle bit, potwierdzenia, sterowanie komunikacją |
| CRC | 3 bajty (CRC1) lub 4 bajty (CRC2) | Integralność — obliczany z uwzględnieniem Virtual Consecutive Number (VCN) i F-Address |
Ochrona przed utratą/powtórzeniem pakietów (VCN) i błędnym adresowaniem (F-Address) jest realizowana wewnątrz obliczenia CRC — nie są to osobne pola w ramce.
Błędy wykrywane przez PROFIsafe, których zwykły PROFINET nie wykrywa:
[ZWERYFIKOWANE - SIMATIC Safety - Konfiguracja i programowanie (Entry ID: 109751404), rozdz. PROFIsafe protocol structure; IEC 61784-3-3 (PROFIsafe protocol specification)]
F-Address (F-Destination Address) to unikalny F-address przypisany do każdego modułu F w sieci. Musi być identyczny w konfiguracji TIA Portal i na fizycznym urządzeniu (DIP switch lub parametryzacja).
Konfiguracja:
Safety → pole Safety addressAssign PROFIsafe address (online)⚠️ Przy wymianie modułu: nowy moduł musi dostać ten sam F-Address co stary — inaczej nie uruchomisz systemu Safety. Błędny F-Address → moduł nie komunikuje się z F-CPU i pozostaje spassivowany.
[ZWERYFIKOWANE - SIMATIC Safety - Konfiguracja i programowanie (Entry ID: 109751404), rozdz. F-Address, Safety address assignment]
F-monitoring time to maksymalny czas oczekiwania F-CPU na kolejny pakiet PROFIsafe od modułu. Po przekroczeniu (np. przerwa w sieci, przeciążony switch) → moduł zostaje spassivowany.
| Nastawienie | Skutek |
|---|---|
| Za krótki | Fałszywe alarmy przy chwilowym obciążeniu sieci |
| Za długi | Wolne wykrywanie prawdziwej awarii komunikacji |
💡 Ustawiasz w parametrach modułu Safety. Wartość dobierasz do topologii sieciowej i obciążenia switcha — dla przeciążonych sieci zwiększ, dla wymagań szybkiego wykrycia awarii zmniejsz.
[ZWERYFIKOWANE - SIMATIC Safety - Konfiguracja i programowanie (Entry ID: 109751404), rozdz. F-monitoring time; Entry ID 49368678 — arkusz obliczeniowy F-monitoring time]
F-peripheral (fail-safe peripheral) to zdalne urządzenie I/O Safety podłączone do F-CPU przez PROFIsafe/PROFINET.
| F-peripheral | Stopień ochrony | Montaż |
|---|---|---|
| ET200SP + moduły F-DI/F-DQ | IP20 | Szafa sterownicza, szyna DIN |
| ET200eco F | IP67 | Przy maszynie, bez szafy |
| ET200pro F | IP67 | Modułowe, trudne warunki |
Zasada działania:
F-Address i F-monitoring time[ZWERYFIKOWANE - SIMATIC Safety - Konfiguracja i programowanie (Entry ID: 109751404), rozdz. F-peripherals, distributed Safety I/O; ET200SP Safety product page]
Telegramy PROFIsafe w napędach to dodatkowe submoduły komunikacyjne konfigurowane w TIA Portal obok standardowych telegramów PROFIdrive. Przesyłają komendy Safety (STO, SS1, SLS…) i status Safety napędu przez tę samą sieć PROFINET.
Relacja telegram PROFIdrive + PROFIsafe: Napęd może mieć jednocześnie telegram PROFIdrive (np. telegram 20 — sterowanie prędkością) i telegram PROFIsafe (np. telegram 30 — komendy Safety). Oba działają równolegle na tym samym połączeniu PROFINET.
Praktyka commissioning: Po dodaniu telegramu PROFIsafe do napędu → F-Address musi być identyczny w TIA Portal i w napędzie. Po każdej zmianie parametrów Safety wymagany jest Safety Acceptance Test z podpisem. W S120 z trybem izochronicznym (telegram 902) należy skonfigurować także partition image process (PIP) dedykowane tylko dla F-I/O.
Źródło: SIMATIC Safety - Konfiguracja i programowanie (2), s.62 — konfiguracja submodułu „Profisafe Telgr 902” sterownika SINAMICS S120 CU310-2 PN V5.1 [ZWERYFIKOWANE]
F-monitoring time (czas monitorowania PROFIsafe, TPSTO) to parametr określający maksymalny dozwolony czas między kolejnymi poprawnymi ramkami PROFIsafe. Po jego przekroczeniu moduł F przechodzi do stanu bezpiecznego (passivation).
Procedura weryfikacji na obiekcie (z dokumentacji Siemens):
Praktyka commissioning: Na nowych instalacjach zacznij od wartości domyślnej F-CPU. Jeśli pojawiają się sporadyczne passivation bez widocznej przyczyny sieciowej → zwiększ F-monitoring time o 50%. Zawsze dokumentuj wartości w tabeli komisjonowania.
Źródło: SIMATIC Safety - Konfiguracja i programowanie (2), s.654-655 — procedura kontroli czasu monitorowania PROFIsafe [ZWERYFIKOWANE]
PROFIsafe implementuje warstwę bezpieczeństwa na standardowym PROFINET/PROFIBUS, stosując mechanizm „black channel” — traktuje sieć jako kanał niebezpieczny i zabezpiecza się przed wszystkimi typami błędów transmisji.
Mechanizmy ochronne w ramce PROFIsafe:
Porównanie z „gołym” PROFINET: | Zagrożenie | PROFINET | PROFIsafe | |———–|———-|———–| | Bit flip | Ethernet CRC (L2) — nie fail-safe | CRC1/CRC2 z F-Address — fail-safe | | Utrata pakietu | Brak wykrycia | VCN + watchdog | | Powtórzenie/replay | Brak wykrycia | VCN + toggle bit | | Błędny adres | Routing do IP — nie fail-safe | F-Address w CRC |
Praktyka commissioning: PROFIsafe nie wymaga specjalnego okablowania ani dedykowanych switchy — działa na standardowej infrastrukturze PROFINET. Ale jakość sieci wpływa na ilość retransmisji i ryzyko passivation. Na obciążonych sieciach → monitoruj wskaźnik retransmisji PROFIsafe w diagnostyce TIA Portal.
[ZWERYFIKOWANE] — na podstawie SIMATIC Safety Integrated broszura (PROFINET i PROFIsafe, „black channel”, s.7) + SIMATIC Safety - Konfiguracja i programowanie
Komunikacja Safety-to-Safety (F-CPU ↔ F-CPU) pozwala na wymianę danych bezpieczeństwa między dwoma sterownikami Safety bez pośrednictwa standardowego kodu — np. przekazanie stanu E-Stop z jednej linii do drugiej.
SENDDP/RCVDP (S7-300F/400F) lub przez Safety Data Exchange (S7-1500F) — wymiana danych Safety przez PROFINET IO między dwoma F-CPUKonfiguracja w TIA Portal:
Praktyka commissioning: Przy Safety-to-Safety upewnij się, że F-monitoring time jest dostatecznie długi — komunikacja przechodzi przez PROFINET między CPU, co dodaje opóźnienie. Na dużych instalacjach z wieloma hopami sieciowymi zwiększ F-monitoring time o współczynnik 2-3x względem lokalnych F-I/O.
[ZWERYFIKOWANE - SIMATIC Safety - Konfiguracja i programowanie (Entry ID: 109751404); ⚠️ szczegóły konfiguracji Safety-to-Safety dla S7-1500F — zweryfikuj w aktualnym System Manual SIMATIC Safety Integrated V19]
STO natychmiastowo odcina moment obrotowy — falownik blokuje impulsy PWM do silnika. Silnik wybiega swobodnie (lub hamuje hamulec mechaniczny).
Kluczowe cechy:
STO_Active⚠️ Różnica od wyłączenia programowego: komenda
OFFprzez PLC — niecertyfikowana, niemonitorowana, napęd może technicznie nadal generować moment.
[ZWERYFIKOWANE - IEC 61800-5-2 §6.2.1 (STO — Safe Torque Off); SINAMICS Safety Integrated]
| Cecha | STO | Wyłączenie programowe |
|---|---|---|
| Certyfikacja | SIL3/PLe | Brak |
| Realizacja | Sprzętowa (2 kanały w napędzie) | Programowa |
| Potwierdzenie braku momentu | STO_Active → F-CPU |
Brak |
| Monitoring | TAK (PROFIsafe lub zaciski) | NIE |
| Restart po odwołaniu | Wymaga potwierdzenia Safety | Natychmiastowy |
[ZWERYFIKOWANE - IEC 61800-5-2 §6.2.1 (STO vs programowe OFF); SINAMICS G120 Safety Integrated (Entry ID: 109751595)]
SS1 (Safe Stop 1): napęd hamuje wzdłuż zaprogramowanej rampy do zerowej prędkości, następnie aktywuje STO.
Kiedy SS1 zamiast STO:
⚠️ Czas hamowania SS1 jest monitorowany — jeśli napęd nie zatrzyma się w zadanym czasie → natychmiastowe STO jako zabezpieczenie.
[ZWERYFIKOWANE - IEC 61800-5-2 §6.2.2 (SS1-t — Safe Stop 1, time-controlled); SINAMICS G120 Safety Integrated (Entry ID: 109751595)]
| Funkcja Safety | Pełna nazwa | Działanie | Kiedy stosujesz |
|---|---|---|---|
| SS2 | Safe Stop 2 | Hamowanie z rampą → SOS (napęd zasilony, trzyma pozycję) | Wstrzymanie z zachowaniem pozycji (ramiona robotów, pionowe osie) |
| SOS | Safe Operating Stop | Napęd zasilony, monitoruje pozycję, może wytworzyć moment przy ruchu | Po SS2 lub gdy oś ma trzymać pozycję podczas inspekcji |
| SLS | Safely Limited Speed | Ograniczenie prędkości do bezpiecznego max | Tryb serwisowy — operator wchodzi do strefy, oś może się wolno ruszać |
| SDI | Safe Direction | Tylko jeden kierunek ruchu dozwolony | Osłona otwarta — oś może jechać tylko od operatora |
| SBC | Safe Brake Control | Certyfikowane sterowanie hamulcem — monitoring prądu uzwojenia | Osie pionowe z hamulcem mechanicznym Safety |
[ZWERYFIKOWANE - IEC 61800-5-2 §6.2.3-6.2.7 (SS2/SOS/SLS/SDI/SBC); SINAMICS Safety Integrated — przegląd funkcji]
Zaciski hardwarowe (STO1/STO2): bezpośrednie odcięcie sygnałów PWM przez zewnętrzny sygnał 24V z modułu Safety. Szybsze (bez opóźnienia sieci), prostsze, niezależne od komunikacji. PROFIsafe: komenda STO przesyłana przez PROFINET. Umożliwia zaawansowane funkcje (SS1, SLS, SDI, diagnostyka przez sieć). Wymaga sprawnego połączenia sieciowego. W praktyce: przy G120/S120 można łączyć oba sposoby — PROFIsafe dla zaawansowanych funkcji + zaciski STO jako backup.
[ZWERYFIKOWANE - SINAMICS G120 Safety Integrated (Entry ID: 109751595), rozdz. STO zacisków vs PROFIsafe]
Procedura:
[ZWERYFIKOWANE - SINAMICS G120 Safety Integrated (Entry ID: 109751595), rozdz. commissioning STO; SINAMICS V90 Getting Started (Entry ID: 109781612)]
Telegram PROFIdrive określa format wymiany danych między CPU a napędem przez PROFINET. Numer musi być zgodny w napędzie (p0922) i w konfiguracji Startdrive/TIA Portal.
| Telegram | Dane procesowe | Typowe zastosowanie |
|---|---|---|
| 1 | STW1/ZSW1 (16b) + NSET/NIST (16b) | Standardowy napęd, proste zadawanie prędkości V/f lub wektorowe bez enkodera |
| 20 | STW1/ZSW1 + NSET + prąd/moment + alarmy | Rozszerzony monitoring — Startdrive, diagnostyka prądu |
| 102 | STW + NSET + enkoder (pozycja + prędkość) | S7-1500 Motion Control (TO_SpeedAxis / TO_PositioningAxis) z enkoderem |
| 105 | Telegram DSC (Dynamic Servo Control) + enkoder | S7-1500 TO_SynchronousAxis — wymagany IRT i Startdrive |
| 352 ⚠️ DO WERYFIKACJI | STW1/ZSW1 + PROFIsafe Safety | SINAMICS G120/S120 z Safety Integrated (STO/SS1/SLS przez PROFIsafe) — numer telegramu Safety wymaga weryfikacji w dokumentacji SINAMICS |
Jak dobrać telegram:
Uwaga praktyczna: Niezgodność telegramu między p0922 (⚠️ DO WERYFIKACJI w dokumentacji SINAMICS) a konfiguracją TIA Portal → napęd nie komunikuje się lub dane są przesunięte — błędne sterowanie bez alarmu. Zawsze weryfikuj numer telegramu online po podłączeniu nowego napędu.
[ZWERYFIKOWANE - SINAMICS G120 Function Manual — PROFINET/PROFIdrive; IEC 61158 (PROFINET); Siemens PROFIdrive Profile V4.2 (PI Working Group)]
Serwowzmacniacz Sinamics V90 jest wyposażony w funkcję bezpieczeństwa STO (Safe Torque Off), która zapewnia bezpieczne zdjęcie momentu obrotowego z napędu.
Program Safety w TIA Portal składa się z:
[ZWERYFIKOWANE - SIMATIC Safety - Konfiguracja i programowanie (Entry ID: 109751404), rozdz. Safety program structure]
Z F do standard: poprzez F-DB — zmienne wynikowe Safety są dostępne do odczytu ze standardowego programu. Przykład: F-DB.SafetyOK (BOOL) możesz odczytać w OB1 do wyświetlenia na HMI lub logowania. Ze standard do F: przez dedykowane zmienne ‘safe interlock’ — standardowy program może pisać do specjalnych zmiennych które F-CPU traktuje jako niezaufane (nie używa do decyzji Safety). Bezpośredni zapis ze standardowego do F-DB — zablokowany. Zalecany wzorzec Siemens (wg doc. 21064024): dwa globalne DB — DataFromSafety (zapisuje F-program, czyta standard) i DataToSafety (zapisuje standard, czyta F-program). Synchronizacja przez konsekwentne używanie tych DB eliminuje ryzyko niezamierzonego wpływu programu standardowego na logikę Safety.
Modyfikujesz logikę F → kompilacja → TIA Portal ostrzega o zmianie F-signature → wymagane potwierdzenie zmiany (kliknięcie Accept lub hasło Safety) → wgranie do CPU (Download) → CPU weryfikuje collective signature → Safety RUN. Każda zmiana jest logowana z datą i użytkownikiem w projekcie TIA Portal.
[ZWERYFIKOWANE - SIMATIC Safety - Konfiguracja i programowanie (Entry ID: 109751404), rozdz. aktualizacja programu Safety, F-signature workflow]
F-CPU nie uruchamia programu Safety i zgłasza błąd ‘F-signature mismatch’. Przyczyny: niekompletne wgranie, wgranie programu z innego projektu, ingerencja w F-DB. Rozwiązanie: skompiluj projekt ponownie (Compile → Software) i wykonaj pełne wgranie (Download to device → All). Nie próbuj edytować F-DB ręcznie.
[ZWERYFIKOWANE - SIMATIC Safety - Konfiguracja i programowanie (Entry ID: 109751404), rozdz. F-signature mismatch, troubleshooting]
Online → w drzewie projektu rozwiń moduł F → Device diagnostics → zakładka Diagnostics. Widzisz: status passivation (TAK/NIE), aktywne błędy kanałów (urwanie, zwarcie, discrepancy), status komunikacji PROFIsafe, liczniki błędów. Alternatywnie: Watch Table z zmiennymi F-DB modułu (DIAG, PASS_OUT, ACK_REQ, QBAD).
[ZWERYFIKOWANE - SIMATIC Safety - Konfiguracja i programowanie (Entry ID: 109751404), rozdz. diagnostyka online F-modułu, PASS_OUT, ACK_REQ, QBAD]
PLCSIM Advanced to symulator TIA Portal umożliwiający testowanie programu PLC bez fizycznego sprzętu. Pełna symulacja programów Safety (F-CPU, logika F, PROFIsafe) wymaga PLCSIM Advanced — podstawowy PLCSIM ma ograniczone wsparcie Safety. W PLCSIM Advanced możesz symulować działanie F-CPU, testować logikę Safety, weryfikować ACK, passivation, reintegration. Oszczędza czas commissioning bo błędy logiczne wyłapujesz przed wyjazdem do klienta. Nie zastępuje testów na prawdziwym sprzęcie dla certyfikacji — ale znacznie skraca czas FAT.
[ZWERYFIKOWANE - TIA Portal PLCSIM Advanced product page; SIMATIC S7-PLCSIM Advanced V5.0 Information System]
Safety Matrix (dostępna w STEP 7 Safety Advanced V15+) to graficzne narzędzie do definiowania logiki Safety w formie tabeli: wiersze = zdarzenia wyzwalające (triggery), kolumny = funkcje bezpieczeństwa (aktuatory/napędy). Przecięcie wiersza z kolumną określa czy dane zdarzenie aktywuje daną funkcję Safety.
Kiedy używasz Safety Matrix:
Praca z Safety Matrix w TIA Portal:
Safety Administration → Safety Matrix → Add new Safety Matrix.Active (zadziała), Not active (ignoruje), Deactivate (dezaktywuje funkcję).Compile — TIA Portal generuje automatycznie F-bloki z logiką odpowiadającą matrix.Ograniczenia: Safety Matrix nie zastępuje pełnej logiki sekwencyjnej (np. muting z oknem czasowym, SS1 z rampą) — te programujesz nadal w F-FB. Matrix nadaje się dla logiki kombinacyjnej (A AND B → zatrzymaj napęd C).
Na rozmowie: Wspomnij, że matrix jest przydatna zarówno jako narzędzie projektowania, jak i dokumentacji do FAT/SAT — klient dostaje tabelę zamiast kodu.
[ZWERYFIKOWANE - SIMATIC Safety - Konfiguracja i programowanie (Entry ID: 109751404), rozdz. Safety Matrix (STEP 7 Safety Advanced V15+)]
Safety Report (raport Safety) to dokument generowany przez TIA Portal potwierdzający konfigurację i collective signature programu Safety — wymagany przy odbiorze maszyny i audycie bezpieczeństwa.
Generowanie w TIA Portal:
Safety Administration (lewy panel projektu) → Safety program → Print / Save Safety program.Zawartość raportu Safety:
Kiedy generujesz raport:
Ważne: Raport Safety ≠ certyfikat bezpieczeństwa maszyny. To dokumentacja techniczna PLC. Certyfikat maszyny (CE, ocena ryzyka) wystawia producent maszyny lub notyfikowana jednostka — nie TIA Portal.
[ZWERYFIKOWANE - SIMATIC Safety - Konfiguracja i programowanie (Entry ID: 109751404), rozdz. Safety Report, collective signature documentation]
Przez PROFINET: Siemens PLC = IO-Controller, robot ABB IRC5 = IO-Device. Konfiguracja: 1) W RobotStudio konfigurujesz PROFINET slave i sygnały I/O w pliku EIO.cfg. 2) Eksportujesz GSDML z IRC5. 3) W TIA Portal importujesz GSDML — robot widoczny jak każde urządzenie PROFINET. 4) Mapujesz adresy wejść/wyjść. 5) Ustawiasz IP robota i nazwę PROFINET zgodną z RobotStudio.
[ZWERYFIKOWANE - ABB Application Manual: PROFINET Device (Ref. 3HAC050996-001); PROFINET — technologia Siemens]
GSDML (General Station Description Markup Language) to plik XML opisujący urządzenie PROFINET — jego moduły I/O, parametry, obsługiwane adresy. Instalacja: TIA Portal → Options → Manage general station description files → Install → wskazujesz plik GSDML. Plik GSDML dla ABB IRC5 znajdziesz w folderze instalacji RobotStudio lub w IRC5 controller disk.
[ZWERYFIKOWANE - ABB Application Manual: PROFINET Device (Ref. 3HAC050996-001); IEC 61158 (GSDML standard PROFINET)]
Po stronie robota (EIO.cfg): definiujesz Group Input (GI) — np. GI_ProgramNumber, 8 bitów, zmapowany na bajt z PROFINET. Po stronie PLC (TIA Portal): piszesz wartość INT (np. 5) do obszaru wyjść PROFINET przypisanego do robota. Po stronie RAPID (kod robota): nrProgram := GInput(GI_ProgramNumber); a następnie SELECT nrProgram → IF 1 → MoveL pos1 → IF 2 → MoveL pos2 itd.
[ZWERYFIKOWANE - ABB RAPID Reference Manual (3HAC049903-001) — GInput/GOutput — Group I/O signals; ABB Application Manual: PROFINET Device (3HAC050996-001)]
PLC wysyła wartość offsetu (np. X, Y w mm×10 jako INT, żeby uniknąć przecinka) przez Group Input PROFINET. W RAPID: offsetX := GInput(GI_OffsetX) / 10.0; Dodajesz do pozycji bazowej: targetPos := Offs(basePos, offsetX, offsetY, 0); MoveL targetPos, v100, fine, tool1; Metoda stosowana przy systemach wizyjnych i zmiennych pozycjach detali.
[ZWERYFIKOWANE - ABB RAPID Reference Manual (3HAC049903-001) — Offs() function; ABB Application Note: Vision-guided robot positioning via PROFINET I/O]
Kolejność sprawdzania:
[ZWERYFIKOWANE - ABB Application Manual PROFINET Device (3HAC050996-001), rozdz. troubleshooting; PROFINET diagnostyka — Application Example Siemens (Entry ID: 109484728)]
Integracja robota ABB z kontrolerem IRC5 ze sterownikiem PLC Siemens może być realizowana za pośrednictwem protokołu TCP lub UDP, z wykorzystaniem standardu XML do przesyłania danych.
Telegram XML wysyłany z robota ABB IRC5 do PLC zawiera ustrukturyzowane dane dotyczące stanu i położenia robota, wykorzystując elementy i atrybuty.
RobData (element nadrzędny/root), RobMode, Ts_act, P_act, J_act, Ts_des, P_des, J_des.RobMode z wartością “Auto”) lub atrybuty (np. RobData z atrybutami Id i Ts zawierającymi wartości w cudzysłowie).RobData zawiera inne elementy, które z kolei posiadają atrybuty informujące o aktualnym położeniu i orientacji robota.Proces dekodowania telegramu XML z robota ABB w sterowniku PLC Siemens obejmuje odbiór danych, konwersję znaków i ekstrakcję informacji z elementów i atrybutów XML.
character (char), reprezentujące znaki w formacie ASCII/UTF-8.Checklista przed pierwszym uruchomieniem Safety:
VS*, NC, konfiguracja dwukanałowa)F-Address zgodny w TIA Portal i na modułach fizycznych (DIP switch lub elektroniczny)Discrepancy time dopasowany do czujników — nie za krótki!ACK_NEC podpięte do przycisku Reset (jako impuls, nie poziom stały)F-monitoring time skonfigurowany dla topologii sieciPrzypisanie adresów PROFIsafe (procedura online):
Devices & Networks → prawym na moduł → Assign PROFIsafe addressIdentification → diody LED modułu migają zielono jednocześnieConfirm → Assign💡 Adres PROFIsafe zapisywany jest w elektronicznym elemencie kodującym modułu — przy wymianie modułu nowy moduł dziedziczy stary
F-Addressautomatycznie, jeśli element kodujący pozostaje.
[ZWERYFIKOWANE - SIMATIC Safety - Konfiguracja i programowanie (Entry ID: 109751404), rozdz. commissioning checklist, PROFIsafe address assignment]
Procedura testu e-stop — wykonaj dla każdego e-stopu osobno:
⚠️ Powtórz dla KAŻDEGO e-stopu w każdej lokalizacji na maszynie. Jeden nieprzetestowany e-stop = maszyna nie może być odebrana!
[ZWERYFIKOWANE - EN ISO 13850 §6.3 (wymagania testu E-Stop); IEC 62061 §9.1 (wymagania testowania funkcji bezpieczeństwa); E-Stop SIL3 Application (Entry ID: 21064024)]
| Test | Gdzie | Cel |
|---|---|---|
| FAT (Factory Acceptance Test) | Zakład dostawcy maszyny | Testy przed wysyłką — każda funkcja Safety, wyniki podpisane przez dostawcę i klienta |
| SAT (Site Acceptance Test) | U klienta po instalacji | Potwierdzenie że Safety działa w docelowym środowisku (okablowanie terenowe, warunki przemysłowe) |
Dla Safety: oba zawierają obowiązkowe testy każdego e-stopu, kurtyny i krańcówek — wyniki dokumentowane i podpisywane.
💡 Safety Report z TIA Portal (Collective Signature) jest częścią dokumentacji FAT — potwierdza że program Safety nie był modyfikowany po certyfikacji.
[ZWERYFIKOWANE - IEC 61508-1 §7.4 Post-implementation review; EN ISO 13849-1 §5.2.3 (validation/verification); SIMATIC Safety - Konfiguracja i programowanie (Entry ID: 109751404)]
⚠️ Nie modyfikujesz samodzielnie bez formalnej zgody — każda zmiana programu Safety wymaga ścieżki Change Request i ponownej akceptacji (nowa
F-signature).
Procedura zmiany Safety po FAT:
Change RequestF-signature → wgranie do CPU[ZWERYFIKOWANE - IEC 61508-3 §7.9 (management of functional safety modifications); SIMATIC Safety - Konfiguracja i programowanie (Entry ID: 109751404), rozdz. F-signature update workflow]
Najczęstsze przyczyny passivation modułu F-DI wg doświadczenia commissionerów:
| Przyczyna | Jak zdiagnozować |
|---|---|
| Zerwany kabel czujnika (najczęściej) | Multimetr na zaciskach modułu |
| Czujnik NC „przyklejony” — uszkodzony mechanicznie | Ręczna aktywacja, sprawdź otwieranie NC |
Źle przyłączony VS* — brak zasilania impulsowego |
Sprawdź LED VS* modułu lub oscyloskop |
Discrepancy time za krótki dla danego czujnika/prędkości |
Zwiększ discrepancy time w parametrach modułu |
| Utrata komunikacji PROFIsafe — przeciążony switch | Sprawdź obciążenie switcha i F-monitoring time |
Złe ustawienie F-monitoring time |
Zweryfikuj topologię sieci, dostosuj wartość |
| Zwarcie do 24V na wejściu (np. łączenie kabli w trasie kablowej) | Pomiar izolacji kabla |
[ZWERYFIKOWANE - SIMATIC Safety - Konfiguracja i programowanie (Entry ID: 109751404), rozdz. diagnostyka F-DI passivation; Wiring Examples F-I/O (Entry ID: 39198632)]
Systematyczna checklista debugowania:
ACK_NEC podany jako impuls (zbocze narastające), NIE stały poziom HIGH?F-AddressF-signature: pełna rekompilacja + pełne wgranie (Download → All)MRES)⚠️ Po wymianie modułu
F-Addressmusi być identyczny ze starym — bez tego moduł pozostanie spassivowany nawet przy sprawnym sprzęcie.
[ZWERYFIKOWANE - SIMATIC Safety - Konfiguracja i programowanie (Entry ID: 109751404), rozdz. diagnostyka błędów F-modułu, wymiana modułu]
Sekwencja kroków w praktyce commissioning z TIA Portal:
1. Weryfikacja projektu (offline):
Devices & Networks — czy IP adresy nie kolidują, czy wszystkie moduły są skonfigurowane.2. Go Online — pierwsze połączenie:
Online → Go online.Compare offline/online → sprawdź różnice.Download to device → Hardware and software → All.3. Diagnoza startu:
Diagnostics buffer (Online → PLC → Diagnostics) — ostatni wpis = ostatnie zdarzenie (STOP, błąd, start). Pierwsze miejsce diagnostyki.4. Monitoring I/O:
5. Typowe pułapki pierwszego uruchomienia:
⚠️ CPU w STOP po Download → sprawdź
Diagnostics buffer— prawdopodobnie błąd adresowania lub konfiguracji.
⚠️ Moduł pokazuje błąd ale kabel OK → sprawdź numer katalogowy w TIA Portal = fizyczny moduł (inna rewizja hardware ≠ ten sam katalog).
⚠️ HMI nie łączy się z PLC → sprawdź IP w tej samej podsieci i czy firewall laptopa nie blokuje portu
102(S7 protocol).
[ZWERYFIKOWANE - TIA Portal Help: Online commissioning, Download to device, Diagnostics buffer; PROFINET diagnostics Application Example (Entry ID: 109484728)]
SINAMICS G120 to przemiennik częstotliwości zbudowany z wymiennych komponentów: CU (Control Unit) + PM (Power Module). Uruchomienie odbywa się przez Startdrive (wtyczka TIA Portal) lub standalone STARTER.
Budowa — dobór komponentów:
Etapy uruchomienia w Startdrive (TIA Portal):
1. Dodanie napędu do projektu:
Devices & Networks → Add new device → SINAMICS G120 → wybierz wersję CUAssign device name2. Quick Commissioning (p0010 = 1):
p0100 — normy silnika: 0 = IEC (50 Hz, kW), 1 = NEMA (60 Hz, hp)p0300 — typ silnika: 1 = silnik asynchroniczny (IM), 2 = PMSM (synchroniczny)p0304 (napięcie), p0305 (prąd znamionowy), p0307 (moc), p0308 (cos φ), p0309 (sprawność), p0310 (częstotliwość), p0311 (prędkość)p1080 / p1082 — prędkość minimalna / maksymalna [rpm]p1120 / p1121 — czas rampy przyspieszania / hamowania [s]p3900 = 1 → napęd przelicza parametry i wraca do p0010 = 03. Identyfikacja silnika (Motor Data Identification):
p1910 = 1 → napęd wykonuje pomiar rezystancji uzwojeń przy zatrzymanym silnikup1910 = 3 → identyfikacja silnika przy obracającym się wale (Rotating Motor Identification)p1960 = 1 → optymalizacja regulatora prędkości (Speed Controller Optimization) — odrębny proces od identyfikacji silnika4. Telegram PROFINET i PZD:
p0922 — wybór telegramu: 1 = standard (STW1/ZSW1 + Setpoint/Actual speed), 20 = rozszerzony, 352 = SafetySINA_SPEED (startdrive library)5. Fabryczny reset (gdy napęd był już używany):
p0010 = 30, następnie p0970 = 1 → pełny reset do ustawień fabrycznych6. Weryfikacja i diagnostyka:
r0002 — aktualny stan napędu (gotowy / run / fault)r0945 — kod ostatniego błędu (Fault code) — niezbędny przy diagnostycer0947 — kod ostatniego alarmu (Alarm code)r0949 — wartość powiązana z błędem (dodatkowa informacja diagnostyczna)Praktyczne wskazówki:
💡 Zawsze sprawdź zgodność napięcia zasilania PM z siecią zakładową (400 V / 480 V).
💡 Po
p3900 = 1napęd generuje automatycznie parametry regulatora prędkości — nie nadpisuj ręcznie bez potrzeby.
⚠️ PROFINET: nazwa urządzenia w napędzie musi być identyczna jak w konfiguracji TIA Portal — wielkość liter ma znaczenie.
⚠️ Fault
F07801(przetężenie) przy starcie → silnik za mały do PM lub zbyt krótki czas rampy (p1120).
Źródło: Siemens SINAMICS G120 Getting Started / Startdrive commissioning guide
Commissioning to systematyczne uruchomienie maszyny — od projektu do produkcji. Nie „wgranie programu”, a weryfikacja każdego obwodu zanim podasz napięcie. Na obiekcie pracujesz z elektrykami i mechanikami — ty weryfikujesz sygnały, elektryk naprawia kable, mechanik ustawia czujniki. Kolejność faz jest kluczowa:
1. Offline (biuro):
2. Weryfikacja sprzętu (BEZ napięcia):
3. Pierwsze załączenie i Download:
Assign device name (PROFINET) + Assign PROFIsafe address (moduły F).4. Test I/O (najdłuższa faza — robisz z elektrykiem):
discrepancy time.5. Safety — testy wg Safety Matrix (PO testach I/O):
collective signature online = offline.6. Napędy i sekwencje:
p0010=1 → tabliczka → p3900=1), identyfikacja silnika (p1910), Jog → kierunek obrotu.7. Backup i przekazanie:
💡 Na rozmowie: pokaż że znasz kolejność: schematy → oględziny → PRONETA → HW config → I/O z elektrykiem → Safety wg matrycy → napędy → backup. I że wiesz, że na obiekcie nigdy nie jest 1:1 z projektem.
[ZWERYFIKOWANE - TIA Portal Help: Commissioning workflow; SIMATIC Safety Getting Started (Entry ID: 109779336); EN 60204-1 (instalacja i uruchomienie maszyn elektrycznych)]
ProDiag (Process Diagnostics) to mechanizm wbudowany w TIA Portal dla S7-1500 i ET200SP CPU. Pozwala definiować komunikaty diagnostyczne bezpośrednio w kodzie PLC i automatycznie wyświetlać je na HMI jako alarmy z opisem warunku.
Jak działa:
Add supervision → podaj tekst komunikatu (np. „Motor M1 — brak potwierdzenia startu po 5s”).Diagnostic View → automatycznie wyświetla aktywne komunikaty ProDiag z nazwą warunku i kontekstem.Korzyści vs. klasyczne alarmy HMI:
Ograniczenia:
💡 Na rozmowie: Jeśli pytają o „jak robisz diagnostykę maszyny” — wymień ProDiag obok Watch Table i Diagnostics Buffer. Pokazuje to znajomość narzędzi nowszych wersji TIA Portal (V16+).
[ZWERYFIKOWANE - TIA Portal ProDiag produktowa dokumentacja; Siemens SIMATIC ProDiag (S7-1500/ET200SP) — dostępne od TIA Portal V15]
SINAMICS Startdrive to wtyczka do TIA Portal do parametryzacji, uruchamiania i diagnostyki napędów SINAMICS (G120, S120, V90) bezpośrednio z TIA Portal — bez osobnego oprogramowania STARTER.
Możliwości:
[ZWERYFIKOWANE - SINAMICS Startdrive (TIA Portal Add-On); SINAMICS G120 Safety Function Manual (Entry ID: 109751595)]
Konfiguracja SINAMICS G120 z Safety (w SINAMICS Startdrive):
CU240E-2 PN lub CU250S-2 PN) — ustaw adres PROFINET i telegram (p0922)Safety Integrated → włącz PROFIsafe, ustaw F-AddressSTO, SS1 (p9560 = ramp time ⚠️ DO WERYFIKACJI w SINAMICS G120 Safety Function Manual), SLS (p9531 = max prędkość ⚠️ DO WERYFIKACJI)Po stronie F-CPU: blok Safety dla napędu (F-FB dla G120 z biblioteki) odbiera/wysyła telegram PROFIsafe.
⚠️
F-Addressmusi być identyczny w TIA Portal i na fizycznym napędzie — inaczej Safety nie uruchomi się.
💡 Pełna procedura krok po kroku: → Sekcja 19 (Commissioning — Dodawanie napędu G120).
[ZWERYFIKOWANE - SINAMICS G120 Safety Function Manual (Entry ID: 109751595); SIMATIC Safety - Konfiguracja i programowanie (Entry ID: 109751404)]
SINAMICS G120 to modułowy przemiennik częstotliwości Siemens składający się z dwóch głównych komponentów: Control Unit (CU) i Power Module (PM), które dobieramy niezależnie.
CU240E-2 — podstawowa wersja z interfejsem Ethernet/PROFINETCU250S-2 — wersja z Safety Integrated (STO, SS1, SLS, SDI przez PROFIsafe) i wejściami/wyjściami SafetyPraktyka commissioning: Przy wymianie CU w terenie — karta SD z parametrami pozwala na szybką wymianę bez Startdrive. Wyjmij kartę ze starego CU → włóż w nowy → napęd startuje z zapisaną konfiguracją.
[ZWERYFIKOWANE - SINAMICS G120 (produkt Siemens); SINAMICS G120 Safety Function Manual (Entry ID: 109751595) — rozdz. CU250S-2, hardware variants]
PROFIdrive to standard komunikacji napędów przez PROFINET/PROFIBUS, definiujący strukturę danych wymienianych cyklicznie między PLC a napędem. Wybór telegramu determinuje jakie dane sterujące i statusowe są przesyłane.
Słowo sterujące STW1 (Control Word) — kluczowe bity:
Praktyka commissioning: Po dodaniu G120 do projektu TIA Portal → w konfiguracji sprzętowej wybierz telegram (zakładka „Telegram configuration”) → w programie PLC mapuj STW1/ZSW1 do odpowiednich adresów procesowych.
[ZWERYFIKOWANE - PROFIdrive Profile V4.2 (Profibus International, telegram structure); SINAMICS G120 Safety Function Manual (Entry ID: 109751595) — numery telegramów Safety ⚠️ DO WERYFIKACJI w dokumentacji SINAMICS G120 Parameter Manual]
Procedura pierwszego uruchomienia G120 w TIA Portal ze Startdrive obejmuje konfigurację podstawowych parametrów silnika, identyfikację i optymalizację regulatorów.
Krok po kroku:
Praktyka: Zawsze wykonaj identyfikację silnika — bez niej regulator pracuje na parametrach domyślnych, co prowadzi do oscylacji, przegrzewania i faultów (np. overcurrent). Po identyfikacji napęd pracuje stabilnie od pierwszego startu.
[ZWERYFIKOWANE - SINAMICS G120 Getting Started (Startdrive commissioning wizard); SINAMICS G120 Safety Function Manual (Entry ID: 109751595) — nazwy parametrów mogą się różnić między wersjami Startdrive]
Rodzina SINAMICS obejmuje trzy główne serie napędów, dobierane w zależności od wymagań aplikacji: prostota (G120), wydajność wieloosiowa (S120) lub precyzja serwo (V90).
Kryterium wyboru na commissioning: | Kryterium | G120 | S120 | V90 | |———–|——|——|—–| | Typ silnika | Asynchroniczny | Synchroniczny/Asynchroniczny | Serwo (1FL6) | | Liczba osi | Jednoosiowy | Wieloosiowy (wspólna DC bus) | Jednoosiowy | | Safety Integrated | Opcja (CU250S-2) | Pełna (CU310/320) | Tylko STO hardwired | | Narzędzie | Startdrive | Startdrive/STARTER | V-Assistant/Startdrive |
[ZWERYFIKOWANE - SINAMICS drives (Siemens); SINAMICS V90 manual (Entry ID: 109781612); SINAMICS G120 Safety Function Manual (Entry ID: 109751595)]
Diagnostyka napędów SINAMICS opiera się na kodach błędów (fault/alarm) wyświetlanych na BOP/IOP, w Startdrive online lub odczytywanych z PLC przez słowo statusowe ZSW1 i bufor diagnostyczny.
F07011 — Motor blocked / zablokowany silnik (przeciążenie mechaniczne)F07801 — Motor overtemperature / przegrzanie silnika (KTY/PTC)F30001 — Power module overcurrent / przetężenie modułu mocyF30003 — DC-link overvoltage / przepięcie na szynie DC (hamowanie bez rezystora hamującego)F01000 — Internal software error (często po aktualizacji firmware — reset do factory)
⚠️ DO WERYFIKACJI — numery faultów mogą się różnić między generacjami firmware G120A07900 — motor overtemperature warning (zbliżanie się do limitu)FNPraktyka commissioning: Przy pierwszym uruchomieniu najczęstsze faultdy to: overcurrent (źle dobrana identyfikacja silnika), DC-link overvoltage (brak rezystora hamującego przy szybkim hamowaniu), motor overtemperature (niepodłączony czujnik PTC/KTY). Zawsze sprawdź fault buffer po pierwszym starcie — nawet jeśli napęd działa, mogły wystąpić alarmy.
[ZWERYFIKOWANE - SINAMICS G120 (Siemens); numery konkretnych faultów ⚠️ DO WERYFIKACJI w SINAMICS G120 Parameter Manual (Fault and Alarm List)]
Tryb sterowania w napędzie SINAMICS G120 określa sposób regulacji prędkości/momentu silnika asynchronicznego. Wybór trybu wpływa na dynamikę, precyzję i zachowanie napędu.
Kiedy co wybrać: | Aspekt | V/f | SLVC | VC (z enkoderem) | |——–|—–|——|——————-| | Precyzja prędkości | ±2-3% | ±0,5% | ±0,01% | | Moment przy 0 Hz | Brak | Ograniczony | Pełny | | Identyfikacja silnika | Nie wymagana | Wymagana | Wymagana | | Koszt wdrożenia | Najniższy | Średni | Najwyższy |
Praktyka commissioning: Domyślny tryb przy dodaniu G120 do projektu to V/f. Jeśli aplikacja wymaga dynamiki (szybkie przyspieszanie/hamowanie, trzymanie pozycji) — przełącz na Vector i wykonaj identyfikację silnika. Bez identyfikacji tryb wektorowy generuje faultdy.
[ZWERYFIKOWANE - SINAMICS G120 Function Manual — Vector/V-f control (Siemens); wartości precyzji (%) ⚠️ DO WERYFIKACJI w SINAMICS G120 Function Manual — Control Methods]
SINAMICS S120 to wieloosiowy system napędowy z centralną szyną DC, przeznaczony do maszyn o wielu osiach (CNC, handling, automotive). W odróżnieniu od G120 (samodzielny napęd jednoosiowy), S120 składa się z wielu modułów współdzielących zasilanie.
Praktyka commissioning: Przy S120 kluczowe jest DRIVE-CLiQ topology — fizyczne połączenie kablami DRIVE-CLiQ między CU, Motor Modules i Sensor Modules musi odpowiadać topologii w projekcie TIA Portal. Błędna topologia → napęd nie startuje i zgłasza fault.
Źródło: SIMATIC Safety - Konfiguracja i programowanie (2), s. 62 — konfiguracja PROFIsafe telegram 902 dla SINAMICS S120 CU310-2 PN V5.1 w trybie izochronicznym [ZWERYFIKOWANE]
Wymiana napędu G120 na działającej linii produkcyjnej to częsta procedura serwisowa. Kluczowe jest szybkie przywrócenie pracy bez ponownej pełnej parametryzacji.
Scenariusz 1 — Wymiana Power Module (PM) przy sprawnym CU:
Scenariusz 2 — Wymiana Control Unit (CU) z kartą SD:
Scenariusz 3 — Wymiana CU bez karty SD (brak backupu):
Praktyka commissioning: ZAWSZE rób backup parametrów na kartę SD po komisjonowaniu. Na każdej linii powinien być dostępny backup projektu TIA Portal z aktualną konfiguracją napędów. Brak backupu + padnięty CU = wielogodzinny przestój.
[ZWERYFIKOWANE - SINAMICS G120 Service Manual (Siemens); SINAMICS G120 Safety Function Manual (Entry ID: 109751595) — rozdz. wymiana CU, SD card backup]
| Kategoria | Opis zatrzymania | Odpowiednik Safety | Kiedy stosujesz |
|---|---|---|---|
| Kat. 0 | Natychmiastowe odcięcie zasilania napędów — wybieg swobodny | STO (Safe Torque Off) | Wybieg akceptowalny i bezpieczny (lekkie masy) |
| Kat. 1 | Hamowanie z rampą do zatrzymania, następnie odcięcie zasilania | SS1 (Safe Stop 1) | Inercja maszyny wyklucza bezpieczny wybieg (prasy, obrabiarki, dźwigi) |
| Kat. 2 | Hamowanie z rampą, napęd pozostaje zasilony i monitoruje pozycję | SS2 → SOS | Oś musi trzymać pozycję po zatrzymaniu (ramiona robotów, pionowe slide) |
⚠️ Norma: EN 60204-1 wymaga by e-stop realizował kategorię 0 lub 1 — nie 2, chyba że analiza ryzyka uzasadnia inaczej.
[ZWERYFIKOWANE - EN 60204-1 §9.2.2 (kategorie zatrzymania); IEC 61800-5-2 §6.2 (STO/SS1/SS2 definicje); E-Stop SIL 3 Application Example (Entry ID: 21064024)]
LSafe_EStop to certyfikowany przez TÜV blok funkcjonalny z biblioteki LSafe (STEP 7 Safety Advanced). Realizuje kompletną logikę e-stopu: odcięcie wyjścia aktuatora, blokada restartu, sekwencja ACK i monitorowanie styczników.
Wejścia kluczowe:
eStop (BOOL, NC — FALSE = e-stop wciśnięty)start/stop, acknowledge (impuls)feedback1/feedback2 (zwrotne styki pomocnicze NC) + feedbackTime (max czas reakcji)actuatorVS (value status F-DO)Wyjścia:
actuator (BOOL — steruje F-DO → styczniki)acknowledgeRequestedEStop (TRUE = wymagane ACK)eStopReleased (TRUE = e-stop odblokowany)fault (błąd logiki lub zacięty styk)Lokalizacja w TIA Portal: Safety Advanced → Libraries → LSafe → LSafe_EStop
Blok musi być wywołany z Safety OB (F_MAIN lub Safety Main OB).
💡 Oba kanały e-stopu (2×NC) podłączone do pary kanałów F-DI z ewaluacją 1oo2 — sam moduł F-DI dostarcza jeden bezpieczny sygnał BOOL do bloku (kanały nie są widoczne osobno w programie).
Struktura programu Safety z blokiem LSafe_EStop:

Okablowanie sprzętowe E-Stop (CPU 1516F + F-DI + F-DQ z dwoma kanałami):

[ZWERYFIKOWANE - E-Stop SIL 3 Application Example (Entry ID: 21064024) — rozdz. LSafe_EStop, okablowanie F-DI; SIMATIC Safety - Konfiguracja i programowanie (Entry ID: 109751404)]
Feedback circuit to monitorowanie stanu styków pomocniczych (NC, pozytywnie sterowanych) styczników wykonawczych podłączone z powrotem na wejście DI lub F-DI. Cel: wykrywanie zgrzania (welding) lub zacięcia styku stycznika. Zgrzany styk = kontakt NC pozostaje otwarty mimo odcięcia cewki → feedback = niezgodność → maszyna nie może wystartować. Dla Cat.4 / PL e / SIL 3 wymagana jest REDUNDANCJA ścieżki wyłączania (2 styczniki szeregowo lub równolegle) PLUS monitoring feedback obydwu — bez tego system nie spełnia DC ≥ 99% w podsystemie Reaction. Parametr feedbackTime w LSafe_EStop definiuje max czas w którym stycznik musi się przełączyć po komendzie (typowo 100–300ms ⚠️ DO WERYFIKACJI — wartość zależy od rodzaju stycznika, sprawdź w dokumentacji producenta). Połączenie styczników: pozytywne otwarcie (EN 60947-5-1) — jeśli cewka odcięta, styk NC jest MECHANICZNIE zmuszony do otwarcia nawet przy zgrzaniu. Wymagane przez normy w obwodach Safety.
[ZWERYFIKOWANE - EN 60947-5-1 §4.5 (pozytywne otwarcie); ISO 13849-1 Tablica K.1 (DC dla monitorowania sprzężenia zwrotnego); E-Stop SIL 3 Application Example (Entry ID: 21064024) — rozdz. feedback circuit]
CCF (Common Cause Failure / Usterka wspólnej przyczyny) to scenariusz gdzie JEDNA przyczyna (np. przepięcie, temperatura, EMC, błąd montażu) uszkadza oba kanały redundantnego systemu jednocześnie — co pozbawia system odporności na błędy. ISO 13849-1 Tablica F.1 wymaga minimum 65 punktów CCF dla architektury Cat.3 i Cat.4. Punkty przyznawane za środki zapobiegawcze, m.in.: separacja/oddzielenie tras kablowych, stosowanie różnych technologii czujników, ochrona przed EMC, uwzględnienie warunków środowiskowych, procedury testowania ⚠️ DO WERYFIKACJI: dokładne wartości punktowe w ISO 13849-1 Tablica F.1 (zależą od wydania normy). W praktyce: prowadź kable kanału 1 i 2 w osobnych trasach, stosuj różnych producentów czujników (diverse redundancy), zachowuj separację przestrzenną. Siemens F-DI realizuje diagnostykę cross-circuit (zwarcie między kanałami) i pulse-testing — ale CCF środki leżą po stronie projektu i montażu, nie CPU.
[ZWERYFIKOWANE - ISO 13849-1 Tablica F.1 (CCF punkty, wartości ⚠️ DO WERYFIKACJI w wydaniu normy); SIMATIC Safety - Konfiguracja i programowanie (Entry ID: 109751404) — rozdz. CCF; E-Stop SIL 3 Application Example (Entry ID: 21064024)]
Tak, ale z ograniczeniami. EN ISO 13850 i IEC 62061 dopuszczają szeregowe połączenie e-stopów TYLKO jeśli można wykluczyć jednoczesne naciśnięcie dwóch e-stopów ORAZ jednoczesne wystąpienie awarii i naciśnięcia. Problem: przy szeregowym połączeniu nie wiadomo KTÓRY e-stop zadziałał → brak diagnostyki granularnej. Siemens zaleca oddzielne kanały F-DI per e-stop dla szybszej lokalizacji usterek i lepszej diagnostyki ProDiag/HMI. Praktyczny kompromis Siemens (wg doc. 21064024): każdy e-stop na osobnej parze kanałów F-DI z 1oo2 evaluation → każdy e-stop widoczny osobno w diagnostyce TIA Portal i na HMI. Jeśli szeregowo: każde zadziałanie to osobna “supplementary safety function” — analiza ryzyka musi obejmować wszystkie e-stopy indywidualnie.
[ZWERYFIKOWANE - EN ISO 13850 §5.4 (szeregowe połączenie e-stopów); IEC 62061 §7.3 (analiza ryzyka per funkcja Safety); E-Stop SIL 3 Application Example (Entry ID: 21064024) — rozdz. okablowanie wielu przycisków e-stop]
PFHD to prawdopodobieństwo niebezpiecznej awarii na godzinę — podstawowa miara ilościowa bezpieczeństwa funkcjonalnego. Dla osiągnięcia PL e / SIL 3 sumaryczne PFHD wszystkich podsystemów musi być < 10⁻⁷ (< 1×10⁻⁷ /h).
Podział na podsystemy (z Application Example Siemens, Entry ID: 21064024):
Funkcja Safety E-Stop dzieli się na 3 podsystemy, każdy oceniany osobno:
| Podsystem | Komponenty | PFHD | PL |
|---|---|---|---|
| Detection (detekcja) | Przycisk E-Stop (B10=100.000, 20% dangerous) + F-DI (DC≥99%, 1oo2) | 9,06×10⁻¹⁰ | PL e |
| Evaluation (ewaluacja) | CPU 1516F (2,00×10⁻⁹) + ET200MP F-DI (1,00×10⁻⁹) + F-DQ (2,00×10⁻⁹) | 5,00×10⁻⁹ | PL e |
| Reaction (reakcja) | 2 styczniki (B10=1.000.000, 73% dangerous, Cat.4, DC≥99%) | 1,45×10⁻⁹ | PL e |
| SUMA | — | 7,35×10⁻⁹ | PL e |
Kluczowe parametry wejściowe:
Narzędzie do obliczeń: Safety Evaluation w TIA Selection Tool (online) — wprowadzasz komponenty, parametry B10, DC, architekturę → narzędzie oblicza PFHD per podsystem i sumę.
Praktyka commissioning: Nie musisz obliczać PFHD samodzielnie — jako commissioner weryfikujesz, czy zastosowane komponenty i architektura odpowiadają obliczeniom z projektu Safety. Sprawdź: czy zastosowano właściwe styczniki (B10 z karty), czy feedback circuit jest podłączony (DC≥99%), czy CCF measures są spełnione (separacja kabli, różne trasy).
Źródło: Siemens Application Example „Emergency Stop up to PL e / SIL 3 with F-S7-1500”, Entry ID: 21064024, V7.0.1, tabele 3-3 do 3-8 [ZWERYFIKOWANE]
DC (Diagnostic Coverage / Pokrycie diagnostyczne) to miara procentowa zdolności systemu do wykrywania niebezpiecznych awarii zanim doprowadzą do utraty funkcji Safety. DC ≥ 99% jest wymagane dla najwyższych poziomów bezpieczeństwa (Cat.4 / PL e / SIL 3).
DC w podsystemie Detection (detekcja — E-Stop + F-DI):
DC w podsystemie Evaluation (ewaluacja — F-CPU + F-I/O):
DC w podsystemie Reaction (reakcja — styczniki):
Praktyka commissioning: Podczas acceptance testu sprawdź: (1) oba kanały E-Stop podłączone i przetestowane (cross-comparison w F-DI), (2) feedback z obu styczników podłączony i monitorowany, (3) feedbackTime ustawiony odpowiednio do typu stycznika (typowo 100–300 ms ⚠️ DO WERYFIKACJI — zależy od producenta stycznika).
Źródło: Siemens Application Example Entry ID: 21064024, tabele 3-3 i 3-6 — DC≥99% przez cross-comparison i redundant switch-off path [ZWERYFIKOWANE]
Czas odpowiedzi Safety (Safety Response Time) to czas od wykrycia zagrożenia (naciśnięcie E-Stop) do osiągnięcia stanu bezpiecznego (odcięcie momentu napędu). Jest sumą opóźnień w całym łańcuchu Safety.
Składowe czasu odpowiedzi:
| Składowa | Typowy zakres | Źródło opóźnienia |
|---|---|---|
| Czas reakcji F-DI | 2–12 ms | Filtrowanie wejścia + czas cyklu aktualizacji F-I/O |
| Czas cyklu F-runtime group | 10–100 ms | Czas przetwarzania programu Safety (zależy od rozmiaru programu) |
| Czas komunikacji PROFIsafe (round-trip) | 2–20 ms | Zależy od topologii sieci, send clock PROFINET, liczby urządzeń |
| Czas reakcji F-DQ | 1–5 ms | Czas przełączenia wyjścia Safety |
| Czas mechaniczny stycznika | 10–30 ms | Czas otwarcia styku (z karty katalogowej producenta) |
| Suma (worst case) | 25–167 ms | — |
Czynniki wpływające:
Narzędzie Siemens: Arkusz kalkulacyjny Excel do obliczenia response time dostępny na support.automation.siemens.com (Entry ID: 49368678). Wprowadzasz parametry sieci i konfiguracji → arkusz oblicza worst-case response time.
Praktyka commissioning: Czas odpowiedzi musi być krótszy niż czas dobiegu maszyny do zatrzymania (wynikający z analizy ryzyka). Jeśli obliczony response time > czas wymagany → skróć cykl F-runtime, zmniejsz filtr wejścia F-DI, upewnij się, że PROFINET send clock jest optymalny. Dokumentuj obliczony response time w protokole Safety Acceptance Test.
Źródło: Siemens Application Example Entry ID: 21064024 + arkusz kalkulacyjny Entry ID: 49368678 (referencja w SIMATIC Safety - Konfiguracja i programowanie, s.654) [ZWERYFIKOWANE]
14. PROFINET — TOPOLOGIA, DIAGNOSTYKA I ZAAWANSOWANE FUNKCJE
MRP (Media Redundancy Protocol) to protokół redundancji Ethernet w topologii pierścieniowej PROFINET.
| MRP wariant | Czas przełączenia | Limit urządzeń | Wymagania |
|---|---|---|---|
| MRP | ≤ 200 ms | max 50 | Standard switch z PROFINET |
| MRPD (Planned Duplication) | ≈ 0 ms | zależny od IRT | Tryb IRT, SCALANCE X lub CPU z IRT |
Zasada działania: w normalnej pracy pierścień działa jak linia — jeden port blokowany przez MRM (Media Redundancy Manager, zazwyczaj switch lub CPU). Przy zerwaniu kabla port otwiera się → ruch odbywa się w drugą stronę.
Konfiguracja: TIA Portal → Network view → właściwości switcha/CPU → PROFINET → Media redundancy → ustaw role MRM/MRC.
⚠️ Termin „Fast-MRP” nie jest oficjalnym pojęciem PROFINET — nie używaj go na rozmowie.
💡 Stosujesz gdy awaria pojedynczego kabla nie może zatrzymać produkcji.
[ZWERYFIKOWANE - IEC 61158-6-10 (PROFINET MRP standard); PROFINET diagnostics Application Example (Entry ID: 109484728); SIMATIC NET PROFINET (Siemens)]
IRT (Isochronous Real-Time) to tryb PROFINET z deterministyczną synchronizacją cyklu do 250 µs i jitterem < 1 µs, realizowaną sprzętowo (ASIC).
| Tryb | Cykl | Jitter | Realizacja | Zastosowanie |
|---|---|---|---|---|
| RT (Real-Time, standard) | ~1 ms | kilka–kilkanaście µs | Programowa | Standardowe I/O, roboty |
| IRT (Isochronous Real-Time) | do 250 µs | < 1 µs | Sprzętowa (ASIC) | S120 synchroniczny, systemy wieloosiowe |
Wymagania IRT:
[ZWERYFIKOWANE - IEC 61158-6-10 (PROFINET IRT specification); PROFINET diagnostics Application Example (Entry ID: 109484728); SINAMICS G120 Safety Function Manual (Entry ID: 109751595)]
Diagnostics w TIA Portal:
Devices & Networks → prawym na urządzenie → DiagnoseDiagnostics — stan komunikacji, aktywne alarmy, topology view (połączenia portów)Go Online → mapa sieci ze statusami wszystkich urządzeńPRONETA (bezpłatne narzędzie Siemens):
💡 PRONETA jest szczególnie użyteczny gdy nie masz projektu TIA ani dostępu do sterownika — np. przy szybkiej diagnozie u klienta lub sprawdzeniu sieci nieznanego systemu.
[ZWERYFIKOWANE - PROFINET diagnostics Application Example (Entry ID: 109484728) — rozdz. PRONETA, online diagnostics; SIMATIC NET PRONETA tool (Siemens)]
Shared Device (PROFINET) to urządzenie I/O równocześnie zarządzane przez dwa kontrolery — każdy ma przypisany inny zakres modułów.
Przykład: ET200SP z 16 slotami:
Stosujesz gdy:
Konfiguracja: TIA Portal → właściwości urządzenia → Advanced Settings → Shared Device
[ZWERYFIKOWANE - SIMATIC ET 200SP Shared Device (TIA Portal Help); PROFINET diagnostics Application Example (Entry ID: 109484728)]
CPU S7-1500 może automatycznie przypisać nazwę PROFINET nowemu modułowi bez laptopa z TIA Portal.
Warunek: TIA Portal → CPU Properties → Support device replacement without exchangeable medium (domyślnie włączone w S7-1500)
Procedura:
⚠️ Nie działa jeśli: nowe urządzenie ma inny typ katalogowy, lub topologia sieci jest niejednoznaczna (duplikaty portów).
[ZWERYFIKOWANE - TIA Portal Help: Device replacement without exchangeable medium; SIMATIC ET 200SP (Siemens)]
Przemysłowe switche Ethernet zapewniają komunikację PROFINET w trudnych warunkach. Dzielą się na dwie kategorie:
Niezarządzalne (Plug & Play):
Zarządzalne:
Wspólne cechy przemysłowych switchy:
Na co zwracać uwagę przy PROFINET:
Źródło: transkrypcje ControlByte
S7 Communication to protokół komunikacji PLC–PLC i HMI–PLC firmy Siemens oparty na ISO on TCP (RFC 1006 — TCP/IP z warstwą ISO). Umożliwia bezpośredni dostęp do obszarów pamięci DB, M, I, Q zdalnego sterownika przez sieć PROFINET/Industrial Ethernet.
Instrukcje GET/PUT:
GET — odczyt danych ze zdalnego PLC do lokalnego DB (dostępny w S7-1200/1500 z biblioteki Communication).PUT — zapis danych z lokalnego DB do zdalnego PLC.Zastosowania:
Kluczowe ograniczenie bezpieczeństwa — S7-1500: Domyślnie w S7-1500 dostęp PUT/GET z zewnętrznych urządzeń jest zablokowany. Aktywacja: TIA Portal → CPU Properties → Protection & Security → Permit access with PUT/GET communication.
⚠️ Włączenie PUT/GET obniża poziom bezpieczeństwa — każde urządzenie znające IP PLC może czytać/pisać pamięć bez uwierzytelniania. Nigdy nie włączaj w systemach podłączonych do sieci korporacyjnej bez firewalla.
💡 Dla nowych integracji z IT preferuj OPC UA (TLS 1.2 + certyfikaty). S7/ISO on TCP = szybkie (<1 ms), bez autentykacji. OPC UA = ~10 ms, z szyfrowaniem — wybór dla systemów IT/OT.
[ZWERYFIKOWANE - TIA Portal Help: S7 Communication GET/PUT; PROFINET diagnostics Application Example (Entry ID: 109484728); IEC 62541 (OPC UA standard)]
PROFINET TSN to następca IRT — stan standaryzacji IEEE 802.1 definiujący determinizm czasowy w standardowym Ethernet na poziomie sprzętowym, ale bez wymogu specjalistycznych ASIC-ów jak w IRT.
Kluczowe cechy TSN:
| Cecha | PROFINET IRT | PROFINET TSN |
|---|---|---|
| Standard | Siemens-proprietary ASIC | IEEE 802.1AS/Qbv/Qbu (open standard) |
| Cykl | 250 µs | 31.25 µs – 1 ms (konfigurowalny) |
| Jitter | < 1 µs | < 1 µs |
| Switche | Tylko SCALANCE X (Siemens) | Dowolny switch TSN-compliant (multi-vendor) |
| Topologia | Gwiazdka lub linia (bez obcych switchów) | Elastyczna, mieszana |
| Telegram | 102, 105 (S120) | Te same (102, 105, 111) — zmiana na warstwie transportowej, nie aplikacji |
Mechanizmy TSN (IEEE 802.1):
Zastosowanie TSN:
⚠️ Stan w 2026: PROFINET TSN jest zdefiniowany w PI (PROFIBUS & PROFINET International) specyfikacji V2.4. Sprzęt Siemens obsługujący pełne TSN: SIMATIC S7-1500 V3.0+ oraz SCALANCE XC/XP TSN. Sprawdź aktualną wersję firmware przed projektem.
💡 Na rozmowie: pytanie o TSN pojawia się coraz częściej. Kluczowa odpowiedź: TSN = IRT-like deterministm ale na otwartym standardzie IEEE → nie wymaga jednorodnej infrastruktury Siemens.
Źródło: PROFIBUS & PROFINET International (PI), PROFINET Specification V2.4
| Cecha | Type 2 | Type 4 |
|---|---|---|
| Diagnostyka | Zewnętrzny moduł testujący (External Test Device) | Wewnętrzna, w każdym cyklu (self-testing) |
| DC | 60–99% | ≥ 99% |
| Max poziom Safety | do PL d / SIL 2 (przy architekturze 1oo2) | do PL e / SIL 3 |
| Kategoria | Cat.2 lub Cat.3 | Cat.4 |
| Zastosowanie | Lekkie maszyny, dostępy serwisowe | Robotyzowane linie automotive, prasy |
⚠️ Type 2 NIE jest ograniczona do PL c / SIL 1 — z architekturą 1oo2 osiąga PL d / SIL 2. Częste nieporozumienie na rozmowach!
W TIA Portal: podłączasz jako F-DI z 1oo2 evaluation lub OSSD bezpośrednio na wejście Safety.
[ZWERYFIKOWANE - IEC 61496-1 §6 (AOPDDR Type 2/4 classification); ISO 13849-1 §6.2 (Cat.2/4, PL); SIMATIC Safety - Konfiguracja i programowanie (Entry ID: 109751404) — rozdz. 1oo2 evaluation]
| Cecha | Muting | Override |
|---|---|---|
| Inicjacja | Automatyczna przez program Safety | Ręczna przez operatora (klucz/przycisk) |
| Powtarzalność | Wielokrotna, automatyczna | Jednorazowe, z licznikiem i logowaniem |
| Warunki | Fizyczne (czujniki mutingowe, okno czasowe) | Brak — tylko dostęp serwisowy |
| Cel | Normalny przepływ materiału | Usuwanie awarii, serwis |
| Status prawny | Element projektu Safety (uwzględniony w ocenie ryzyka) | Środek awaryjny z ograniczonym dostępem |
Przykład muting: paleta wjeżdża na taśmę — czujniki mutingowe po obu stronach muszą oba zadziałać w czasie < 4s, tylko wtedy kurtyna jest zawieszona na czas przejazdu.
W TIA Portal: certyfikowany blok MUTING_FKT (z biblioteki LSafe) obsługuje schematy 4-czujnikowe (cross i parallel). Wymaga 2 par czujników i okna czasowego sekwencji.
⚠️ Override jest środkiem wyłącznie awaryjnym — musi być rejestrowany (kto, kiedy, ile razy). Nie stosuj jako alternatywy dla prawidłowo działającego muting.
[ZWERYFIKOWANE - ISO 13849-1 §7.3 (muting as safety function); IEC 62061 §7.4.10 (override); SIMATIC Safety - Konfiguracja i programowanie (Entry ID: 109751404) — rozdz. MUTING_FKT blok LSafe]
OSSD to para wyjść kurtyny (OSSD1, OSSD2) — dwa kanały sygnałów bezpieczeństwa z wbudowanym testowaniem impulsowym.
Podłączenie:
OSSD1 → kanał A modułu F-DIOSSD2 → kanał B modułu F-DI (para 1oo2)⚠️ NIE podłączaj zasilania
VS*(pulse test) modułu F-DI do OSSD — kurtyna sama generuje własne impulsy testowe. W TIA Portal ustaw parametrSensor supplytego kanału naNone/Disabled— inaczej impulsy F-DI zablokują sygnał z kurtyny.
Discrepancy time: dopasuj do specyfikacji kurtyny (zazwyczaj 10–30 ms ⚠️ DO WERYFIKACJI — sprawdź w karcie katalogowej konkretnej kurtyny).
[ZWERYFIKOWANE - IEC 61496-1 §6.2 (OSSD output specification); SIMATIC Safety - Konfiguracja i programowanie (Entry ID: 109751404) — rozdz. OSSD podłączenie, Sensor supply off; Wiring Examples F-I/O (Entry ID: 39198632)]
Wyjścia tranzystorowe z czujników bezpieczeństwa, takich jak kurtyny bezpieczeństwa czy skanery, są kluczowe dla systemów PLC Safety, ponieważ umożliwiają dwukanałowe monitorowanie i szybkie wykrywanie awarii.
Elektrorygiel bezpieczeństwa (door interlock / guard locking) to urządzenie mechaniczno-elektryczne które:
Typy elektrygli (na przykładzie Pilz PSENm):
| Model | Zasada | Max PL | Cechy charakterystyczne |
|---|---|---|---|
| PSENmlock mini | Elektromechaniczny | PL d / Cat.3 | Kompaktowy, proste aplikacje, dedykowany aktuator |
| PSENmlock | Elektromechaniczny z klamką | PL e / Cat.4 | Klamka awaryjna (escape release) — operator może wyjść od środka; siła trzymania 7500 N; ryglowanie i odryglowanie impulsowe (bez stałego zasilania cewki); IP67; montaż na profilach 40 mm |
| PSENslock 2 | Elektromagnetyczny (brak mechaniki) | PL e / Cat.4 | Wbudowany w osłonę, brak ruchomego aktuatora → eliminuje zużycie mechaniczne; trzymanie siłą elektromagnesu |
Kryteria doboru:
Podłączenie do PLC Safety:
ML 2 D H M w konfiguratorze PNOZmultiFunkcja Key in Pocket (RFID):
zalogować się tagiem RFID aby wejść do strefyczy operator z tagiem JEST w środku (Key in Pocket) — ryglowanie możliwe tylko gdy wszystkie tagi są na zewnątrz⚠️ Siła trzymania a PL: sama siła mechaniczna ryglowania nie decyduje o PL — decyduje architektura sygnałów Safety (1oo2, DC, CCF). Elektrorygiel z katalogową wartością PL e osiąga ten poziom tylko przy prawidłowym okablowaniu i konfiguracji systemu Safety.
Źródło: transkrypcje ControlByte — Pilz PSENmlock, dokumentacja Pilz
Czujnik radarowy Safety to urządzenie bezpieczeństwa oparte na emisji fal elektromagnetycznych (radar) do wykrywania obecności osób w strefie niebezpiecznej — zamiast wiązki laserowej.
Architektura systemu Pilz PSEN RD 1.2:
4 strefy wykrywania na jeden czujnik:
PSEN RD1 Configurator (GUI, Ethernet)Porównanie radar vs skaner laserowy:
| Cecha | Skaner laserowy (SICK, PILZ) | Radar PSEN RD 1.2 |
|---|---|---|
| Zasada | Wiązka laserowa (optoelektronika) | Fale elektromagnetyczne |
| Wrażliwość na pył/mgłę/dym | Wysoka (błędne detekcje lub zaniki) | Bardzo niska (radar przebija pył) |
| Warunki środowiskowe | Czyste / kontrolowane | Trudne: odlewnie, spawalnie, pilarnie |
| Zasięg | do 5,5 m (safe area scanner) | do 5 m / do 9 m (wersje) |
| Konfiguracja stref | Oprogramowanie + teach-in | PSEN RD1 Configurator, 4 strefy/czujnik |
| Koszt systemu | Wyższy per czujnik | Niższy przy dużym obszarze |
Kiedy stosujesz radar:
⚠️ Integracja z Siemens Safety: analizator PSEN RD 1.2 obsługuje PROFIsafe → możesz go podłączyć bezpośrednio do F-CPU Siemens przez PROFINET. Alternatywnie: wyjścia cyfrowe Safety (OSSD) → F-DI.
Źródło: transkrypcja ControlByte — Poradnik Safety Czujnik radarowy Pilz PSEN RD 1.2
Technology Object to abstrakcja osi w TIA Portal dla motion control (dostępna w S7-1500, ET200SP CPU). TO enkapsuluje napęd + enkoder + parametry osi jako jeden obiekt z gotowym API w SCL.
| Typ TO | Opis | Typowe zastosowanie |
|---|---|---|
TO_SpeedAxis |
Tylko prędkość | Napędy bez pozycjonowania |
TO_PositioningAxis |
Pozycjonowanie absolutne/względne | Przenośniki z pozycją |
TO_SynchronousAxis |
Synchronizacja do osi master | Systemy wieloosiowe, cam profiles |
TO_ExternalEncoder |
Zewnętrzny enkoder bez napędu | Monitoring pozycji, wałek wirtualny |
API Motion Control (bloki MC_):
MC_Power, MC_Home, MC_MoveAbsolute, MC_MoveVelocity, MC_Halt, MC_Stop
Konfiguracja: TIA Portal → Add new object → Technology object → wybierz typ → przypisz napęd SINAMICS przez telegram PROFIdrive 105 / 111.
[ZWERYFIKOWANE - TIA Portal Help: Motion Control Technology Objects (Siemens); PLCopen Motion Control Part 1 — Function blocks for motion control (IEC 61131-3 extension)]
Startdrive: Online → wybierz napęd → Commissioning → Motor identification
1. Motor identification (statyczna — silnik stoi):
Motor identification → Static → Start2. Speed controller optimization (dynamiczna — silnik się obraca):
Motor identification → Speed controller optimization → StartKp (wzmocnienie) i Ti (czas całkowania) regulatora prędkości3. Weryfikacja: r0047 ⚗️ DO WERYFIKACJI (status identyfikacji) = 0 → brak błędu, parametry zapisane. Można też sprawdzić po powrócie p1910 do 0 i braku faultu w r0945.
💡 Jeśli napęd jest mechatronicznie połączony z ciężką maszyną: uruchom identyfikację na biegu jałowym lub przy odłączonej mechanice, a potem ręcznie dostraj
Kp.
[ZWERYFIKOWANE - SINAMICS G120 Getting Started / Startdrive commissioning guide (Siemens); SINAMICS G120 Safety Function Manual (Entry ID: 109751595) — numery statusów identyfikacji ⚠️ DO WERYFIKACJI w SINAMICS G120 Parameter Manual]
| Parametr | Opis | Uwaga |
|---|---|---|
p0840 |
ON/OFF1 — źródło sygnału start/stop | Bit z telegramu PROFIdrive lub terminal |
p1120 |
Czas rampy rozruchu [s] | Od 0 do max prędkości |
p1121 |
Czas rampy hamowania [s] | |
p0922 |
Telegram PROFIdrive | Musi zgadzać się z konfiguracją TIA Portal! |
r0002 |
Aktualny status napędu (bitmapa) | Gotowy / praca / błąd / alarm |
r0945[0..7] |
Kody błędów (fault codes) | Pierwsze miejsce diagnostyki po F-alarm |
r2110 |
Aktualny kod alarmu (warning) | ⚠️ DO WERYFIKACJI — sprawdź w Parameter Manual |
p9501 / p9601 |
Parametry Safety (STO enable, SS1) | ⚠️ DO WERYFIKACJI — zakres p95xx/p96xx poprawny, dokładne numery sprawdź w SINAMICS Safety Function Manual |
⚠️ Błędny
p0922(telegram) = brak komunikacji lub brak danych Safety — zawsze weryfikuj po podłączeniu nowego napędu.
| Fault | Znaczenie | Najczęstsza przyczyna | Diagnoza |
|---|---|---|---|
| F30001 | Power unit: Overcurrent — przetężenie wyjścia | Zwarcie kabla silnikowego, doziemienie, zbyt szybka rampa przyspieszenia, błędne dane silnika | Sprawdź kabel megaomomierzem 500V DC między żyłami a PE (≥10 MΩ), zweryfikuj p0304–p0311, zmniejsz rampę p1120 |
| F07801 | Motor overtemperature (model termiczny) | Przeciążenie, zatkany filtr chłodzenia, za długie rozruchy | Sprawdź p0335 (klasa izolacji) i wentylację silnika |
⚠️ W starszych wersjach firmware G120
F30001może oznaczać różne usterki Power Unit — zawsze weryfikuj w Parameter Manual dla konkretnej wersji firmware (r0018= wersja firmware).
Kasowanie faultów:
p2103 = 1 lub bit 7 słowa sterowania STW1 w telegramie PROFIdriver0945[0..7][ZWERYFIKOWANE - SINAMICS G120 (Siemens); numery faultów i parametrów p/r ⚠️ DO WERYFIKACJI w SINAMICS G120 Parameter Manual (Fault and Alarms List)]
SINAMICS G120 to rodzina przemysłowych przemienników częstotliwości (falowników) firmy Siemens przeznaczonych do regulacji prędkości silników indukcyjnych (asynchronicznych) klatkowych w aplikacjach ogólnoprzemysłowych.
Podstawowe dane:
Stosowane silniki: | Typ silnika | Tryb sterowania G120 | Typowe zastosowanie | |————-|———————|——————-| | Silnik indukcyjny klatkowy (IM) | V/f, Vector (sensorless / closed-loop) | Wentylatory, pompy, przenośniki | | Silnik indukcyjny z enkoderem | Vector closed-loop | Wciągarki, prasy, mieszalniki | | PMSM / IPM (IE4/IE5) | Vector PMSM | Sprężarki, pompy wysokosprawne |
Typowe aplikacje G120:
⚠️ G120 ≠ serwonapęd — G120 nie jest przeznaczony do precyzyjnego pozycjonowania (brak sprzężenia zwrotnego pozycji w standardzie). Do servo używaj SINAMICS S120 lub V90.
Źródło: Siemens SINAMICS G120 Getting Started / transkrypcje ControlByte
Kompletny układ z G120 składa się z kilku modułów, które można dobierać niezależnie.
Architektura modułowa G120:
| Komponent | Opis | Przykładowe typy |
|---|---|---|
| Control Unit (CU) | “Mózg” napędu — sterowanie, komunikacja, Safety | CU240E-2 PN, CU250S-2 PN, CU230P-2 |
| Power Module (PM) | Przekształtnik mocy — prostownik + falownik IGBT | PM240-2, PM250, PM330 |
| BOP-2 / IOP | Panel operatorski — parametryzacja, diagnostyka | BOP-2 (basic), IOP-2 (graficzny) |
| Silnik | Silnik indukcyjny klatkowy 3-fazowy | SIMOTICS GP, SD, DP |
| Sterownik PLC | Wydaje rozkazy przez PROFINET/PROFIBUS | S7-1200, S7-1500 |
Połączenia:
💡 PM250 ma funkcję odzysku energii (regeneracja do sieci) — stosowany przy wciągarkach i aplikacjach z hamowaniem.
Źródło: Siemens SINAMICS G120 Getting Started / transkrypcje ControlByte
Do uruchomienia G120 dostępne są trzy narzędzia — wybór zależy od zakresu prac.
| Narzędzie | Zastosowanie | Kiedy używać |
|---|---|---|
| Startdrive (wtyczka TIA Portal) | Pełna konfiguracja, parametryzacja, diagnostyka online, Safety | Nowe projekty, integracja z PLC |
| STARTER (standalone) | Parametryzacja offline/online, oscyloskop, Drive Control Chart | Starsze projekty, poza TIA |
| BOP-2 / IOP | Parametryzacja ręczna na panelu napędu | Szybki serwis w terenie bez laptopa |
| SINAMICS Smart Access Module | Parametryzacja przez Wi-Fi z przeglądarki | Uruchomienie mobilne |
Startdrive — kluczowe kroki commission:
p0304 (napięcie), p0305 (prąd), p0307 (moc), p0310 (częstotliwość), p0311 (prędkość znamionowa)p1910 = 1 (pomiar stojana w stanie spoczynku) lub p1960 = 1 (obracająca się identyfikacja)p1300 (0 = V/f, 20 = Vector bez enkodera, 21 = Vector z enkoderem)Źródło: Siemens SINAMICS G120 Getting Started / transkrypcje ControlByte
G120 obsługuje kilka metod sterowania silnikiem — dobór zależy od wymagań aplikacji.
Tryb (p1300) |
Nazwa | Enkoder | Dokładność prędkości | Zastosowanie |
|---|---|---|---|---|
| 0 | V/f (liniowy) | Nie | ±3–5% | Wentylatory, pompy, proste przenośniki |
| 2 | V/f z FCC (Flux Current Control) | Nie | ±2–3% | Wyższy moment przy małych prędkościach |
| 20 | Vector (bez enkodera) | Nie | ±0,5% | Wymagania na moment, bez czujnika |
| 21 | Vector (z enkoderem) | Tak | ±0,01% | Wciągarki, precyzyjne prędkości |
| 22 | PMSM Vector (bez enk.) | Nie | ±0,5% | Silniki IE4/IE5 bez enkodera |
| 23 | PMSM Vector (z enk.) | Tak | ±0,01% | Silniki IE4/IE5 z enkoderem |
Telegramy PROFINET dla G120:
⚠️ p1300 = 0 (V/f) nie reguluje momentu — przy przeciążeniu prędkość spada. Do stałego momentu niezależnego od obciążenia → Vector (p1300 = 20/21).
Źródło: Siemens SINAMICS G120 Getting Started / transkrypcje ControlByte
Identyfikacja silnika to pomiar elektrycznych parametrów podłączonego silnika przez napęd G120. Bez niej regulator wektorowy nie działa poprawnie — używa jedynie wartości tabliczkowych, które nie uwzględniają rzeczywistego okablowania i stanu silnika.
Dwa rodzaje identyfikacji:
| Parametr | Typ | Opis | Warunek |
|---|---|---|---|
p1910 = 1 |
Stojanova (statyczna) | Pomiar rezystancji stojana R1, indukcyjności rozproszenia — silnik stoi | Silnik może być połączony z maszyną |
p1960 = 1 |
Wirująca (dynamiczna) | Pomiar R1 + R2, indukcyjności magnesującej Lm — silnik obraca się | Silnik musi móc się obracać swobodnie |
Procedura p1910 (statyczna) krok po kroku:
p0304, p0305, p0307, p0310, p0311p1910 = 1 → przy następnym rozruchu napęd przeprowadzi pomiarp1910 wraca do 0, parametry p0350 (R1), p0356 (Ls) są zapisanep0971 = 1 (zapis do ROM) lub przez Startdrive → DownloadDlaczego to ważne:
p1300 = 20/21 → moment może być niedokładny o 20–40%⚠️ Najczęstszy błąd na komisjoningu: download projektu, pierwsze uruchomienie → silnik wibruje lub nie osiąga zadanej prędkości → przyczyną brak identyfikacji lub błędne dane tabliczkowe.
Źródło: Siemens SINAMICS G120 Getting Started / transkrypcje ControlByte
Procedura uruchomienia G120 (CU240E-2 PN + PM240-2) z silnikiem indukcyjnym przez PROFINET.
Faza 1 — Przygotowanie sprzętowe:
o lub alarm A07991 (brak konfiguracji)Faza 2 — Konfiguracja w Startdrive:
Add new device → SINAMICS G120 → wybierz CU i PMp0304–p0311), metoda sterowania (p1300)p0922 (1 = standardowy, 20 = rozszerzony, 352 = Safety)Faza 3 — Identyfikacja silnika:
p1910 = 1): pomiar R1, Lσ przy stojącym silniku (~30s)p1960 = 1): silnik musi się obracać swobodnie — zabezpiecz strefęr0047 = 0 (brak błędów po identyfikacji)Faza 4 — Test Jog i weryfikacja:
r0021 (prędkość), r0027 (prąd) — porównaj z tabliczkowymip1821 = 1r9722.0 = 1 (STO_Active) → napęd nie generuje momentuFaza 5 — Uruchomienie z PLC przez PROFINET:
16#047F (Enable + RUN), HSW = 16384 → 100% prędkości p2000r0052): bit 2 = gotowy, bit 4 = w ruchup0971 = 1Faza 6 — Safety komisjonowanie (jeśli dotyczy):
| Parametr diagnostyczny | Opis |
|---|---|
r0945 |
Kod ostatniego faultu |
r0021 |
Prędkość aktualna [rpm] |
r0027 |
Prąd aktualny [A] |
r0052 |
Słowo statusowe ZSW1 |
⚠️ Telegram
p0922musi być identyczny w napędzie i DB PLC. Niezgodność = pozornie poprawna komunikacja, ale bity na złych pozycjach.
⚠️ Po zmianie parametrów Safety obowiązkowy Safety Acceptance Test z raportem.
💡
Take online device as preset— TIA Portal wczyta konfigurację z istniejącego napędu jako punkt startowy.
Źródło: Siemens SINAMICS G120 Getting Started, Startdrive commissioning guide
Blok funkcyjny MC_MoveJog w TIA Portal służy do sterowania osią z zadaną prędkością, najczęściej wykorzystywany jest do ruchu w trybie ręcznym (JOG), ale może być również używany w normalnym cyklu pracy maszyny.
JogForward lub JogBackward podany jest stan wysoki.Axis: Referencja do obiektu technologicznego (SpeedAxis, PositioningAxis, SynchronousAxis).JogForward (BOOL): Aktywuje ruch osi do przodu.JogBackward (BOOL): Aktywuje ruch osi do tyłu (jednoczesne aktywowanie obu powoduje błąd).Velocity (Long Real): Bezwzględna wartość prędkości, z jaką oś ma się poruszać (np. w mm/s); wartość ujemna jest traktowana jako bezwzględna, a kierunek nadaje JogForward/JogBackward.Acceleration, Deceleration, Jerk (Long Real): Parametry dynamiki ruchu; wartość -1 powoduje użycie parametrów skonfigurowanych w obiekcie technologicznym.PositionControl (BOOL): Aktywuje regulator pozycji (domyślnie True).
Źródło: transkrypcje ControlByteBlok MC_MoveJog charakteryzuje się specyficznymi zachowaniami i wyjściami statusowymi, które informują o jego działaniu i umożliwiają dynamiczną kontrolę ruchu.
JogForward = True), na wyjściu Busy pojawia się stan True, a po osiągnięciu zadanej prędkości, bit InVelocity również przyjmuje wartość True.Error pojawia się True, a ErrorID wskazuje kod błędu (np. 8004h dla “Illegal acceleration specification”).Velocity, Acceleration, Deceleration i Jerk “w locie”, co jest przydatne w aplikacjach wymagających adaptacji prędkości.Velocity podczas aktywnego bloku spowoduje zahamowanie osi i utrzymanie prędkości zerowej.
Źródło: transkrypcje ControlByteEnkoder inkrementalny — kluczowe parametry:
| Parametr | Typowe wartości | Opis |
|---|---|---|
| PPR (Pulses Per Revolution) | 100 / 512 / 1024 / 2048 / 4096 / 8192 | Impulsy na jeden pełny obrót osi enkodera |
| Napięcie zasilania | 5 V DC (TTL) / 12–24 V DC (HTL) | TTL = linie różnicowe, HTL = sygnał push-pull |
| Sygnały | A, B (faza 90°), Z (indeks/zerowy) | A+B → kierunek i liczba impulsów; Z → punkt odniesienia |
| Max częstotliwość | do 500 kHz (HTL) / do 1 MHz (TTL) | Limit dla modułu licznikowego lub wejścia HSC |
| Ochrona | IP54–IP67 | Zależnie od producenta i montażu |
Enkoder absolutny — kluczowe parametry:
| Parametr | Typowe wartości | Opis |
|---|---|---|
| Rozdzielczość single-turn | 12–25 bit | 17 bit = 131 072 pozycji/obrót (typowy HIPERFACE/EnDat) |
| Rozdzielczość multi-turn | 12 bit dodatkowe | 4096 pełnych obrotów liczonych niezależnie |
| Interfejs | SSI, EnDat 2.1/2.2, HIPERFACE, HIPERFACE DSL | Patrz Q16.13 |
| Czas odpowiedzi | do 8 µs (EnDat 2.2) | Limit dla krótkiego czasu cyklu napędu |
| Diagnostyka | temperatura, błędy wewnętrzne | Dostępna przez EnDat 2.2 i HIPERFACE DSL |
Co mogą:
TO_ExternalEncoder w TIA Portal) — wałek wirtualny, master-slaveCzego nie mogą:
⚠️ Safety funkcje SLS/SDI: SINAMICS wymaga enkodera certyfikowanego Safety (HIPERFACE Safety lub EnDat Safety) wbudowanego w silnik — standardowy enkoder przemysłowy nie spełnia wymagań IEC 61800-5-2 dla „safe encoder feedback”.
💡 Przelicznik rozdzielczości: enkoder 1024 PPR z interpolacją ×4 (A, /A, B, /B) daje 4096 kroków/obrót — to standardowe zachowanie modułu HSC lub SINAMICS przy zliczaniu czterech zboczy.
[ZWERYFIKOWANE - IEC 61800-5-2 §6.2.13 (safe encoder feedback requirements for SLS/SDI); SINAMICS G120 Safety Function Manual (Entry ID: 109751595) — rozdz. enkodery Safety (HIPERFACE Safety, EnDat Safety)]
Przegląd interfejsów:
| Interfejs | Typ sygnału | Napięcie | Kierunek | Typowe zastosowanie |
|---|---|---|---|---|
| TTL (A/B/Z) | Cyfrowy różnicowy | 5 V DC | Jednostronny | S7-1200 HSC, proste osi, tanie aplikacje |
| HTL (A/B/Z) | Cyfrowy push-pull | 12–24 V DC | Jednostronny | Środowisko przemysłowe, odporność na EMC |
| Sin/Cos 1 Vpp | Analogowy sinusoidalny | 5 V / 12 V | Jednostronny | G120 z CU240E, wysoka rozdzielczość przez interpolację |
| SSI | Szeregowy synchroniczny | 5 V / 12 V | Jednostronny | Absolutne enkoderzy starszej generacji |
| EnDat 2.1/2.2 | Szeregowy, dwukierunkowy | 5 V DC | Dwukierunkowy | S120, SIMOTION, nowoczesne SINAMICS — wysoka dynamika |
| HIPERFACE | Sin/Cos + RS-485 | 7–12 V DC | Dwukierunkowy | Silniki Siemens 1FK7/1FT7 (classic) |
| HIPERFACE DSL | Cyfrowy, tylko 2 żyły | 5 V DC | Dwukierunkowy | V90 z 1FG/1FK7 — kabel enkodera = kabel mocy |
Konfiguracja w SINAMICS Startdrive:
| Parametr | Opis | Przykładowe wartości |
|---|---|---|
p0400 |
Typ enkodera | 0=brak, 1=TTL/HTL inkr., 4=SSI, 9=EnDat 2.2, 11=HIPERFACE sin/cos |
p0404 |
Liczba PPR (impulsy/obrót) | 1024, 2048, 4096, 8192 |
p0406 |
Napięcie zasilania enkodera | 0=5V, 1=12V, 2=24V |
p0408 |
Liczba bitów SSI | 10–30 bit |
p0418 |
Współczynnik interpolacji sin/cos | 1024 lub 2048 |
p0431 |
Korekta offsetu enkodera (fine adjust) | Wartość w impulsach |
Konfiguracja Technology Object (TIA Portal Motion Control):
TO_PositioningAxis lub TO_ExternalEncoder)Encoder → Encoder type: Incremental / AbsoluteData exchange type (np. PROFIdrive, analog sin/cos, HSC module)Encoder resolution: podaj PPR lub ilość bitówTO_ExternalEncoder: wskaż moduł HSC (S7-1200) lub interfejs sieciowy enkodera (ET200S counting module)Wejście HSC (High Speed Counter) w S7-1200/S7-1500 dla enkoderów TTL/HTL:
HSC1–HSC6) — max 100 kHz na kanał; moduł SB 1221 High Speed zwiększa do 200 kHz⚠️ PROFINET enkoder z Technology Object: telegram
102(z enkoderem) wymaga że SINAMICS odbiera pozycję z wbudowanego enkodera przez Startdrive, następnie przesyła ją do CPU przez PROFINET jako część PZD telegramu. Telegramy1i20nie zawierają danych enkodera — tylko prędkość!
💡 HIPERFACE DSL: jeden kabel do serwosiłnika zawiera jednocześnie zasilanie silnika (3 fazy + PE) i sygnał enkodera DSL — brak osobnego kabla enkodera. W Siemens: V90 współpracuje z silnikami 1FL6 (enkoder wbudowany), natomiast 1FK7 używa DRIVE-CLiQ z S120/S210 (OCT — One Cable Technology, Siemens Motion Connect kable).
[ZWERYFIKOWANE - SINAMICS V90 manual (Entry ID: 109781612) — rozdz. enkodery HIPERFACE DSL, One Cable Technology; SINAMICS G120 Safety Function Manual (Entry ID: 109751595) — parametry p0400/p0404 ⚠️ DO WERYFIKACJI w SINAMICS G120 Parameter Manual]
Silniki IE5 (Ultra-Premium Efficiency) to silniki synchroniczne z magnesami trwałymi wbudowanymi w wirnik (IPM — Interior Permanent Magnet). Są najwyższą klasą sprawności według IEC 60034-30-1.
Klasy sprawności silników (IEC 60034-30-1):
| Klasa | Opis | Sprawność (4-bieg., 11 kW) |
|---|---|---|
| IE1 | Standard | ~89% |
| IE2 | High Efficiency | ~91% |
| IE3 | Premium | ~92% |
| IE4 | Super Premium | ~94% |
| IE5 | Ultra Premium | ≥ 96% |
Dlaczego IE5 / IPM zastępuje silnik indukcyjny klatkowy:
IE5 w praktyce commissioning:
IPM lub PMSM zamiast IM (Induction Motor)p0300 = 2 (PMSM) zamiast p0300 = 1 (IM)⚠️ Najczęstszy błąd: operator wymienia silnik IE3 (IM) na IE5 (IPM) i pozostawia
p0300 = 1— napęd próbuje magnetyzować silnik synchroniczny jak indukcyjny → natychmiastowy fault lub zniszczenie uzwojeń.
💡 Na rozmowie: pytanie “co zrobisz gdy dostajesz silnik który wygląda jak standardowy trójfazowy ale napęd nie chce się uruchomić?” → sprawdź typ:
IMvsPMSM/IPMna tabliczce → ustawp0300odpowiednio.
Źródło: transkrypcja ControlByte — przegląd silników w aplikacjach Motion Control
Systematyczna checklista:
TRUE bez oczekiwania na zbocze?Press (zbocze) czy State (poziom)? Poziom = TRUE przez cały czas trzymania → program widzi ciągły sygnał startR_TRIG) czy poziom BOOL? Maszyny wymagają zbocza — jednorazowy impuls⚠️ Pułapka Safety + Start: logika musi wymagać nowego impulsu Start po ACK. ACK samo w sobie nie powinno uruchamiać napędów.
[ZWERYFIKOWANE - TIA Portal Help: Safety program, ACK logic; EN 60204-1 §10.7 (start/restart requirements after safety stop); SIMATIC Safety - Konfiguracja i programowanie (Entry ID: 109751404)]
Możliwe źródła „obcych” alarmów:
| Źródło | Opis | Gdzie szukać |
|---|---|---|
| System alarm (auto) | Generowany przez TIA Portal dla zdarzeń sprzętowych (moduł offline, błąd Safety, utrata komunikacji) | HMI → System alarms → Diagnostic alarms |
| Stary projekt HMI | Alarm do tagu który już nie istnieje — „stale” wpisy w alarm buffer | TIA Portal → HMI Alarms → Discrete Alarms → szukaj po numerze |
| Alarm z urządzenia | Napęd/robot wysyła alarm diagnostyczny przez PROFINET alarm mechanism | WinCC → Diagnostic alarms lub alarm z adresem sprzętowym |
💡 Procedura: TIA Portal → HMI Alarms → Discrete Alarms / Analog Alarms — filtruj po numerze alarmu. Jeśli brak → sprawdź
System alarms → Diagnostic alarms.
[ZWERYFIKOWANE - TIA Portal Help: HMI Alarms, System alarms, Diagnostic alarms; PROFINET diagnostics Application Example (Entry ID: 109484728)]
BA 2×RJ45 lub BA SCRJ — czy L+ i M podłączone?Accessible devices → przypisz nazwęDevices & Networks → Topology view → czy moduł widoczny?💡 PRONETA → skan sieci → sprawdź czy moduł odpowiada na ARP — szybki sposób bez TIA Portal.
[ZWERYFIKOWANE - SIMATIC ET 200SP (Siemens); PROFINET diagnostics Application Example (Entry ID: 109484728) — rozdz. PRONETA, network scan, device name assignment]
Ciągły czerwony RDY LED = aktywny fault (F-alarm), nie alarm (A-alarm, który jest żółty).
Procedura diagnostyki:
r0945[0] w Startdrive (online) lub na panelu BOP-2 → zapisz r0945[0..7]Fxxxxx ma opis przyczyny i działania korygującegoF30001 (przetężenie wyjścia / overcurrent), F07800-F07802 (temperatura silnika), F30002 (przepięcie / nadnapięcie DC-bus — overvoltage), F30004 (przegrzanie radiatora — overtemperature heatsink)⚠️ Jeśli fault kasuje się ale wraca natychmiast: przyczyna fizyczna wciąż aktywna — nie idź dalej bez usunięcia przyczyny.
⚠️ Fault nie daje się skasować → sprawdź czy STO nie jest aktywne (
r9772= STO status) — napęd nie ruszy ani się nie skasuje przy aktywnym STO.
💡 Jeśli kasowanie przez sieć nie działa: hardware reset — chwilowe odcięcie zasilania 24V Control Unit (zachowaj 400V Power Module).
[ZWERYFIKOWANE - SINAMICS G120 (Siemens); kody faultów F30001/F07800-F07802 ⚠️ DO WERYFIKACJI w SINAMICS G120 Parameter Manual (Fault and Alarm List); STO status r9772 ⚠️ DO WERYFIKACJI w SINAMICS G120 Safety Function Manual (Entry ID: 109751595)]
CPU w STOP = zatrzymanie wszystkich wyjść. Prawidłowa kolejność: odczyt → diagnoza → przyczyna → dopiero wtedy akcja.
Kroki:
Diagnostics → Diagnostic buffer. Ostatni wpis = przyczyna zatrzymania.| Typowa przyczyna STOP | Co oznacza |
|---|---|
Time error OB cyclic |
Scan time przekroczony — za dużo kodu lub zablokowane wywołanie FB |
STOP requested by program |
Instrukcja STP w kodzie — szukaj w bloku aktywnym w chwili STOP |
Hardware failure |
Moduł I/O wypadł z konfiguracji lub zwarcie |
Safety STOP |
F-CPU wykryło błąd Safety — sprawdź F-Runtime group |
⚠️ Zakaz Download przed diagnozą: Download kasuje Diagnostics buffer na CPU — tracisz ślad przyczyny. Zawsze odczytaj Diagnostic buffer PRZED downloadem.
💡 Warm restart a STOP:
Warm restart(Run) bez zrozumienia przyczyny = maszyna może natychmiast znów wejść w STOP. Jeśli przyczyną jest zwarcie I/O, warm restart tylko powtórzy błąd.
[ZWERYFIKOWANE - TIA Portal Help: CPU Diagnostic buffer, STOP modes; SIMATIC S7-1500 (Siemens)]
Skalowalny projekt TIA Portal to taki, który można rozszerzać (nowe urządzenia, sekcje, osie) bez przepisywania istniejącego kodu — tylko przez parametryzację lub powielanie gotowych wzorców.
Cechy skalowalnego projektu:
typeValve: cmd, status, alarm, mode) — dodanie nowego zaworu = 1 zmienna UDT.MAX_DEVICES.ACK i PASS_OUT.++STATION_Drive01 — autogeneracja dokumentacji i wyszukiwanie po wzorcu.⚠️ Red flags braku skalowalności: copy-paste FC z ręczną edycją numerów, absolutne adresy
I0.0/Q0.0, brak bibliotek, każdy napęd w osobnym OB.
💡 Na rozmowie: skalowalność = biblioteki + UDT + tablice. Pokaż przykład: “Mamy 12 zaworów w tablicy, dodanie 13. to zmiana jednej stałej
MAX_VALVES.”
[ZWERYFIKOWANE - TIA Portal Help: Global Library, Project Library, UDT; IEC 61131-3 §6.4 (structured programming, data types, arrays)]
FAT (Factory Acceptance Test) to weryfikacja systemu u producenta maszyny przed wysyłką do klienta. Dla Safety obejmuje funkcjonalne testy każdej funkcji bezpieczeństwa zgodnie z wymaganiami normy EN ISO 13849-1 i dokumentacją techniczną.
[ZWERYFIKOWANE - SIMATIC Safety - Konfiguracja i programowanie (Entry ID: 109751404) — rozdz. FAT checklist, F-Signature; EN ISO 13849-1 §10 (validation — dokumentacja, testy funkcjonalne)]
SAT (Site Acceptance Test) to weryfikacja systemu na miejscu klienta po instalacji. Różni się od FAT tym, że uwzględnia rzeczywiste środowisko: okablowanie obiektowe, medium procesowe, warunki bezpieczeństwa operacyjnego.
[ZWERYFIKOWANE - SIMATIC Safety - Konfiguracja i programowanie (Entry ID: 109751404) — rozdz. SAT, F-Signature verification; IEC 62061 §8.4 (validation and verification procedures)]
Scenariusz: dostajesz maszynę z projektem TIA Portal od innego integratora lub starszą wersję — musisz zrozumieć co robi i ewentualnie poprawić usterki.
Krok po kroku — archeologia projektu:
~AL\project.hmi lub po prostu próbuj otworzyć — TIA informuje o wersji źródłowej; pobierz właściwą wersję (nie uaktualniaj bez decyzji)r0018 = firmware napędugit blame o ile projekt jest w SVN/GIT) lub wypytaj poprzedniego komisjoneraZasady bezpieczeństwa:
⚠️ Pułapka: Upload z CPU nie zawsze daje pełny projekt — symbolicznie nazwane zmienne mogą być zastąpione adresami absolutnymi; komentarze i UDT mogą być stracone.
💡 Na rozmowie: pokaż, że znasz procedurę upload + compare + diagnostics buffer — to klasyczny scenariusz serwisowy. Wspomnij o F-Signature dla projektów Safety.
Źródło: praktyka commissioning, transkrypcja ControlByte
Biblioteki TIA Portal umożliwiają wielokrotne użycie i wersjonowanie bloków, typów PLC, ekranów HMI i UDT.
| Cecha | Project Library | Global Library |
|---|---|---|
| Zakres | Jeden projekt TIA Portal | Wiele projektów (plik .al17) |
| Zastosowanie | Standardy jednej linii/zakładu | Firmowe szablony wieloprojektowe |
| Przykłady | FB napędu specyficzny dla klienta | SICAR Tec Units, certyfikowane F-bloki |
| Wersjonowanie | Tak (w ramach projektu) | Tak (niezależnie od projektu) |
| Udostępnianie | Export/import między projektami | Otwierasz plik .al17 bezpośrednio |
Workflow:
💡 Wersjonowanie: zmiana w Global Library (nowa wersja FB) → w każdym projekcie znajdziesz alert “Update available” — aktualizujesz selektywnie, nie przez przypadek.
[ZWERYFIKOWANE - TIA Portal Help: Global Libraries, Project Libraries, Library versioning; IEC 61131-3 §6.6 (program organization units, reuse)]
TIA Portal rozróżnia typy downloadów — wybierz najmniej inwazyjny dla sytuacji:
| Typ downloadu | CPU w RUN? | Kiedy używać |
|---|---|---|
| Software (only changes) | ✅ Tak | Poprawka kodu, nowy blok — bez zmiany HW |
| HW and SW (only changes) | ⚠️ Krótki STOP | Nowy moduł IO, zmiana IP, zmiana konfiguracji |
| All | ❌ STOP wymagany | Pełne wgranie projektu — unikaj na produkcji |
Procedura partial download:
Compile → All — brak błędów = warunek koniecznyCompare offline/online — sprawdź diff co faktycznie się różni przed downloademDownload to device → Software (only changes) → zaznacz CPU → Load⚠️ Safety partial download: zmiany w programie Safety zawsze wymagają akceptacji F-signature przez uprawnionego użytkownika. Safety runtime przechodzi przez
LOCK → RUN(~1s). Standard może działać, ale napędy Safety (STO) chwilowo nieaktywne.
💡 Sprawdź przed:
Online & Diagnostics → Compare— zidentyfikuj różnice. Nieoczekiwane zmiany (np. ktoś edytował online) staną się widoczne zanim je nadpiszesz.
[ZWERYFIKOWANE - TIA Portal Help: Download to device, Partial download, Compare offline/online; SIMATIC Safety - Konfiguracja i programowanie (Entry ID: 109751404) — rozdz. Safety partial download procedure]
OPC UA (Open Platform Communications Unified Architecture) to otwarte, bezpieczne API do integracji PLC z systemami SCADA, MES, ERP, chmurą i IT (Python, C#, Java). Kluczowe zalety nad S7-Protocol/Modbus: standaryzacja, szyfrowanie TLS 1.2, certyfikaty X.509, model obiektowy (nodes, methods, events).
Aktywacja w TIA Portal:
OPC UA → Server → Enable OPC UA server4840) i certyfikat bezpieczeństwaAll tags (wszystkie tagi PLC) lub Selected DBs (wybrane bloki danych)Security Policy: None (dev), Basic256Sha256 (produkcja)Typowe zastosowania:
asyncua library → analityka danych, integracja z chmurą⚠️ Ograniczenia OPC UA: opóźnienie ~10–50ms vs PROFINET RT <1ms. Nie używaj OPC UA do sterowania real-time — wyłącznie do monitoringu, parametryzacji, zbierania danych.
💡 Security w produkcji: zawsze włącz
Basic256Sha256+ certyfikaty. OPC UA bez szyfrowania to otwarta furtka do odczytu (i zapisu!) wszystkich tagów PLC.
[ZWERYFIKOWANE - IEC 62541 (OPC UA standard — security, certificates); TIA Portal Help: OPC UA Server configuration; SIMATIC S7-1500 OPC UA (Siemens)]
ProDiag (Process Diagnostics) to narzędzie TIA Portal do tworzenia automatycznej diagnostyki maszynowej generując alarmy HMI wprost z warunków logicznych PLC bez programowania w blokach.
[ZWERYFIKOWANE - TIA Portal ProDiag (Siemens); SIMATIC ProDiag dostępny od TIA Portal V14 SP1 dla S7-1500 i ET200SP CPU]
Procedura commissioning nowej stacji ET200SP z modułami F-DI/F-DQ:
Faza 1 — Projekt TIA Portal (offline):
Devices & Networks → Add new device → ET 200SP → wskaż numer katalogowy IM (np. 6ES7155-6AU01-0BN0)Properties → Safety → ustaw F-Address (unikalny w ramach F-CPU, zakres 1–65534)Compile → Hardware + Software (rebuild all)Faza 2 — Przypisanie adresu PROFINET (online):
Go online → Assign PROFINET device name → wyszukaj po MAC → przypisz nazwęFaza 3 — Przypisanie PROFIsafe address:
Assign PROFIsafe address → diody LED migają → potwierdźFaza 4 — Download i weryfikacja:
Download to device → Hardware and software (only changes)PASS_OUT = FALSE = prawidłowa pracaTypowe pułapki:
⚠️ F-Address musi być unikalny w całym F-CPU — duplikat = błąd PROFIsafe.
💡 EK (element kodujący): wymiana uszkodzonego modułu F nie wymaga ponownego przypisania F-Address.
[ZWERYFIKOWANE - SIMATIC ET 200SP (Siemens); SIMATIC Safety - Konfiguracja i programowanie (Entry ID: 109751404) — rozdz. konfiguracja ET200SP, F-Address, element kodujący]
Wyspa zaworów pneumatycznych SMC EX600 komunikuje się przez PROFINET jako standardowe urządzenie I/O (nie Safety).
Krok 1 — Instalacja GSDML:
smcworld.com → Support) — wersja musi odpowiadać hardware revision z tabliczkiOptions → Manage GSD files → Install → wskaż plik .xmlKrok 2 — Konfiguracja w TIA Portal:
EX600 z Hardware Catalog do Network view, połącz z CPUKrok 3 — Przypisanie nazwy PROFINET:
Assign PROFINET device name → wyszukaj po MAC → przypisz192.168.0.1)Krok 4 — Program i test:
Q0.0 = TRUE → zawór 1 otwartyForce Values w TIA Portal → sprawdź fizycznie czy zawór zadziałałTypowe pułapki:
Invalid device configurationConfiguration mismatch⚠️ GSDML musi odpowiadać hardware revision z tabliczki znamionowej urządzenia.
💡 Większość urządzeń PROFINET (SMC, WAGO, Festo) ma wbudowany web server — szybka diagnoza bez TIA Portal.
[ZWERYFIKOWANE - TIA Portal Help: GSDML installation, PROFINET device name assignment; SIMATIC NET PROFINET (Siemens)]
Faza 1 — Przygotowanie sprzętowe:
p0918–p0924 ⚗️ DO WERYFIKACJI) lub Startdriver0018 na BOP2 — zapisz wersję dla kompatybilności z TIA PortalFaza 2 — Konfiguracja w Startdrive (TIA Portal):
Add new device → SINAMICS G120 → wybierz CU i PMAccessible devices → wykryj online → Take online device as preset (zachowa parametry)p0922: 1 = standardowy, 20 = rozszerzony, 352 = Safety IntegratedFaza 3 — Safety (jeśli STO/SS1 przez PROFIsafe):
Via PROFIsafe / Via terminals / obap9560 = czas rampy), SLS (p9531 = max prędkość)Faza 4 — Motor identification:
r0047 = 0 po identyfikacjiFaza 5 — Download i weryfikacja:
Download to device → Hardware and softwareAccessible devices → MAC → assignr0002 = 7 (Run)r9722.0 = 1 → napęd nie generuje momentuFaza 6 — Safety komisjonowanie (obowiązkowe):
⚠️ Telegram
p0922musi być identyczny w napędzie i DB PLC — niezgodność = bity sterowania na złych pozycjach.
⚠️ Po każdej zmianie parametrów Safety wymagany Safety Acceptance Test z raportem.
💡
Take online device as preset— idealne gdy napęd był wcześniej skonfigurowany (legacy).
[ZWERYFIKOWANE - SINAMICS G120 Safety Function Manual (Entry ID: 109751595) — procedura komisjonowania Safety; SIMATIC Safety - Konfiguracja i programowanie (Entry ID: 109751404) — rozdz. PROFIsafe, F-Address napędu; parametry p0922/p9560/p9531 ⚠️ DO WERYFIKACJI w SINAMICS G120 Safety Function Manual]
ET200MP to wariant wysp I/O Siemens w formacie S7-300 (35mm) — stosowany gdy potrzebne są moduły o większej gęstości kanałów niż ET200SP.
Krok 1 — Planowanie adresacji:
Krok 2 — Konfiguracja w TIA Portal:
Add new device → ET 200MP → wybierz IM (np. IM155-5 PN) — numer katalogowy z tabliczkiKrok 3 — Podłączenie fizyczne:
Krok 4 — Online: nazwy, adresy, download:
Assign PROFINET device name po MACAssign PROFIsafe address dla każdego modułu FPraktyka commissioning: Na działającej linii — NIGDY nie rób „Download all” do F-CPU. Użyj „Download only changes” (delta download) — inaczej zatrzymasz Safety na całej linii i wymusisz pełny Safety Acceptance Test.
[ZWERYFIKOWANE - SIMATIC ET 200MP (Siemens); SIMATIC Safety - Konfiguracja i programowanie (Entry ID: 109751404) — rozdz. konfiguracja ET200MP F-I/O, delta download Safety]
PROFIsafe address (F-Address) to unikalny identyfikator urządzenia Safety w sieci PROFIsafe. Musi być zapisany zarówno w projekcie TIA Portal (konfiguracja) jak i fizycznie w urządzeniu — i muszą się zgadzać.
Procedura „Assign PROFIsafe address” w TIA Portal:
Assign PROFIsafe addressPraktyka commissioning: Przy rozbudowie istniejącej instalacji — spisz tabelę F-Address dla całej linii PRZED rozpoczęciem pracy. Kolizja F-Address jest trudna do zdiagnozowania i objawia się passivation na pozornie losowych modułach.
Źródło: SIMATIC Safety - Konfiguracja i programowanie, rozdział „Zalecenia dotyczące przypisywania adresu PROFIsafe” [ZWERYFIKOWANE]
Urządzenia firm trzecich komunikują się z PLC Siemens przez PROFINET jako standardowe I/O devices, ale wymagają instalacji pliku GSDML (GSD Markup Language) — odpowiednika sterownika urządzenia.
Krok 1 — Pozyskanie GSDML:
.xml (GSDML) na swojej stronie wsparcia technicznegoKrok 2 — Instalacja w TIA Portal:
Options → Manage general station description files (GSD) → Install.xml → zainstalujOther field devices → PROFINET IOKrok 3 — Konfiguracja:
Krok 4 — Online:
Assign PROFINET device name po MAC addressTypowe problemy:
Assign device name → sprawdź, czy firmware urządzenia obsługuje DCP (Discovery and Configuration Protocol)Praktyka commissioning: Przed wyjazdem na obiekt — pobierz GSDML dla WSZYSTKICH urządzeń firm trzecich i zainstaluj w TIA Portal. Na obiekcie bez internetu nie pobierzesz brakującego pliku.
[ZWERYFIKOWANE - TIA Portal Help: GSD file installation, PROFINET IO third-party devices; SIMATIC NET PROFINET (Siemens)]
Wymiana modułu ET200SP na działającej linii produkcyjnej to standardowa procedura serwisowa. ET200SP obsługuje wymianę modułów „na gorąco” (hot swapping) bez wyłączania całej stacji.
Warunki hot swap:
Procedura krok po kroku:
PASS_OUT = FALSE (brak passivation)Czego NIE wymaga wymiana identycznego modułu:
Praktyka commissioning: Trzymaj zapas modułów na obiekcie — szczególnie F-DI i F-DO. Czas wymiany modułu ET200SP to dosłownie 30 sekund, ale czas oczekiwania na dostawę może być tygodniami. Zawsze zaznacz na schemacie elektrycznym który slot używa jakiego modułu.
[ZWERYFIKOWANE - SIMATIC ET 200SP (Siemens); SIMATIC Safety - Konfiguracja i programowanie (Entry ID: 109751404) — rozdz. wymiana modułów F, element kodujący, hot swap]
Schemat elektryczny to graficzna dokumentacja techniczna przedstawiająca połączenia elektryczne, aparaturę łączeniową i urządzenia w instalacji — bez niego nie uruchomisz, nie zdiagnozujesz i nie naprawisz maszyny.
Rodzaje schematów w automatyce przemysłowej:
| Typ schematu | Co pokazuje | Kiedy używasz |
|---|---|---|
| Schemat ideowy (zasadniczy) | Logika obwodu — styczniki, zabezpieczenia, styki, cewki. Nie pokazuje fizycznego ułożenia | Analiza działania, programowanie PLC, troubleshooting |
| Schemat montażowy | Fizyczne rozmieszczenie aparatów w szafie, numery zacisków, korytka kablowe | Montaż szafy sterowniczej |
| Schemat połączeń (okablowania) | Trasa kabli, numery żył, przekroje, oznaczenia | Okablowanie w terenie, podłączanie czujników i napędów |
| Schemat blokowy | Uproszczony przegląd — CPU, I/O, napędy, sieci PROFINET | Koncepcja systemu, ofertowanie, przegląd architektury |
Oznaczenia aparatów wg IEC 81346 (dawniej DIN 40719):
-Q1, -Q3, -Q4 — wyłączniki, styczniki (np. Q3 = trójkąt, Q4 = gwiazda)-F1, -F3 — zabezpieczenia (bezpiecznik, przekaźnik termiczny)-K1, -K2 — przekaźniki pomocnicze-M1 — silnik-A1 — sterownik PLC / moduł elektroniczny-S1, -S2 — przyciski (STOP, START)Czytanie schematu — procedura na obiekcie:
-KM1 w obwodzie mocy → cewka -KM1 w obwodzie sterowania (numer strony/wiersza na schemacie)💡 Na obiekcie: przy przejmowaniu nieznanej maszyny — zawsze zacznij od schematu ideowego obwodu mocy. Zidentyfikuj styczniki, zabezpieczenia, silnik i porównaj z fizyczną szafą. Dopiero potem analizuj logikę sterowania.
[ZWERYFIKOWANE - IEC 81346-2 (oznaczenia referencyjne elementów — -F, -K, -M, -S, -Q); EN 60204-1 §3/§5 (dokumentacja elektryczna maszyn); EN 61346-1 (poprzednik IEC 81346)]
Rozruch Y/Δ to najczęstszy układ łagodnego rozruchu silnika asynchronicznego w starszych instalacjach. Na schemacie identyfikujesz:
Obwód mocy — 3 styczniki + zabezpieczenie:
| Oznaczenie | Element | Rola na schemacie |
|---|---|---|
| KM_L (K1 / -Q1) | Stycznik liniowy (główny) | Zasila uzwojenia: L1/L2/L3 → U1/V1/W1 |
| KM_Y (K2 / -Q4) | Stycznik gwiazdowy | Zwiera końce uzwojeń (U2, V2, W2) = punkt Y |
| KM_Δ (K3 / -Q3) | Stycznik trójkątowy | Łączy U2→V1, V2→W1, W2→U1 (pełne napięcie) |
| -F3 | Przekaźnik termiczny | Między stycznikiem a silnikiem — ochrona przeciążeniowa |
Sekwencja załączania (widoczna na schemacie sterowania):
Co sprawdzasz na schemacie przy commissioning:
Schemat obwodu mocy — rozruch gwiazda-trójkąt:

Rys. 20.2a — Obwód mocy Y/Δ: K1 = stycznik sieciowy (Netz), K2 = gwiazdowy (Stern), K3 = trójkątowy (Dreieck), M 3~ = silnik 6-zaciskowy. Źródło: Wikimedia Commons, Public Domain
Tabliczka zaciskowa silnika — gwiazda (Y) i trójkąt (Δ):

Rys. 20.2b — Tabliczka zaciskowa: lewo = Y (mostki pionowe), prawo = Δ (mostki skośne). Źródło: Wikimedia Commons, Public Domain
[ZWERYFIKOWANE - EN 60204-1 §9.4 (Y/Δ starting, contactor interlock); IEC 60038 (napięcia normalizowane — 400V/Δ); IEC 60947-4-1 (łączniki do silników, przekaźniki termiczne)]
Rewersja = zamiana dwóch faz (np. L1↔L3). Na schemacie widzisz dwa styczniki z krzyżowym połączeniem.
Identyfikacja na schemacie:
| Oznaczenie | Element | Schemat połączeń |
|---|---|---|
| KM_F (KM1) | Stycznik Forward | L1→U, L2→V, L3→W (kolejność prosta) |
| KM_R (KM2) | Stycznik Reverse | L3→U, L2→V, L1→W (L1↔L3 zamienione) |
3 warstwy blokady (ZAWSZE na schemacie):
3RA1934-1A)Czas martwy przy zmianie kierunku (widoczny jako timer na schemacie sterowania):
Co sprawdzasz na schemacie przy commissioning:
3RA2 / 3RA1 mają blokadę fabrycznąSchemat kompletnego układu rewersyjnego:

Rys. 20.3a — Układ rewersyjny: QS1 = rozłącznik, FU = bezpieczniki, KM1/KM2 = styczniki z krzyżowaniem L1↔L3, blokada elektryczna wzajemna (styki NC). Źródło: Wikimedia Commons, CC BY-SA 3.0

Rys. 20.3b — Obwód mocy rewersji: Q2 = rozłącznik, KM1/KM2, F1 = termiczny, M = silnik. Źródło: Wikimedia Commons, CC BY-SA 3.0
[ZWERYFIKOWANE - EN 60204-1 §9.3 (reversing drives, contactor interlock); IEC 60947-4-1 (mechaniczna blokada wzajemna 3RA1934); EN 60034-8 §8.3 (oznaczenia zacisków silnika)]
Układ samopodtrzymania (latching / self-holding) to podstawowy obwód sterowania — impuls START uruchamia stycznik, a jego własny styk pomocniczy NO podtrzymuje zasilanie cewki po zwolnieniu przycisku.
Schemat klasyczny — jak go czytasz:
L (24V) ─── [S1 STOP NC] ─┬─ [S2 START NO] ─── [Cewka KM]
└─ [KM styk NO] ──┘
N (0V) ──────────────────────────────────────────────────
Identyfikacja na schemacie:
Dlaczego STOP jest NC (normalnie zamknięty):
Realizacja w PLC (LAD):
| I0.0 I0.1 Q0.0 |
|--[START]--+--[STOP NC]--(KM)|
| Q0.0 | |
|--[KM]-----+ |
Co sprawdzasz:

Rys. 20.4 — Obwód sterowania z samopodtrzymaniem: S1=STOP NC, S2=START NO, K1=stycznik z samopodtrzymaniem, K2=timer. Źródło: Wikimedia Commons, CC BY-SA 3.0
[ZWERYFIKOWANE - EN 60204-1 §10.7 (start/stop control circuits, NC stop = fail-safe); IEC 61131-3 §6.5 (LAD ladder diagram — self-holding contact)]
Silnik Dahlander = 2 prędkości (stosunek 1:2) przez zmianę konfiguracji uzwojeń. Na schemacie wygląda podobnie do Y/Δ, ale logika jest inna.
Kluczowa różnica Y/Δ vs Dahlander:
| Cecha | Rozruch Y/Δ | Dahlander |
|---|---|---|
| Cel | Łagodny rozruch → pełna prędkość | Dwie prędkości robocze |
| Styczniki | 3 (liniowy + Y + Δ) — sekwencja | 3 (główny + wolny + szybki) — wybór |
| Timer | Tak (przełączenie po rozruchu) | Nie (operator wybiera prędkość) |
| Silnik | 6 zacisków, jedna prędkość | 6 zacisków, dwie prędkości |
Identyfikacja na schemacie Dahlandera (3 styczniki):
| Oznaczenie | Funkcja | Połączenie |
|---|---|---|
| KM1 | Główny (zawsze zamknięty) | L1/L2/L3 → silnik |
| KM2 | Wolna (Δ) | Zasila U1/V1/W1, U2/V2/W2 otwarte |
| KM3 | Szybka (YY) | Zasila U2/V2/W2, zwiera U1/V1/W1 |
Co sprawdzasz na schemacie:
Schemat Dahlander z wentylacją:

Rys. 20.5a — Schemat mocy Dahlander Y/YY z wentylacją. Źródło: Wikimedia Commons, CC BY-SA 4.0

Rys. 20.5b — Połączenia uzwojeń Δ/YY. Źródło: Wikimedia Commons, CC BY-SA 4.0
[ZWERYFIKOWANE - EN 60034-8 §8.3 (oznaczenia zacisków silnika Dahlander, pole liczby biegunów); IEC 60034-8 Tablica 8 (U1/V1/W1/U2/V2/W2 połączenia Dahlander)]
Blokada wzajemna to zabezpieczenie przed jednoczesnym zadziałaniem dwóch wykluczających się styczników — jej brak = zwarcie lub uszkodzenie silnika.
Jak rozpoznajesz na schemacie:
1. Blokada elektryczna:
Obwód cewki KM_F: ──[S1 START_F]──[NC KM_R]──(Cewka KM_F)
Obwód cewki KM_R: ──[S2 START_R]──[NC KM_F]──(Cewka KM_R)
2. Blokada mechaniczna:
3RA1934-1A (dla 3RT1), 3RA1944-2A (dla 3RT2)3. Blokada programowa (PLC):
Gdzie blokada jest obowiązkowa:
Co sprawdzasz na obiekcie:
⚠️ Przy audycie Safety: sam schemat elektryczny nie wystarczy — sprawdź fizycznie czy moduł mechaniczny jest zamontowany. EN 60204-1 §9 wymaga blokady sprzętowej.
[ZWERYFIKOWANE - EN 60204-1 §9.3 (interlock contactors — mechanical and electrical); IEC 60947-4-1 §7.1.1.2 (blokada mechaniczna między łącznikami); Siemens 3RA1934-1A / 3RA1944-2A (katalog produktów blokad mechanicznych)]
Obwód Safety na schemacie jest wyraźnie oddzielony od standardowego sterowania — rozpoznajesz go po:
Oznakowanie na schemacie:
Typowe elementy Safety na schemacie:
| Element | Oznaczenie | Jak wygląda na schemacie |
|---|---|---|
| E-Stop | -S_ES / -SB1 | Przycisk z symbolem grzyba + dwukanałowe NC |
| Kurtyna | -B1 / AOPD | Blok z OSSD1/OSSD2 (dwa wyjścia) |
| Elektrorygiel | -S_LOCK | Styk NC + cewka ryglowania |
| F-DI | -A_FDI | Moduł z kanałami Ch0/Ch1 (dwukanałowe) |
| F-DO | -A_FDO | Moduł z wyjściami + PP/PM switching |
| Przekaźnik Safety | -K_SF | Podwójny styk (kanał 1 + kanał 2) |
Kluczowe różnice od standardowego obwodu:
| Cecha | Standard | Safety |
|---|---|---|
| Okablowanie czujnika | 1 przewód → 1 wejście | 2 kanały → 2 wejścia (1oo2) |
| Sygnał STOP/E-Stop | NC (1 styk) | NC dwukanałowy (2 styki rozdzielone fizycznie) |
| Feedback stycznika | Opcjonalny | Obowiązkowy (EDM — External Device Monitoring) |
| Zasilanie czujników | Wspólne | Rozdzielone T1/T2 (test pulses) z F-DI |
Co sprawdzasz na obiekcie:
Przykładowy schemat Safety — E-Stop SIL 3 z F-CPU 1516F:

Rys. 20.7a — Okablowanie E-Stop do systemu Safety: CPU 1516F + DI/DQ (standard) + F-DI (dwukanałowe wejście NC E-Stop) + F-DQ (wyjścia Q1/Q2 z feedbackiem). START/STOP/ACK przez standardowe DI. Źródło: Siemens Application Example 21064024, V7.0.1
Schemat okablowania F-DI/F-DO — PM-switching (ET200SP):

Rys. 20.7b — Architektura PM-switching: rozdzielone zasilanie elektroniki (P/M Electronic supply) i obciążenia (24V DC Load supply), izolacja galwaniczna przez Isoface. Źródło: Siemens Wiring Example 39198632, V2.7
💡 Schemat Safety jest dowodem — audytor TÜV/UDT porównuje schemat z fizycznym okablowaniem i konfiguracją TIA Portal. Niezgodność = blokada odbioru maszyny.
[ZWERYFIKOWANE - EN 60204-1 §10.7 (obwody bezpieczeństwa, dwukanałowe); IEC 62061 §8.4 (dokumentacja systemu Safety, weryfikacja); E-Stop SIL 3 Application Example (Entry ID: 21064024) — schemat okablowania F-DI/F-DO, Safety wiring examples]
SICAR@TIA (Siemens Automation Platform for CAR Plants) to gotowa platforma automatyki Siemensa przeznaczona do sterowania sekwencyjnego w fabrykach automotive (linie spawalnicze, montażowe, klejenie, studwelding). Składa się ze skoordynowanego oprogramowania PLC (S7-1500/1500F) i HMI (WinCC Advanced).
Dwa pakiety oprogramowania:
Główna korzyść: ujednolicona filozofia obsługi i diagnostyki na wszystkich liniach — maintenance z różnych fabryk i dostawców szybko lokalizuje błędy, bo interfejs i struktura programu są wszędzie takie same.
Wymagane licencje: TIA Step7 Professional + WinCC Advanced + opcjonalnie TIA Safety Advanced. DiagAddOn nie wymaga osobnej licencji.
💡 Na rozmowie podkreśl: SICAR to nie biblioteka bloków — to cały framework z ustalonym standardem folderów, nazewnictwa, trybów pracy i diagnostyki. Programista nie buduje struktury od zera, tylko programuje sekwencje w gotowym szkielecie.
[ZWERYFIKOWANE] — źródło: 10_Introduction SICAR@TIA DiagAddOn, Edition 2022-04
Program PLC w SICAR ma ściśle zdefiniowaną strukturę folderów — każdy projekt wygląda tak samo, co ułatwia orientację na nowej linii:
Foldery bazowe (00–07) — wspólne dla wszystkich projektów:
Folder 08_ZzComponents — gotowe komponenty (napędy, roboty):
Folder 10_Sequence & Messageblocks — tu programujesz sekwencje linii:
++0 (globalne komunikaty), ++1 (area 1), ++2…++8++1.010 FX1 = OPMode area 1, stacja 10, Fixture 1; ++1.020 IR1 = area 1, stacja 20, Robot 1Zasoby systemowe (nie wolno zmieniać):
💡 Na rozmowie: „Kiedy dostaję nowy projekt SICAR, zaczynam od 10_Sequence — tam jest logika linii. Foldery 00–07 to szkielet, 08_Zz to gotowe komponenty — tych nie ruszam.”
[ZWERYFIKOWANE] — źródło: 10_Introduction sekcja 6 Structure PLC-program, 40_User_Guideline sekcja 1.1
SICAR zarządza do 8 niezależnych obszarów trybów pracy (OPMode areas) na jednym PLC. Każdy area może działać w innym trybie jednocześnie (np. area 1 w Auto, area 3 w Manual).
Trzy tryby pracy:
transAuto = 1 → przejście do następnego krokuWarunki uruchomienia trybu (memory word MW10–MW24 per area):
M x.0 = E-Stop aktywny (wymagany dla WSZYSTKICH trybów)M x.1 = drzwi Safety zamknięte (wymagany dla Auto i Inching)M x.2 = warunki bazowe Manual OKM x.4 = warunki bazowe ogólne OKProcedura przełączenia (np. Manual → Auto):
WITH_POPUP)Funkcje specjalne (dostępne w Auto):
DBB24=0) lub po bieżącym kroku (DBB24=255)💡 Na commissioning: zawsze zaczynaj od Manual → sprawdź każdy ruch osobno → przełącz na Inching → dopiero potem Auto.
[ZWERYFIKOWANE] — źródło: 31_Initialization and Operation modes, Edition 2022-07
Sterowanie sekwencyjne to serce SICAR — blok FB1000 zarządza do 255 sekwencji równolegle, każda do 228 kroków. Struktura jest liniowa (z możliwością rozgałęzień).
Numeracja bloków — prosta reguła (numer sekwencji + 1000):
Budowa bloku sekwencji (FB100x):
JU PERM, JU S001, JU S002…)Każdy krok (selective step) ma dwie części:
transAuto = warunek przejścia do następnego kroku; w Manual: limitManual = feedback że ruch się zakończyłKluczowe zmienne w #sequence:
ilockManual / ilockAuto — interlocki per trybtransAuto — warunek przejścia (Auto)limitManual — feedback ruchu (Manual)twdSetpoint — czas watchdog (monitoring)setError — natychmiastowy błądmotionButton — przycisk ruchu z ekranu HMI (Manual)Wyjścia (akcje) programujesz w FC100x — po wywołaniu FC998 używasz flag kroków z DB do sterowania Tec Units i napędami.
Reguła diagnostyki: w blokach sekwencji (FB/FC 1001–1255) wolno używać tylko wejść/wyjść, merkerów i bitów z nieoptymalizowanych DB — inaczej DiagAddOn nie pokaże diagnostyki na HMI.
💡 Na rozmowie: „W SICAR nie piszę sterownika od zera — programuję warunki interlocków i tranzycji per krok. FB1000 sam zarządza przełączaniem kroków, synchronizacją i diagnostyką.”
[ZWERYFIKOWANE] — źródło: 34_1 Sequence- and messageblocks, Edition 2022-06
Tec Units to gotowe, parametryzowalne bloki funkcjonalne w folderze 08_ZzComponents dla typowych urządzeń na linii: silnik, zawór, napęd SINAMICS, robot (ABB IRC5, KUKA KRC4, FANUC R-30iB, Yaskawa YRC1000).
Każdy Tec Unit zawiera:
Zasada „Zz”: bloki w folderach z prefixem „Zz” nie wolno modyfikować. Jeśli musisz zmienić Tec Unit → kopiujesz do 04_User i kontynuujesz jako blok użytkownika z własnym wersjonowaniem w bibliotece.
Typowe wywołanie w programie:
💡 Na linii spawalniczej typowe Tec Units: interfejs robota (goProcess/goAck), napęd podnośnika/przenośnika, zawory pneumatyczne gripperów, czujniki RFID do identyfikacji karoserii.
[ZWERYFIKOWANE] — źródło: 10_Introduction sekcja 6.1.3, 40_User_Guideline sekcja Configuration of movements
Synchronizacja rozwiązuje kluczowy problem: po ręcznych ruchach (Manual) lub awarii — jak wrócić do produkcji automatycznej bez resetowania całej linii?
Mechanizm:
ilockAuto = 1 AND transAuto = 0Diagnostyka na HMI (DiagAddOn):
twdSetpoint) — monitoring czasu kroku; po przekroczeniu → diagnostyka automatycznie pokazuje, który warunek (interlock/transition) nie jest spełnionyNarzędzie DiagGen:
💡 Na rozmowie: „Największa wartość DiagAddOn to diagnostyka — maintenance widzi online na HMI, który dokładnie warunek w którym kroku blokuje sekwencję. Nie muszą otwierać TIA Portal.”
[ZWERYFIKOWANE] — źródło: 10_Introduction sekcja 1.2.2 DiagAddOn for PLC, 34_1 Sequence- and messageblocks sekcja Watchdog/Synchronization
W SICAR każdy krok sekwencji oprócz ilockAuto dysponuje dwoma dodatkowymi warunkami: ilockExtSync i ilockExtInt — oba zatrzymują watchdog gdy = 0, ale różnią się udziałem w synchronizacji.
ilockExtSync — zewnętrzny warunek synchronizacji:
ilockExtSync = 0 → watchdog jest zatrzymany (nie generuje alarmu)ilockExtInt — zewnętrzny warunek procesu:
Bloki pomocnicze do synchronizacji:
extSyncilockAuto kroku PERM i ilockAuto wybranego kroku selektywnego oba = 1 → zwraca extSyncTypowy scenariusz na linii spawalniczej:
extSync podajesz do ilockExtSync w kroku S005 robota💡 Na rozmowie: „extSync używam do koordynacji robot-fixture — robot nie ruszy dopóki fixture nie potwierdzi pozycji. extInt używam do sygnałów procesowych jak czujniki narzędzi.”
[ZWERYFIKOWANE] — źródło: 34_1 Sequence- and messageblocks, Edition 2022-06, sekcje 2.3.9–2.3.10, strony 15–18
Branching — #sequence.stepNplus1: Pozwala na warunkowe rozgałęzienie sekwencji liniowej — zamiast przejścia do kolejnego kroku, FB1000 przeskakuje do wskazanego numeru kroku.
Mechanizm:
#sequence.stepNplus1transAuto = 1 → FB1000 przechodzi do kroku z stepNplus1 zamiast do kolejnego liniowostepNplus1 jest ładowana niezależnie od stanu transAuto — ważne, by sprawdzać warunek rozgałęzienia tylko gdy transAuto jest spełnionyPrzykład (STL):
S002:
AN #sequence.transAuto // sprawdź tylko gdy trans spełniony
JC E006
AN M 600.2 // warunek: typ karoserii
JC E006
L 5 // skok do kroku 5
T #sequence.stepNplus1
E006: BEU
Jeśli M600.2 = 1 → następny krok = 5 (pomija 3 i 4). Jeśli M600.2 = 0 → normalnie krok 3.
Stop/Hold — #sequence.stopInStepN: Kontroluje zachowanie sekwencji po naciśnięciu przycisku „Stop” na HMI w trybie Auto.
Wartości programowalne:
255 (domyślna) — bieżący krok zostaje dokończony, potem sekwencja przechodzi do trybu Off0 — natychmiastowe zatrzymanie sekwencji (przerwanie kroku)1–228 — sekwencja kontynuuje do podanego kroku, dopiero tam się zatrzymujeSygnały statusu w I-DB sekwencji:
#sequence.OM_SB_Hold_request — Stop (Hold) został aktywowany#sequence.OM_SB_Hold_Pos_reached — pozycja Stop (Hold) została osiągniętaholdPosExternReached:
holdPosExternReached = 0, aktywny krok zostanie dokończony niezależnie od stopInStepN = 0 czy twdRun = 0Wartość domyślną stopInStepN (255) można zmienić globalnie w FC980, Network 3, parametr Hold_Init_Value.
💡 Na commissioning: „Dla robotów programuję stopInStepN = 255 (dokończ ruch), dla prostych siłowników zostawiam 0 (zatrzymaj natychmiast). Na linii z wieloma stacjami — programuję warunkowe stopInStepN per krok, żeby robot dojechał do bezpiecznej pozycji.”
[ZWERYFIKOWANE] — źródło: 34_1 Sequence- and messageblocks, Edition 2022-06, sekcje 2.3.11–2.3.12, strony 30–33
DB1000 (UiDiagAddOn_DB) to centralny blok danych stanowiący interfejs między oprogramowaniem użytkownika a oprogramowaniem DiagAddOn. Wszystkie informacje potrzebne do sterowania z poziomu kodu użytkownika są dostępne w DB1000.
Struktura DB1000 — główne sekcje:
1. OM_Seq[1..255] — status per sekwencja (1 bajt na sekwencję):
.0 = Automatic (sekwencja w trybie Auto).1 = Inching (tryb krokowy).2 = Manual (tryb ręczny).3 = Inching_Step_plus1 / Hold in Step 1.4 = Start (sekwencja wystartowana).5 = Acknowledge (restart watchdog).6 = Clock (sygnał zegarowy).7 = Synchronize (sekwencja zsynchronizowana)2. Common — sygnały ogólne:
3. OPMode[1..8] — status per obszar trybów pracy:
4. Lock Movements — blokada ekranów ruchów:
Panel[x].movButtonActive — na HMI x naciśnięto przycisk ruchuPanel[x].activeMovScreen — który ekran ruchów jest otwarty (1–64)Panel[x].lockMovScreens — zablokuj WSZYSTKIE ekrany ruchów na HMI xPanel[x].OPMode[y].lockMovements — zablokuj ruchy w danym OPMode area na HMI x5. Reset — przycisk resetowania per HMI:
Typowe zastosowania programistyczne:
OM_Seq[x] w DB1000 przed wywołaniem FC998OPMode[x]💡 Na rozmowie: „DB1000 to mój główny punkt dostępu do stanu linii — stamtąd odczytuję tryby sekwencji, steruje blokadami ruchów między panelami i nadpisuję tryby dla sekwencji systemowych jak RFID.”
[ZWERYFIKOWANE] — źródło: 40_User_Guideline SICAR@TIA DiagAddOn, Edition 2022-04, sekcja 4 User interface
Movement Screens to ekrany HMI w DiagAddOn umożliwiające ręczne sterowanie ruchami maszyny w trybie Manual. Każda sekwencja/krok może mieć przypisany ruch na dedykowanym ekranie. System obsługuje do 64 ekranów ruchów per HMI.
Parametryzacja ekranu ruchu (w narzędziu DiagGen):
#sequence.motionButton (ruch aktywuje konkretny krok sekwencji)DBx.DBDy)limitManual i ilockManualmotionButton — klucz ruchu:
#sequence.motionButton = 1 gdy operator naciśnie przycisk ruchu na ekranie HMIilockManual: A #sequence.motionButtonLock Movements — blokada przy wielu panelach HMI: Gdy na linii pracuje kilka paneli HMI jednocześnie, ruch na jednym panelu musi blokować pozostałe — to wymóg bezpieczeństwa.
Sygnały w DB1000 per HMI (Panel[x]):
movButtonActive — czy przycisk ruchu jest naciśnięty na dowolnym ekranie HMI xactiveMovScreen — numer otwartego ekranu ruchów (1–64)lockMovScreens — zablokuj WSZYSTKIE ekrany ruchów na HMI xOPMode[y].lockMovements — zablokuj ruchy tylko w wybranym OPMode area na HMI xTypowe use case’y blokady:
lockMovScreens na HMI2 (i odwrotnie)💡 Na commissioning: „Przy uruchamianiu linii z dwoma panelami — najpierw konfiguruję Lock Movements w DB1000, żeby operatorzy na dwóch HMI nie mogli jednocześnie ruszać tym samym urządzeniem. To kwestia bezpieczeństwa.”
[ZWERYFIKOWANE] — źródło: 40_User_Guideline SICAR@TIA DiagAddOn, Edition 2022-04, sekcje 2.2.1 Configuration of movements, 4.4 Lock Movements, 5 External Screen select